12 Volt Jayco Trailer Wiring Diagram

12v Electrics For Camper Trailer Wiring Diagram Unique 12 Volt Wiring Diagram Caravan Free Wiri Trailer Wiring Diagram Electrical Wiring Diagram Travel Trailer

12v Electrics For Camper Trailer Wiring Diagram Unique 12 Volt Wiring Diagram Caravan Free Wiri Trailer Wiring Diagram Electrical Wiring Diagram Travel Trailer

Image Result For 12v Camper Trailer Wiring Diagram Teardrop Trailer Teardrop Trailer Plans Teardrop Trailer Interior

Image Result For 12v Camper Trailer Wiring Diagram Teardrop Trailer Teardrop Trailer Plans Teardrop Trailer Interior

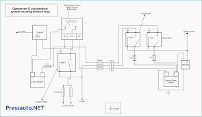
12s Wiring Diagram Caravan Bookingritzcarlton Info Trailer Wiring Diagram Wire Camper Trailers

12s Wiring Diagram Caravan Bookingritzcarlton Info Trailer Wiring Diagram Wire Camper Trailers

5b21299fa4d044432a02e12c59da2d68 Png 258 195 Trailer Wiring Diagram Electrical Wiring Diagram Camper Lights

5b21299fa4d044432a02e12c59da2d68 Png 258 195 Trailer Wiring Diagram Electrical Wiring Diagram Camper Lights

Small Trailer Wiring Diagram Trailer Wiring Diagram Teardrop Camper Teardrop Trailer

Small Trailer Wiring Diagram Trailer Wiring Diagram Teardrop Camper Teardrop Trailer

Jayco Wiring Diagram Caravan Bookingritzcarlton Info Trailer Wiring Diagram Rv Solar System Caravan

Jayco Wiring Diagram Caravan Bookingritzcarlton Info Trailer Wiring Diagram Rv Solar System Caravan

Jayco Wiring Diagram Caravan Bookingritzcarlton Info Trailer Wiring Diagram Rv Solar System Caravan

For instance in case a module will be powered up and it sends out the signal of 50 percent the voltage plus the technician would not know this he would think he has an issue as he or she would expect a 12v signal.

12 volt jayco trailer wiring diagram. Variety of jayco trailer wiring diagram. For instance when a module will be powered up and it also sends out the signal of fifty percent the voltage plus the technician does not know this he would think he offers a problem as he or she would expect the 12v signal. For example in case a module is powered up and it also sends out a signal of fifty percent the voltage and the technician would not know this he would think he provides a challenge as he would expect a new 12v signal.

These 2 wire diagrams fit the needs of most trailers. 12 volt trailer wiring diagram wiring diagram is a simplified adequate pictorial representation of an electrical circuit it shows the components of the circuit as simplified shapes and the gift and signal associates amid the devices. It shows the elements of the circuit as streamlined shapes and the power as well as signal connections in between the devices.

Only the blue brake and white ground wires are different. A wiring diagram is a streamlined traditional photographic depiction of an electric circuit. All jayco caravans utilise a 12 pin plug manufactured to australian standard as41775 2004.

This report will be discussing 12 volt camper trailer wiring diagram which are the benefits of knowing these knowledge. If not the arrangement will not work as it should be. A wiring diagram is a streamlined traditional photographic depiction of an electric circuit.

Expand the same for additional axles. Jayco is the largest privately held manufacturer of recreation vehicles in the world. Each component ought to be set and linked to other parts in particular manner.

It reveals the parts of the circuit as streamlined shapes as well as the power and also signal links in between the gadgets. Rv wiring diagram white board diagram. This automobile is designed not only to travel one place to another but also to take heavy loads.

12v Camper Trailer Wiring Diagram Google Search Camper Trailer Remodel Camper Trailers Camper Repair

12v Camper Trailer Wiring Diagram Google Search Camper Trailer Remodel Camper Trailers Camper Repair

12 Volt System Vintage Trailer Talk Electrical Diagram Electrical Wiring Diagram Vintage Travel Trailers

12 Volt System Vintage Trailer Talk Electrical Diagram Electrical Wiring Diagram Vintage Travel Trailers

Image Result For 12v Camper Trailer Wiring Diagram

Image Result For 12v Camper Trailer Wiring Diagram

Image Result For 12v Camper Trailer Wiring Diagram Teardrop Camper Teardrop Camper Trailer Cargo Trailer Camper

Image Result For 12v Camper Trailer Wiring Diagram Teardrop Camper Teardrop Camper Trailer Cargo Trailer Camper

Image Result For Camper Trailer Wiring Setups Saker Att Kopa

Image Result For Camper Trailer Wiring Setups Saker Att Kopa

804 1 Tn1000x800 Wire Diagrams Easy Simple Detail Ideas General Example Best Routing Install Lawn Camper Trailer Wiring Camper Build A Camper Camper Trailers

804 1 Tn1000x800 Wire Diagrams Easy Simple Detail Ideas General Example Best Routing Install Lawn Camper Trailer Wiring Camper Build A Camper Camper Trailers

Image Result For 12v Camper Trailer Wiring Diagram Camper Trailers Teardrop Camper Teardrop Trailer Plans

Image Result For 12v Camper Trailer Wiring Diagram Camper Trailers Teardrop Camper Teardrop Trailer Plans

Travel Trailer Converter Wiring Diagram Wiringdiagram Org Electrical Wiring Diagram Trailer Wiring Diagram Camper

Travel Trailer Converter Wiring Diagram Wiringdiagram Org Electrical Wiring Diagram Trailer Wiring Diagram Camper

Coachmen Travel Trailer Wiring Diagram Wiringdiagram Org Electrical Wiring Diagram Trailer Wiring Diagram Travel Trailer

Coachmen Travel Trailer Wiring Diagram Wiringdiagram Org Electrical Wiring Diagram Trailer Wiring Diagram Travel Trailer

Jayco Wiring Diagram Caravan Bookingritzcarlton Info Trailer Wiring Diagram Camper Trailers Tilt Trailer

Jayco Wiring Diagram Caravan Bookingritzcarlton Info Trailer Wiring Diagram Camper Trailers Tilt Trailer

14 Automatic Jayco Wiring Diagram Caravan Design Trailer Wiring Diagram Diagram Motorhome

14 Automatic Jayco Wiring Diagram Caravan Design Trailer Wiring Diagram Diagram Motorhome

Rv Wiring Diagram White Board Diagram Jayco Rv Owners Forum In 2020 Trailer Wiring Diagram Jayco Rv Electrical Wiring Diagram

Rv Wiring Diagram White Board Diagram Jayco Rv Owners Forum In 2020 Trailer Wiring Diagram Jayco Rv Electrical Wiring Diagram

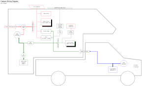
Wiring Diagram How To Wire Up Your Camper It Is Recomended To Run The Fridge Directly From Your Leisure Batter Camper Van Conversion Diy Suv Camping Camper Van

Wiring Diagram How To Wire Up Your Camper It Is Recomended To Run The Fridge Directly From Your Leisure Batter Camper Van Conversion Diy Suv Camping Camper Van

Jayco Wiring Diagram Caravan Bookingritzcarlton Info Trailer Wiring Diagram Trailer Light Wiring Electrical Wiring Diagram

Jayco Wiring Diagram Caravan Bookingritzcarlton Info Trailer Wiring Diagram Trailer Light Wiring Electrical Wiring Diagram

Jayco Wiring Diagram Jayco Diagram Caravan

Jayco Wiring Diagram Jayco Diagram Caravan

12 Volt Wiring Diagram Electrical Diagram Caravan Electrics Van Conversion Wiring

12 Volt Wiring Diagram Electrical Diagram Caravan Electrics Van Conversion Wiring

Jayco Wiring Diagram Caravan Bookingritzcarlton Info Off Grid Solar Power Solar Panels Off Grid Solar

Jayco Wiring Diagram Caravan Bookingritzcarlton Info Off Grid Solar Power Solar Panels Off Grid Solar

Pin On Wiring Diagram

Pin On Wiring Diagram

3

3

For A Single 12 Volt Battery Placing A Disconnect Switch Is Usually Pretty Simple A Pinout Diagram In 2020 Trailer Light Wiring Electrical Wiring Diagram Boat Wiring

For A Single 12 Volt Battery Placing A Disconnect Switch Is Usually Pretty Simple A Pinout Diagram In 2020 Trailer Light Wiring Electrical Wiring Diagram Boat Wiring

Camper Trailer Battery Wiring Diagram Wiringdiagram Org Travel Trailer Floor Plans Trailer Wiring Diagram Rv Floor Plans

Camper Trailer Battery Wiring Diagram Wiringdiagram Org Travel Trailer Floor Plans Trailer Wiring Diagram Rv Floor Plans

Wiring Diagram For A Camper The Wiring Diagram Camper Trailers Camper Camper Renovation

Wiring Diagram For A Camper The Wiring Diagram Camper Trailers Camper Camper Renovation

Trailer Wiring 101 Trucks Trailers Rv S Toy Haulers Utility Trailer Camper Trailers Trailer

Trailer Wiring 101 Trucks Trailers Rv S Toy Haulers Utility Trailer Camper Trailers Trailer

2003 Camper Wiring Diagram Cargo Trailers Coleman Tent Trailers Trailer Wiring Diagram

2003 Camper Wiring Diagram Cargo Trailers Coleman Tent Trailers Trailer Wiring Diagram

Source : pinterest.com