1989 F150 Starter

Bookingritzcarlton Info Wp Content Uploads 2019 03 Picture Of Ford Starter Selenoid Wiring Diagram 1990 Ford F1 In 2020 Ford Explorer Accessories Ford Trucks Ford F150

Bookingritzcarlton Info Wp Content Uploads 2019 03 Picture Of Ford Starter Selenoid Wiring Diagram 1990 Ford F1 In 2020 Ford Explorer Accessories Ford Trucks Ford F150

Perfect Ford Starter Selenoid Wiring Diagram Ford F150 Starter Wiring Diagram Vtl Cannockpropertyblog Uk U2022 Rh Vtl Cannockpropertyblog Uk 1994 F150 Starter W In 2020 F150 Ford F150 Diagram

Perfect Ford Starter Selenoid Wiring Diagram Ford F150 Starter Wiring Diagram Vtl Cannockpropertyblog Uk U2022 Rh Vtl Cannockpropertyblog Uk 1994 F150 Starter W In 2020 F150 Ford F150 Diagram

Pin On Diy

Pin On Diy

1989 Ford F 150 Lariat Dual Tank Wiring Diagram Need A Wiring Diagram For Starter Relay On A 1989 F In 2020 Trailer Light Wiring Electrical Circuit Diagram Alternator

1989 Ford F 150 Lariat Dual Tank Wiring Diagram Need A Wiring Diagram For Starter Relay On A 1989 F In 2020 Trailer Light Wiring Electrical Circuit Diagram Alternator

Picture Ford Starter Selenoid Wiring Diagram Ford F250 Starter Solenoid Wiring Diagram 4 Pole Lovely Post Bookingritzcarlton Info Ford F150 Ford Diagram

Picture Ford Starter Selenoid Wiring Diagram Ford F250 Starter Solenoid Wiring Diagram 4 Pole Lovely Post Bookingritzcarlton Info Ford F150 Ford Diagram

Pin On Home Design

Pin On Home Design

Pin On Home Design

1989 ford f 150 92 99.

1989 f150 starter. 1989 ford f 150 323 95. Watson91 this articles applies to the ford f 150 2004 2014. We currently carry 15 starter products to choose from for your 1989 ford f 150 and our inventory prices range from as little as 45 00 up to 308 99.

Fail to cut off power. The products always arrive in a timely manner and i have had no installation issues. Same problem with the ignition switch wire disconnected from the solenoi read more.

When i turn the truck off the starter is still going trying to start the truck again. So far so good. Free shipping on many items.

These crucial devices get you on the road and send a low amperage signal to your truck s computer and anti theft system when you crank your ignition. 1989 ford f150 starter keeps cranking. Motorcraft starter solenoid direct fit sold individually.

The starter functions. 1989 ford f 150 starter solenoid customer reviews. Or keep the motor from starting at all.

On top of low prices advance auto parts offers 7 different trusted brands of starter products for the 1989 ford f 150. Quality built oe replacement starter new. Replacing the starter on your ford f 150 is a simple process that can save you some money.

Ford F150 Engine Diagram 1989 1994 Ford F150 Xlt 5 0 302cid Surging Bucking Ford F150 Xlt 1994 Ford F150 Ford F150

Ford F150 Engine Diagram 1989 1994 Ford F150 Xlt 5 0 302cid Surging Bucking Ford F150 Xlt 1994 Ford F150 Ford F150

1993 Ford F150 Cranks But Wont Start Computer Problem 1993 Ford Ford F150 Xlt 1996 Ford F150 Ford F150

1993 Ford F150 Cranks But Wont Start Computer Problem 1993 Ford Ford F150 Xlt 1996 Ford F150 Ford F150

1996 Ford F150 Engine Wiring Diagram And Ford F Fuel System Diagram Getting Started Of In 2020 Ford F150 F150 1996 Ford F150

1996 Ford F150 Engine Wiring Diagram And Ford F Fuel System Diagram Getting Started Of In 2020 Ford F150 F150 1996 Ford F150

Pin On Summer

Pin On Summer

1989 Ford F150 Ford Pickup Trucks Classic Ford Trucks Ford F150

1989 Ford F150 Ford Pickup Trucks Classic Ford Trucks Ford F150

56317d1340581640 Ford 4 Terminal Solenoid Wiring Jpg 767 477 Automotive Repair Shop Tractors Wire

56317d1340581640 Ford 4 Terminal Solenoid Wiring Jpg 767 477 Automotive Repair Shop Tractors Wire

Ford 300 Inline 6 Engine Diagram Straight F 4 9 Wiring Diagrams Image Free Vacuum Diagram F150 Repair Manuals

Ford 300 Inline 6 Engine Diagram Straight F 4 9 Wiring Diagrams Image Free Vacuum Diagram F150 Repair Manuals

Pin On Bronco Info

Pin On Bronco Info

Http Www Truckt Com Heavy Duty Truck Starters Explained Automotive Mechanic Automotive Repair Automotive Electrical

Http Www Truckt Com Heavy Duty Truck Starters Explained Automotive Mechanic Automotive Repair Automotive Electrical

45 Elegant Boat Starter Wiring Diagram In 2020 Car Alternator Automotive Mechanic Automotive Repair

45 Elegant Boat Starter Wiring Diagram In 2020 Car Alternator Automotive Mechanic Automotive Repair

Pin On Mecanica

Pin On Mecanica

1985 Ford Bronco Front 4x4 Wheel Bearing Replace Diagram Ford Bronco Ford F150 Xlt Ford F150 Pickup

1985 Ford Bronco Front 4x4 Wheel Bearing Replace Diagram Ford Bronco Ford F150 Xlt Ford F150 Pickup

Beautiful Wiring Diagram Vw Alternator Diagrams Digramssample Diagramimages Wiringdiagramsample Wiringdiagram Alternator Ford Mustang Forum Diagram

Beautiful Wiring Diagram Vw Alternator Diagrams Digramssample Diagramimages Wiringdiagramsample Wiringdiagram Alternator Ford Mustang Forum Diagram

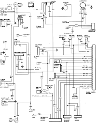
Photo Of Ford Wiring Diagram Circuit Diagram 1989 F 150 4 15 Kachelofenmann De U2022 Ford Pickup Wiring Diagrams 89 Ford 150 G2 Wiring Diagram Bookingritzcarl Diagram Wire Harness

Photo Of Ford Wiring Diagram Circuit Diagram 1989 F 150 4 15 Kachelofenmann De U2022 Ford Pickup Wiring Diagrams 89 Ford 150 G2 Wiring Diagram Bookingritzcarl Diagram Wire Harness

Wiring Diagram Blog 93 Mustang Starter Solenoid Wiring In 2020 93 Mustang Mustang Ford Mustang Forum

Wiring Diagram Blog 93 Mustang Starter Solenoid Wiring In 2020 93 Mustang Mustang Ford Mustang Forum

Pmgr Wiring Jpg 376 468 Pixels Automotive Mechanic Truck Repair Automotive Repair

Pmgr Wiring Jpg 376 468 Pixels Automotive Mechanic Truck Repair Automotive Repair

1985 F250 5 8l Wiring Diagrams And Fuse Box Diagram Ford Truck Enthusiasts Forums Ford F250 Ford F150 Ford Truck

1985 F250 5 8l Wiring Diagrams And Fuse Box Diagram Ford Truck Enthusiasts Forums Ford F250 Ford F150 Ford Truck

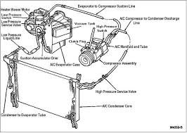
Pin By Rich F On 1990 F150 Reference F150 Low Pressure Ford F150

Pin By Rich F On 1990 F150 Reference F150 Low Pressure Ford F150

3

3

The Following Electrical Schematics Is The Electrical Wiring Diagram Of The Ford F100 Tr Diagrama De Circuito Diagrama De Circuito Electrico Circuito Electrico

The Following Electrical Schematics Is The Electrical Wiring Diagram Of The Ford F100 Tr Diagrama De Circuito Diagrama De Circuito Electrico Circuito Electrico

For Led Bumper Fog Smoked 89 96 Ford F150 F250 Bronco Tail Lights Smoke Lamps Picapes Diesel

For Led Bumper Fog Smoked 89 96 Ford F150 F250 Bronco Tail Lights Smoke Lamps Picapes Diesel

Db Electrical Snd0355 Ford 73 73l Diesel Starter For Powerstroke E150 E250 E350 F150 F250 F350 Pickup Truck Excursion 9 Powerstroke Starter Motor Premium Cars

Db Electrical Snd0355 Ford 73 73l Diesel Starter For Powerstroke E150 E250 E350 F150 F250 F350 Pickup Truck Excursion 9 Powerstroke Starter Motor Premium Cars

Pin De Aesa Europa Em Maq Auto Carros Personalizados Carros

Pin De Aesa Europa Em Maq Auto Carros Personalizados Carros

1948 51 Ford Six Cylinder Flathead Automotive Mechanic Ford Trucks Old Ford Trucks

1948 51 Ford Six Cylinder Flathead Automotive Mechanic Ford Trucks Old Ford Trucks

Source : pinterest.com