1998 Dodge Ram 1500 Ignition Switch Problems

Burnt Wires On Ignition Switch Dodgeforum Com

Burnt Wires On Ignition Switch Dodgeforum Com

How To Remove Install An Ignition Switch 1994 To 2001 2002 Dodge Ram Youtube

How To Remove Install An Ignition Switch 1994 To 2001 2002 Dodge Ram Youtube

Ctm Ignition Module A Wtf Wiring Issue Dodgeforum Com

Ctm Ignition Module A Wtf Wiring Issue Dodgeforum Com

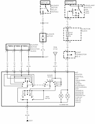
98 Dodge Ram Shuts Off When Blower Motor Is Turned On Or Unplugged Same Thing With The Relay And Fuse Does Anyone Know

98 Dodge Ram Shuts Off When Blower Motor Is Turned On Or Unplugged Same Thing With The Relay And Fuse Does Anyone Know

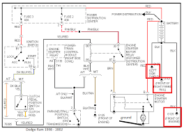
Dodge Ram 1500 Starter Relay And Fuse Youtube

Dodge Ram 1500 Starter Relay And Fuse Youtube

Dodge Ram 1994 2001 Fuse Box Diagram Dodgeforum

Dodge Ram 1994 2001 Fuse Box Diagram Dodgeforum

Dodge Ram 1994 2001 Fuse Box Diagram Dodgeforum

To be sure ignition switch problems are no fun especially if they re stopping you from getting to work or school or play.

1998 dodge ram 1500 ignition switch problems. Ignition switch problem of the 1996 dodge ram 2500 14. Car complaints car problems and defect information latest news. Dodge ram 1500 owners have reported 28 problems related to ignition switch under the electrical system category.

The 1998 dodge ram 1500 has 2 nhtsa complaints for the electrical system ignition module at 0 miles average. At 35 067 miles the dealer adjusted the timing. 1982 dodge truck ignition wiring diagram wiring diagram.

Ignition switch problem of the 2007 dodge ram 1500 1. Ignition switch problems of dodge ram 1500. The ignition in my truck is stuck on acc mode and when i start it it starts but when i shut it of the truck keeps running and i can take the key out of it and it will still run.

I have an ongoing problem with preignition spark knock in my 1998 dodge ram 1500 with the 318 cid 5 2l motor at 24 896 miles my dealer re programmed the pcm and re routed the spark wires. The spark knock continued. Ignition switch problems can also cause issues on the road such as unexpected shutdowns or electrical problems.

08 17 1999 when a c or heater is on the ignition switch will overheat and steering column start smoking consumer had to buy another switch and dealer put it on. Original switch could not take all the power coming from all the circuitry. I didn t think this could be done.

The spark knock continued. I have an ongoing problem with preignition spark knock in my 1998 dodge ram 1500 with the 318 cid 5 2l motor at 24 896 miles my dealer re programmed the pcm and re routed the spark wires. The most recently reported issues are listed below.

Ignition Coil My Truck Started Giving Me Trouble About 6 Months

Ignition Coil My Truck Started Giving Me Trouble About 6 Months

Ignition System Wiring Diagram 1998 2000 5 2l Dodge Pickup

Ignition System Wiring Diagram 1998 2000 5 2l Dodge Pickup

Dodge Ram 1500 Ignition Switch Will Not Turn To Acc Any Suggestions

Dodge Ram 1500 Ignition Switch Will Not Turn To Acc Any Suggestions

New 1998 Dodge Ram 1500 Trailer Wiring Diagram Diagram Diagramsample Diagramtemplate Wiringdiagra Dodge Ram 1500 Trailer Wiring Diagram 2001 Dodge Ram 1500

New 1998 Dodge Ram 1500 Trailer Wiring Diagram Diagram Diagramsample Diagramtemplate Wiringdiagra Dodge Ram 1500 Trailer Wiring Diagram 2001 Dodge Ram 1500

Dodge Ram 1500 Questions Where Are The Ground Wires Located On My 1998 Ram Pickup Cargurus

Dodge Ram 1500 Questions Where Are The Ground Wires Located On My 1998 Ram Pickup Cargurus

How To Replace The Ignition Lock On A 1999 Dodge Ram Pickup Car Locks And Keys

How To Replace The Ignition Lock On A 1999 Dodge Ram Pickup Car Locks And Keys

Dodge Ram 1500 Questions I Have A 2002 Dodge 1500 4 7 It Will Crank But Not Start Replaced T Cargurus

Dodge Ram 1500 Questions I Have A 2002 Dodge 1500 4 7 It Will Crank But Not Start Replaced T Cargurus

2003 Dodge Ram 1500 Slt Passenger Window Will Not Move Up Or Down With Passenger Switch But Will With Driver Side

2003 Dodge Ram 1500 Slt Passenger Window Will Not Move Up Or Down With Passenger Switch But Will With Driver Side

Dodge Ram Van Questions Unmarked Fuse Blows Van Quits Cargurus

Dodge Ram Van Questions Unmarked Fuse Blows Van Quits Cargurus

New 1998 Dodge Ram 1500 Trailer Wiring Diagram Diagram Diagramsample Diagramtemplate Wiringdiagram Diagramcha 2004 Dodge Ram 1500 Dodge Ram Dodge Ram 1500

New 1998 Dodge Ram 1500 Trailer Wiring Diagram Diagram Diagramsample Diagramtemplate Wiringdiagram Diagramcha 2004 Dodge Ram 1500 Dodge Ram Dodge Ram 1500

Ignition Replacement Dodge Ram 1996 2500 V10 Youtube

Ignition Replacement Dodge Ram 1996 2500 V10 Youtube

Chrysler Full Size Trucks 1997 2000 Wiring Diagrams Repair Guide Autozone

Chrysler Full Size Trucks 1997 2000 Wiring Diagrams Repair Guide Autozone

How To Replace Combination Switch 94 02 Dodge Ram 1500 Youtube

How To Replace Combination Switch 94 02 Dodge Ram 1500 Youtube

98 Ram 3500 Wiring Diagram Gota Wiring Diagram

98 Ram 3500 Wiring Diagram Gota Wiring Diagram

Dodge Ram 1500 Wiring Diagram Dodge Ram 1500 Dodge Ram Ram 1500

Dodge Ram 1500 Wiring Diagram Dodge Ram 1500 Dodge Ram Ram 1500

1998 Dodge Ram Trailer Wiring Diagram Wiring Diagram City City Fotootticamezzolo It

1998 Dodge Ram Trailer Wiring Diagram Wiring Diagram City City Fotootticamezzolo It

New 2004 Dodge Ram 1500 Ignition Wiring Diagram Diagram Diagramsample Diagramtemplate Wiringdiagram Diag Electrical Diagram Diagram Trailer Wiring Diagram

New 2004 Dodge Ram 1500 Ignition Wiring Diagram Diagram Diagramsample Diagramtemplate Wiringdiagram Diag Electrical Diagram Diagram Trailer Wiring Diagram

Dodge Ram 1500 Spits Sputters Misfires And Stalls Youtube

Dodge Ram 1500 Spits Sputters Misfires And Stalls Youtube

Https Encrypted Tbn0 Gstatic Com Images Q Tbn And9gcsvh21a9thxsz1iapoxfu0lyn92ohehaxw1ql8zoeqzj8oaayzx Usqp Cau

Https Encrypted Tbn0 Gstatic Com Images Q Tbn And9gcsvh21a9thxsz1iapoxfu0lyn92ohehaxw1ql8zoeqzj8oaayzx Usqp Cau

New 2004 Dodge Ram 1500 Infinity Wiring Diagram Diagram Diagramsample Diagramtemplate Wiringd Electrical Wiring Diagram Trailer Wiring Diagram House Wiring

New 2004 Dodge Ram 1500 Infinity Wiring Diagram Diagram Diagramsample Diagramtemplate Wiringd Electrical Wiring Diagram Trailer Wiring Diagram House Wiring

Access Denied Repair Guide Ram 1500 Repair And Maintenance

Access Denied Repair Guide Ram 1500 Repair And Maintenance

Ram 1500 Van Heater Core Replace Google Search Repair Guide Ram 1500 Repair And Maintenance

Ram 1500 Van Heater Core Replace Google Search Repair Guide Ram 1500 Repair And Maintenance

Radio Not Working My Interior Lights Radio Power Side Mirrors

Radio Not Working My Interior Lights Radio Power Side Mirrors

1998 Dodge Ram 98 Dodge Ram Cranks But Will Not Start

1998 Dodge Ram 98 Dodge Ram Cranks But Will Not Start

Source : pinterest.com

Random Posts