2000 Vw Jetta Radio Wiring Diagram

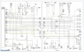
2000 Vw Jetta Radio Wiring Diagram 3 Electrical Wiring Diagram Diagram Trailer Wiring Diagram

2000 Vw Jetta Radio Wiring Diagram 3 Electrical Wiring Diagram Diagram Trailer Wiring Diagram

2000 Vw Jetta Stereo Wiring Diagram Vw Jetta 2011 Jetta Trailer Light Wiring

2000 Vw Jetta Stereo Wiring Diagram Vw Jetta 2011 Jetta Trailer Light Wiring

Vw Golf Radio Wiring Diagram Volkswagen Jetta Car Standart Representation Therefore In 2000 Vw Jetta Stereo Wiring Diagram In 2020 Jetta Car Vw Jetta Volkswagen Jetta

Vw Golf Radio Wiring Diagram Volkswagen Jetta Car Standart Representation Therefore In 2000 Vw Jetta Stereo Wiring Diagram In 2020 Jetta Car Vw Jetta Volkswagen Jetta

45 Awesome Vw Radio Wiring Diagram In 2020 Vw Jetta Volkswagen Jetta Electrical Wiring Diagram

45 Awesome Vw Radio Wiring Diagram In 2020 Vw Jetta Volkswagen Jetta Electrical Wiring Diagram

Diagram By Akita Your Diagram Source From Akita Vw Jetta Vw Passat Diagram

Diagram By Akita Your Diagram Source From Akita Vw Jetta Vw Passat Diagram

Pin On Vw Jetta

Pin On Vw Jetta

Pin On Vw Jetta

Whether your an expert volkswagen jetta mobile electronics installer volkswagen jetta fanatic or a novice volkswagen jetta enthusiast with a 2000 volkswagen jetta a car stereo wiring diagram can save yourself a lot of time.

2000 vw jetta radio wiring diagram. It reveals the components of the circuit as streamlined shapes and also the power as well as signal connections in between the tools. Automotive wiring in a 2000 volkswagen jetta vehicles are becoming increasing more difficult to identify due to the installation of 2000 volkswagen jetta car stereo. A wiring diagram is a streamlined standard pictorial representation of an electrical circuit.

We have actually collected many photos with any luck this image is useful for you and aid you in finding the response you are searching for. 2000 volkswagen jetta stereo wiring home the12volt s install bay vehicle wiring view all volkswagen vehicles 2000 volkswagen jetta vehicle search. 1997 vw polo radio wiring.

2000 jetta radio wiring diagram 2000 vw beetle computer location 2003 power window wiring diagram ansul system wiring diagram new beetle wiring diagram 2001 volkswagen beetle wiring diagram 2000 vw beetle fuse chart 2004 vw beetle radio wiring diagram 18 lmn bolonka zwetna von der laisbach de. Collection of 2000 vw jetta stereo wiring diagram.

Unique 2002 Vw Passat Radio Wiring Diagram In 2020 Trailer Wiring Diagram Electrical Wiring Diagram Diagram

Unique 2002 Vw Passat Radio Wiring Diagram In 2020 Trailer Wiring Diagram Electrical Wiring Diagram Diagram

Elegant 2001 Vw Jetta Radio Wiring Diagram In 2020 Vw Jetta Vw Passat 2006 Vw Jetta

Elegant 2001 Vw Jetta Radio Wiring Diagram In 2020 Vw Jetta Vw Passat 2006 Vw Jetta

Vw Stereo Wiring At 2000 Vw Jetta Stereo Wiring Diagram In 2020 Vw Jetta Vw Passat Radio

Vw Stereo Wiring At 2000 Vw Jetta Stereo Wiring Diagram In 2020 Vw Jetta Vw Passat Radio

Vw Jetta Stereo Wiring Diagram Vw Jetta Vw Passat Diagram

Vw Jetta Stereo Wiring Diagram Vw Jetta Vw Passat Diagram

Vw Caddy Radio Wiring Diagram What Is 2006 Vw Jetta Wiring Diagram Beyondbrewing Of Vw Caddy Radio Wiring Diagram At 20 In 2020 Vw Jetta 2006 Vw Jetta Volkswagen Jetta

Vw Caddy Radio Wiring Diagram What Is 2006 Vw Jetta Wiring Diagram Beyondbrewing Of Vw Caddy Radio Wiring Diagram At 20 In 2020 Vw Jetta 2006 Vw Jetta Volkswagen Jetta

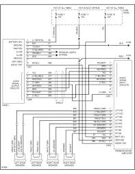
12 2003 Volkswagen Jetta Car Stereo Wiring Diagram Car Diagram Wiringg Net In 2020 Car Stereo Diagram Radio

12 2003 Volkswagen Jetta Car Stereo Wiring Diagram Car Diagram Wiringg Net In 2020 Car Stereo Diagram Radio

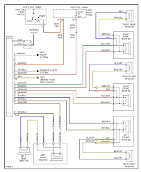
2012 07 06 195454 Radio2 To 2000 Vw Jetta Stereo Wiring Diagram For 2000 Vw Jetta Stereo Wiring Diagram In 2020 Vw Jetta Vw Passat Diagram

2012 07 06 195454 Radio2 To 2000 Vw Jetta Stereo Wiring Diagram For 2000 Vw Jetta Stereo Wiring Diagram In 2020 Vw Jetta Vw Passat Diagram

2001 Vw Jetta Radio Wiring Diagram Best Of Beautiful Aftermarket Radio Wiring Diagram Diagram Of 2001 In 2020 Electrical Wiring Diagram Diagram Trailer Wiring Diagram

2001 Vw Jetta Radio Wiring Diagram Best Of Beautiful Aftermarket Radio Wiring Diagram Diagram Of 2001 In 2020 Electrical Wiring Diagram Diagram Trailer Wiring Diagram

2003 Jetta Diagrams Free Google Search Vw Jetta Vw Passat Diagram

2003 Jetta Diagrams Free Google Search Vw Jetta Vw Passat Diagram

2000 Vw Jetta Vr6 Engine Diagram Di 2020 Vw Beetle Artis

2000 Vw Jetta Vr6 Engine Diagram Di 2020 Vw Beetle Artis

Stereo Wiring Diagram For 1998 Ford Ranger 8 In 2020 Ford Ranger Ford Probe Electrical Wiring Diagram

Stereo Wiring Diagram For 1998 Ford Ranger 8 In 2020 Ford Ranger Ford Probe Electrical Wiring Diagram

Ford Factory Amplifier Wiring Diagram Bookingritzcarlton Info Electrical Diagram Vw Passat Vw Jetta

Ford Factory Amplifier Wiring Diagram Bookingritzcarlton Info Electrical Diagram Vw Passat Vw Jetta

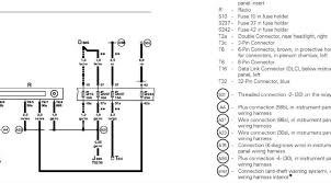
Skoda Octavia Wiring Diagram Website And Vw Mk4 Fuse Box Car Fuses

Skoda Octavia Wiring Diagram Website And Vw Mk4 Fuse Box Car Fuses

1991 Ford Ranger Installing New Stereo Deck Ford Ranger Forum Ford Ranger 2004 Ford Ranger Ranger

1991 Ford Ranger Installing New Stereo Deck Ford Ranger Forum Ford Ranger 2004 Ford Ranger Ranger

2000 Honda Accord Radio Wiring Diagram Fresh Daewoo Leganza Audio Wiring Diagram Wiring Diagrams Electrical Wiring Diagram Electrical Diagram Diagram Design

2000 Honda Accord Radio Wiring Diagram Fresh Daewoo Leganza Audio Wiring Diagram Wiring Diagrams Electrical Wiring Diagram Electrical Diagram Diagram Design

12 2003 Volkswagen Jetta Car Stereo Wiring Diagram Car Diagram Wiringg Net In 2020 Vw Passat Electrical Diagram Diagram

12 2003 Volkswagen Jetta Car Stereo Wiring Diagram Car Diagram Wiringg Net In 2020 Vw Passat Electrical Diagram Diagram

12 2002 Chevy Cavalier Car Stereo Wiring Diagram Diagram Chevy Impala Radio

12 2002 Chevy Cavalier Car Stereo Wiring Diagram Diagram Chevy Impala Radio

New Optimus Car Stereo Wiring Diagram Sistema De Audio Jeep Grand Cherokee Coches Mercedes Benz

New Optimus Car Stereo Wiring Diagram Sistema De Audio Jeep Grand Cherokee Coches Mercedes Benz

Https Encrypted Tbn0 Gstatic Com Images Q Tbn And9gcrxpoxppizpfhqkd8wz8bfz0608c1z1s8fvdjfwmh70 4jw3juv Usqp Cau

Https Encrypted Tbn0 Gstatic Com Images Q Tbn And9gcrxpoxppizpfhqkd8wz8bfz0608c1z1s8fvdjfwmh70 4jw3juv Usqp Cau

Ford Factory Amplifier Wiring Diagram Http Bookingritzcarlton Info Ford Factory Amplifier Wiring Diagram Car Amplifier Car Stereo Electrical Wiring Diagram

Ford Factory Amplifier Wiring Diagram Http Bookingritzcarlton Info Ford Factory Amplifier Wiring Diagram Car Amplifier Car Stereo Electrical Wiring Diagram

2006 Jeep Grand Cherokee Radio Wiring Diagram Vivresaville Com Jeep Grand Jeep Liberty Jeep Grand Cherokee

2006 Jeep Grand Cherokee Radio Wiring Diagram Vivresaville Com Jeep Grand Jeep Liberty Jeep Grand Cherokee

Toyota Fujitsu Ten 86120 Wiring Diagram Wiring Diagram Image Intended For Toyota 86120 Wiring Diagram Pioneer Car Stereo Car Stereo Sony Car Stereo

Toyota Fujitsu Ten 86120 Wiring Diagram Wiring Diagram Image Intended For Toyota 86120 Wiring Diagram Pioneer Car Stereo Car Stereo Sony Car Stereo

Pioneer Car Audio Wiring Diagram And Car Stereo Wiring Harness Diagram Volovets In 2020 Pioneer Car Stereo Sony Car Stereo Pioneer Car Audio

Pioneer Car Audio Wiring Diagram And Car Stereo Wiring Harness Diagram Volovets In 2020 Pioneer Car Stereo Sony Car Stereo Pioneer Car Audio

New 1998 Audi A4 Radio Wiring Diagram Car Fuses Vw Mk4 Fuse Box

New 1998 Audi A4 Radio Wiring Diagram Car Fuses Vw Mk4 Fuse Box

Source : pinterest.com