2004 Dodge Dakota Stereo Wiring Diagram

Pin On Wiring Diagram

Pin On Wiring Diagram

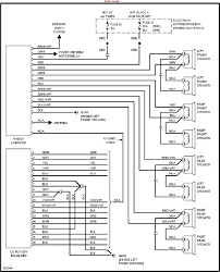
2002 Dodge Dakota Radio Wiring Diagram Dodge Dakota Dodge Diagram

2002 Dodge Dakota Radio Wiring Diagram Dodge Dakota Dodge Diagram

New 2004 Dodge Durango Radio Wiring Diagram In 2020 Dodge Dakota Dodge Ram 2500 Dodge Ram

New 2004 Dodge Durango Radio Wiring Diagram In 2020 Dodge Dakota Dodge Ram 2500 Dodge Ram

Radio Wiring Diagram Car Engine Diagrams Dodge Durango Dodge Ram 1500 Dodge Dakota

Radio Wiring Diagram Car Engine Diagrams Dodge Durango Dodge Ram 1500 Dodge Dakota

2002 Dodge Dakota Radio Wiring In 2020 2004 Dodge Ram 1500 Trailer Wiring Diagram Dodge Ram

2002 Dodge Dakota Radio Wiring In 2020 2004 Dodge Ram 1500 Trailer Wiring Diagram Dodge Ram

New 2004 Dodge Ram 1500 Infinity Wiring Diagram Diagram Diagramsample Diagramtemplate Wiringdiagram Diagramch 2004 Dodge Ram 1500 Dodge Ram 1500 Car Radio

New 2004 Dodge Ram 1500 Infinity Wiring Diagram Diagram Diagramsample Diagramtemplate Wiringdiagram Diagramch 2004 Dodge Ram 1500 Dodge Ram 1500 Car Radio

New 2004 Dodge Ram 1500 Infinity Wiring Diagram Diagram Diagramsample Diagramtemplate Wiringdiagram Diagramch 2004 Dodge Ram 1500 Dodge Ram 1500 Car Radio

It reveals the components of the circuit as streamlined forms as well as the power and also signal connections in between the gadgets.

2004 dodge dakota stereo wiring diagram. Whether your an expert dodge dakota pickup truck mobile electronics installer dodge dakota pickup truck fanatic or a novice dodge dakota pickup truck enthusiast with a 2004 dodge dakota pickup truck a car stereo wiring diagram can save yourself a lot of time. A wiring diagram is a streamlined traditional pictorial depiction of an electric circuit. Welcome guest members search register login next page prev topic next topic vannorden1214.

Assortment of 2004 dodge dakota radio wiring diagram. Adjoining wire routes may be shown approximately where particular receptacles or fixtures must be on a common circuit. For example if a module is powered up also it sends out a new signal of half the voltage and the technician does not know this he d think he provides a problem as he would expect a new 12v signal.

Pin On Dodge Wiring

Pin On Dodge Wiring

50 Lovely 2001 Dodge Dakota Radio Wiring Diagram In 2020 Dodge Ram 1500 Trailer Wiring Diagram 2001 Dodge Ram 1500

50 Lovely 2001 Dodge Dakota Radio Wiring Diagram In 2020 Dodge Ram 1500 Trailer Wiring Diagram 2001 Dodge Ram 1500

12 2001 Dodge Truck Radio Wiring Diagram Truck Diagram Wiringg Net In 2020 2001 Dodge Ram 1500 Dodge Ram 1500 Dodge Ram

12 2001 Dodge Truck Radio Wiring Diagram Truck Diagram Wiringg Net In 2020 2001 Dodge Ram 1500 Dodge Ram 1500 Dodge Ram

Ford Radio Wiring Color Code In 2020 Ford Explorer Ford Expedition F150

Ford Radio Wiring Color Code In 2020 Ford Explorer Ford Expedition F150

New 2011 Dodge Ram 1500 Radio Wiring Diagram Diagram Diagramsample Diagramtemplate Wiringdiagram Diagramchart Worksheet Dodge Ram 1500 Ram 1500 Dodge Ram

New 2011 Dodge Ram 1500 Radio Wiring Diagram Diagram Diagramsample Diagramtemplate Wiringdiagram Diagramchart Worksheet Dodge Ram 1500 Ram 1500 Dodge Ram

Pinouts Wiring Diagram Pcm To Ecm 4 7 2002 Dodge Ram Intoautos Com Image Results Dodge Ram Dodge Dodge Durango

Pinouts Wiring Diagram Pcm To Ecm 4 7 2002 Dodge Ram Intoautos Com Image Results Dodge Ram Dodge Dodge Durango

Pin On Wiring Diagrams

Pin On Wiring Diagrams

Diagram Diagramsample Diagramtemplate Wiringdiagram Diagramchart Worksheet Worksheettemplate Ch Trailer Wiring Diagram Electrical Wiring Diagram Diagram

Diagram Diagramsample Diagramtemplate Wiringdiagram Diagramchart Worksheet Worksheettemplate Ch Trailer Wiring Diagram Electrical Wiring Diagram Diagram

Awesome 2004 Dodge Neon Wiring Diagram In 2020 Trailer Wiring Diagram Car Stereo Car Audio Capacitor

Awesome 2004 Dodge Neon Wiring Diagram In 2020 Trailer Wiring Diagram Car Stereo Car Audio Capacitor

21 Ford Harness Wiring Diagram Bookingritzcarlton Info Sistema Electrico Electrica Fondos De Pantalla Animales

21 Ford Harness Wiring Diagram Bookingritzcarlton Info Sistema Electrico Electrica Fondos De Pantalla Animales

Pinouts Wiring Diagram Pcm To Ecm 4 7 2002 Dodge Ram Intoautos Com Image Results Dodge Ram 1500 Dodge Ram Dodge

Pinouts Wiring Diagram Pcm To Ecm 4 7 2002 Dodge Ram Intoautos Com Image Results Dodge Ram 1500 Dodge Ram Dodge

21 Ford Harness Wiring Diagram Bookingritzcarlton Info Ford Ranger Diagram Wire

21 Ford Harness Wiring Diagram Bookingritzcarlton Info Ford Ranger Diagram Wire

1997 Dodge Ram 1500 Transmission Wiring Diagram Inspirationa Stereo In 2020 Dodge Ram 1500 Ram 1500 Diagram

1997 Dodge Ram 1500 Transmission Wiring Diagram Inspirationa Stereo In 2020 Dodge Ram 1500 Ram 1500 Diagram

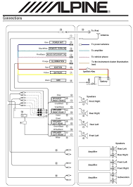
Alpine Ktp 445u Wiring Diagram In 2020 Kenwood Car Car Stereo Car Stereo Systems

Alpine Ktp 445u Wiring Diagram In 2020 Kenwood Car Car Stereo Car Stereo Systems

25 Good Sample Of Motor Control Panel Wiring Diagram Technique Https Bacamajalah Com En 2020 Diagrama De Circuito Electrico Cableado Electrico Diagrama De Circuito

25 Good Sample Of Motor Control Panel Wiring Diagram Technique Https Bacamajalah Com En 2020 Diagrama De Circuito Electrico Cableado Electrico Diagrama De Circuito

50 Dodge Ram 1500 Wiring Diagram Free Zm5q Di 2020

50 Dodge Ram 1500 Wiring Diagram Free Zm5q Di 2020

Vehicle Wiring Details For Your 2004 2005 Dodge Ram Wiring Diagram Tail Lights Google Search Dodge Ram 1500 Trailer Wiring Diagram Ram 1500

Vehicle Wiring Details For Your 2004 2005 Dodge Ram Wiring Diagram Tail Lights Google Search Dodge Ram 1500 Trailer Wiring Diagram Ram 1500

Pin On Car Radio Wiring

Pin On Car Radio Wiring

Https Encrypted Tbn0 Gstatic Com Images Q Tbn And9gcsgyovvquoe53cezwupz8j4qymc9qznpnwsjsfjvxpl0x1euygn Usqp Cau

Https Encrypted Tbn0 Gstatic Com Images Q Tbn And9gcsgyovvquoe53cezwupz8j4qymc9qznpnwsjsfjvxpl0x1euygn Usqp Cau

0900c152800715ae Dodge Ram Wiring Diagrams New 1500 Diagram Roc Magnificent 2008 Radio On 2008 Dodge Ram Wiring Diagram Dodge Ram Dodge 2004 Dodge Ram 1500

0900c152800715ae Dodge Ram Wiring Diagrams New 1500 Diagram Roc Magnificent 2008 Radio On 2008 Dodge Ram Wiring Diagram Dodge Ram Dodge 2004 Dodge Ram 1500

Renault Trafic Radio Wiring Diagram In 94 Ford Ranger Sevimliler Jurnal Proposal

Renault Trafic Radio Wiring Diagram In 94 Ford Ranger Sevimliler Jurnal Proposal

Inspirational Chrysler 300 Stereo Wiring Diagram Di 2020

Inspirational Chrysler 300 Stereo Wiring Diagram Di 2020

10 2012 Chevy Silverado Car Stereo Wiring Diagram Car Diagram Wiringg Net In 2020 Chevy Impala Truck Stereo Chevy Silverado

10 2012 Chevy Silverado Car Stereo Wiring Diagram Car Diagram Wiringg Net In 2020 Chevy Impala Truck Stereo Chevy Silverado

Pin En Truck Wiring

Pin En Truck Wiring

Source : pinterest.com

Random Posts