Beginner Basic House Wiring Rules

A wiring diagram is a simplified conventional pictorial representation of an electrical circuit. It shows the components of the circuit as simplified shapes, and the power and signal connections between the devices.

Beginner Basic House Wiring Rules. A beginner s guide to wiring your home wiring your home could be one of the most exhausting tasks if you have no idea about wiring electricity and your needs. Wiring a 4 way switch. On the roof or exterior wall of the house.

House Wiring For Beginners Diywiki House Wiring Diagram Circuit Diagram
House Wiring For Beginners Diywiki House Wiring Diagram Circuit Diagram from www.pinterest.com

The first rule to remember is that basic house wiring can be dangerous. Basic house wiring rules 14 safety tips more info here. Further information on options is available in the rewiring tips article. Wiring a 4 way switch.

A beginner s guide to wiring your home wiring your home could be one of the most exhausting tasks if you have no idea about wiring electricity and your needs.

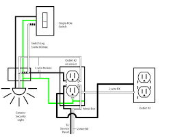
How to work with electricity safely. Further information on options is available in the rewiring tips article. In this article we ll show you some house wiring basics how to position outlet and switch boxes and run the electrical cable between them. Basic house wiring rules. How to work with electricity safely.

Beginner Basic House Wiring Rules. On the roof or exterior wall of the house. Wiring a 4 way switch.