Boat Wiring Diagram Software

Software To Document Boat Wiring The Hull Truth Boating And Fishing Forum Boat Wiring Boat Plans Plywood Boat Plans

Software To Document Boat Wiring The Hull Truth Boating And Fishing Forum Boat Wiring Boat Plans Plywood Boat Plans

Boat Wiring Diagram Software Boat Wiring Boat Restoration Boat Battery

Boat Wiring Diagram Software Boat Wiring Boat Restoration Boat Battery

Wiring Diagram Small Outboard Boat Wiring Electrical Wiring Boat

Wiring Diagram Small Outboard Boat Wiring Electrical Wiring Boat

Pin By Stavros Kelly On Studio In 2020 Light Switch Wiring Diagram Electrical Circuit Diagram

Pin By Stavros Kelly On Studio In 2020 Light Switch Wiring Diagram Electrical Circuit Diagram

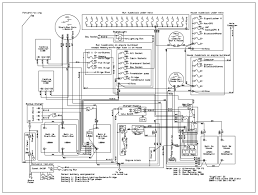
Boat Wiring Schematic Boat Wiring Boat Restoration Boat Building

Boat Wiring Schematic Boat Wiring Boat Restoration Boat Building

3 Phase Wiring Diagram For House Bookingritzcarlton Info Electrical Circuit Diagram Electrical Wiring Diagram Circuit Diagram

3 Phase Wiring Diagram For House Bookingritzcarlton Info Electrical Circuit Diagram Electrical Wiring Diagram Circuit Diagram

3 Phase Wiring Diagram For House Bookingritzcarlton Info Electrical Circuit Diagram Electrical Wiring Diagram Circuit Diagram

Smartdraw wiring diagram software.

Boat wiring diagram software. It shows the parts of the circuit as streamlined forms and the power and also signal connections between the devices. The software comes with all the required symbols for a wiring plan and also comes with some samples that can guide you in making your plan. Begin with the exact wiring diagram template you need for your house or office not just a blank screen.

Not free but powerful i use it for circuit diagrams and all my 2d drafting. Signup below for the occasional interesting not spammy boat wiring tip email and we ll email you our complete 13 page pdf with a bunch of schematics tips tricks and checklists to help with your re wire project and beyond. A wiring diagram is a streamlined conventional photographic representation of an electrical circuit.

A question often asked on boating and boat building forums and of me by visitors to my web site is. Collection of boat wiring diagram software. I need a simple wiring diagram for a small outboard boat to wire up the lights and few other things but no one seems to have one.

A wiring diagram is a streamlined standard pictorial depiction of an electric circuit. Edited november 30 2010 by chalky. Wiring diagram maker ballast pump flip centurion boat diagrams for.

I d suggest you look at microsoft visio. I used it to draw the circuit diagram for the boat. Each part ought to be placed and linked to other parts in particular way.

Dig our boat wiring content. Smartdraw s wiring diagram software gets you started quickly and finished fast. We ve got lots more cool boat wiring stuff to share.

Pin By Fred Flinstone On Boat Wiring Boat Wiring Electrical Diagram Boat Design

Pin By Fred Flinstone On Boat Wiring Boat Wiring Electrical Diagram Boat Design

Boat Wiring Schematic Free Schematics Boat Wiring Boat Restoration Boat Building

Boat Wiring Schematic Free Schematics Boat Wiring Boat Restoration Boat Building

Simple To Read Wiring Diagram For A Boat Boat Wiring Electrical Wiring Diagram Electrical Diagram

Simple To Read Wiring Diagram For A Boat Boat Wiring Electrical Wiring Diagram Electrical Diagram

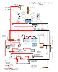
Electrical Design For Open Boats Up To 23 Feet Boat Wiring Boat Plans Boat Building Plans

Electrical Design For Open Boats Up To 23 Feet Boat Wiring Boat Plans Boat Building Plans

Boat Wiring Diagram Google Search Boat Wiring Boat Restoration Boat Plans

Boat Wiring Diagram Google Search Boat Wiring Boat Restoration Boat Plans

Alfa 156 Wiring Diagram Webtor Me Best Of Electrical Wiring Diagram Electrical Diagram Trailer Wiring Diagram

Alfa 156 Wiring Diagram Webtor Me Best Of Electrical Wiring Diagram Electrical Diagram Trailer Wiring Diagram

23 Great Ideas Of House Wiring Diagram Software Design Ideas Https Bacamajalah Com 23 Great Id Electrical Diagram Generator Transfer Switch Circuit Diagram

23 Great Ideas Of House Wiring Diagram Software Design Ideas Https Bacamajalah Com 23 Great Id Electrical Diagram Generator Transfer Switch Circuit Diagram

Unique Wiring Diagram For Jet Boat Diagram Diagramtemplate Diagramsample

Unique Wiring Diagram For Jet Boat Diagram Diagramtemplate Diagramsample

Electrical Design For Open Boats Up To 23 Feet Boat Wiring Boat Plans Boat Building Plans

Electrical Design For Open Boats Up To 23 Feet Boat Wiring Boat Plans Boat Building Plans

Sample Projects Structured Home Wiring Home Electrical Wiring House Wiring Residential Electrical

Sample Projects Structured Home Wiring Home Electrical Wiring House Wiring Residential Electrical

25 Complex Automotive Wiring Diagram Software For You Bacamajalah In 2020 Electrical Wiring Diagram Alternator Diagram

25 Complex Automotive Wiring Diagram Software For You Bacamajalah In 2020 Electrical Wiring Diagram Alternator Diagram

Wiring Schematics Ewillyscj A Wiring Electrical Wiring Diagram Electrical Wiring Willys Jeep

Wiring Schematics Ewillyscj A Wiring Electrical Wiring Diagram Electrical Wiring Willys Jeep

Motorguide Trolling Motor Wiring Diagram Motorguide Wire Diagram Page 1 Iboats Boating Forums 293353 Desi Trolling Motor Motorguide Trolling Motor Boat Wiring

Motorguide Trolling Motor Wiring Diagram Motorguide Wire Diagram Page 1 Iboats Boating Forums 293353 Desi Trolling Motor Motorguide Trolling Motor Boat Wiring

Freeelectricity Diagram Boat Solar Energy Projects

Freeelectricity Diagram Boat Solar Energy Projects

Beautiful Apple Time Capsule Wiring Diagram Diagrams Digramssample Diagramimages Electrical Diagram Single Line Diagram Electrical Wiring Diagram

Beautiful Apple Time Capsule Wiring Diagram Diagrams Digramssample Diagramimages Electrical Diagram Single Line Diagram Electrical Wiring Diagram

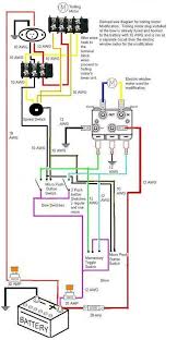
How To Wire A 5 Channel Amp Diagram Diagram Design Simple Boat Car Amp

How To Wire A 5 Channel Amp Diagram Diagram Design Simple Boat Car Amp

How To Wire A Boat Beginners Guide With Diagrams New Wire Marine In 2020 Boat Wiring Boat Trailer Lights Boat

How To Wire A Boat Beginners Guide With Diagrams New Wire Marine In 2020 Boat Wiring Boat Trailer Lights Boat

26 Best Sample Of Free Electrical Wiring Diagram Software Https Bacamajalah C Electrical Circuit Diagram Electrical Wiring Diagram Congratulations New Home

26 Best Sample Of Free Electrical Wiring Diagram Software Https Bacamajalah C Electrical Circuit Diagram Electrical Wiring Diagram Congratulations New Home

Https Encrypted Tbn0 Gstatic Com Images Q Tbn And9gcsc H79v9d9fcbm66kuojuujyakkp1awufrhkcf 1fkbbc0uglt Usqp Cau

Https Encrypted Tbn0 Gstatic Com Images Q Tbn And9gcsc H79v9d9fcbm66kuojuujyakkp1awufrhkcf 1fkbbc0uglt Usqp Cau

Fresh Wiring Diagram Suzuki Quadrunner Diagrams Digramssample Diagramimages Wiringdiagramsample Wiringdiagram Boat Wiring Diagram Car Gauges

Fresh Wiring Diagram Suzuki Quadrunner Diagrams Digramssample Diagramimages Wiringdiagramsample Wiringdiagram Boat Wiring Diagram Car Gauges

New Electric Drawing Diagram Wiringdiagram Diagramming Diagramm Visuals Visualisation G Electrical Circuit Diagram Circuit Diagram Circuit Diagram Maker

New Electric Drawing Diagram Wiringdiagram Diagramming Diagramm Visuals Visualisation G Electrical Circuit Diagram Circuit Diagram Circuit Diagram Maker

Unique Wiring Diagram For Jet Boat Diagram Diagramtemplate Diagramsample

Unique Wiring Diagram For Jet Boat Diagram Diagramtemplate Diagramsample

Car Audio 2 Amp Wiring Diagram In 2020 Schaltplan Dodge Ford Ranger

Car Audio 2 Amp Wiring Diagram In 2020 Schaltplan Dodge Ford Ranger

Complete Zongshen 200cc Wiring Diagram 200cc Lifan Wiring Diagram Youtube Aznakay Layout Maker Marine Stereo Car Stereo

Complete Zongshen 200cc Wiring Diagram 200cc Lifan Wiring Diagram Youtube Aznakay Layout Maker Marine Stereo Car Stereo

Source : pinterest.com