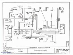
Ezgo Txt 48 Volt Battery Wiring Diagram

Battery Diagram For 36 To 48 Volt Conversion Golf Cart Batteries Electric Golf Cart Golf Carts

Battery Diagram For 36 To 48 Volt Conversion Golf Cart Batteries Electric Golf Cart Golf Carts

Unique Ezgo Txt Series Wiring Diagram Diagram Diagramsample Diagramtemplate Wiringdiagram Diagramchart W Club Car Golf Cart Ezgo Golf Cart Gas Golf Carts

Unique Ezgo Txt Series Wiring Diagram Diagram Diagramsample Diagramtemplate Wiringdiagram Diagramchart W Club Car Golf Cart Ezgo Golf Cart Gas Golf Carts

Ezgo Golf Cart Wiring Diagram Wiring Diagram For Ez Go 36volt Systems With Resistor Coils Golfcarts Golf Cart Batteries Golf Carts Ezgo Golf Cart

Ezgo Golf Cart Wiring Diagram Wiring Diagram For Ez Go 36volt Systems With Resistor Coils Golfcarts Golf Cart Batteries Golf Carts Ezgo Golf Cart

We Added Several Wiring Diagrams For Ezgo Cc On Our Site For Your Benefit Feel Free To Download And Use The Electric Golf Cart Club Car Golf Cart Golf Carts

We Added Several Wiring Diagrams For Ezgo Cc On Our Site For Your Benefit Feel Free To Download And Use The Electric Golf Cart Club Car Golf Cart Golf Carts

Electric Ezgo Golf Cart Wiring Diagrams Ezgo Golf Cart Electric Golf Cart Golf Carts

Electric Ezgo Golf Cart Wiring Diagrams Ezgo Golf Cart Electric Golf Cart Golf Carts

Western Golf Cart Battery Wiring Diagram Within Ez Go Ezgo Golf Cart Gas Golf Carts Golf Cart Parts

Western Golf Cart Battery Wiring Diagram Within Ez Go Ezgo Golf Cart Gas Golf Carts Golf Cart Parts

Western Golf Cart Battery Wiring Diagram Within Ez Go Ezgo Golf Cart Gas Golf Carts Golf Cart Parts

New Ezgo Txt Headlight Wiring Diagram Diagram Diagramsample Diagramtemplate Wiringdiagram Diagramchart Worksheet Ezgo Golf Cart Gas Golf Carts Golf Carts

New Ezgo Txt Headlight Wiring Diagram Diagram Diagramsample Diagramtemplate Wiringdiagram Diagramchart Worksheet Ezgo Golf Cart Gas Golf Carts Golf Carts

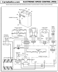
Cartaholics Golf Cart Forum Ezgo Golf Cart Golf Carts Electric Golf Cart

Cartaholics Golf Cart Forum Ezgo Golf Cart Golf Carts Electric Golf Cart

Basic Ezgo Electric Golf Cart Wiring And Manuals Electric Golf Cart Gas Golf Carts Ezgo Golf Cart

Basic Ezgo Electric Golf Cart Wiring And Manuals Electric Golf Cart Gas Golf Carts Ezgo Golf Cart

Ezgo Txt Solenoid Wiring Diagram In 2020 Ezgo Golf Cart Golf Carts Electric Golf Cart

Ezgo Txt Solenoid Wiring Diagram In 2020 Ezgo Golf Cart Golf Carts Electric Golf Cart

Bad Boy Buggies 48 Volt Wiring Electric Golf Cart Gas Golf Carts Ezgo Golf Cart

Bad Boy Buggies 48 Volt Wiring Electric Golf Cart Gas Golf Carts Ezgo Golf Cart

Car Electric Golf Cart Wiring Diagram Www Anatomynote Com Electric Golf Cart Club Car Golf Cart Golf Carts

Car Electric Golf Cart Wiring Diagram Www Anatomynote Com Electric Golf Cart Club Car Golf Cart Golf Carts

Whats The Correct Way To Wire My Voltage Reducer And Fuse Block Golf Carts Yamaha Golf Carts Electric Golf Cart

Whats The Correct Way To Wire My Voltage Reducer And Fuse Block Golf Carts Yamaha Golf Carts Electric Golf Cart

2000 Club Car Ds 48 Volt Wiring Diagram Electrical Wiring Diagram Gas Golf Carts Golf Carts

2000 Club Car Ds 48 Volt Wiring Diagram Electrical Wiring Diagram Gas Golf Carts Golf Carts

Club Car Golf Cart Wiring Diagram 36 Volt Electric Golf Cart Club Car Golf Cart Golf Carts

Club Car Golf Cart Wiring Diagram 36 Volt Electric Golf Cart Club Car Golf Cart Golf Carts

Wiring Diagram 1999 Club Car Golf Cart In 2020 Club Car Golf Cart Golf Carts Ezgo Golf Cart

Wiring Diagram 1999 Club Car Golf Cart In 2020 Club Car Golf Cart Golf Carts Ezgo Golf Cart

Wiring Diagram For Club Car Lights Diagram Diagramtemplate Diagramsample Mitsubishi Diamante Carrito De Golf Golf

Wiring Diagram For Club Car Lights Diagram Diagramtemplate Diagramsample Mitsubishi Diamante Carrito De Golf Golf

1998 1999 Club Car Ds Gas Or Electric Golfcartpartsdirect In 2020 Electric Golf Cart Club Car Golf Cart Golf Carts

1998 1999 Club Car Ds Gas Or Electric Golfcartpartsdirect In 2020 Electric Golf Cart Club Car Golf Cart Golf Carts

16 Columbia Par Car Golf Cart Wiring Diagram Car Diagram Wiringg Net In 2020 Ezgo Golf Cart Wire Electric Golf Cart

16 Columbia Par Car Golf Cart Wiring Diagram Car Diagram Wiringg Net In 2020 Ezgo Golf Cart Wire Electric Golf Cart

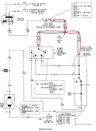
Golf Cart Lights Installation Discussion Golf Cart Talk Golf Cart Batteries Ezgo Golf Cart Electric Golf Cart

Golf Cart Lights Installation Discussion Golf Cart Talk Golf Cart Batteries Ezgo Golf Cart Electric Golf Cart

Wiring 36 Volt Club Car Golf Cart Club Car Golf Cart Accessories Ezgo Golf Cart

Wiring 36 Volt Club Car Golf Cart Club Car Golf Cart Accessories Ezgo Golf Cart

36 Volt Ez Go Wiring Diagram For Batteries Yahoo Image Search Results Ceiling Fan Wiring Westinghouse Desk Fan

36 Volt Ez Go Wiring Diagram For Batteries Yahoo Image Search Results Ceiling Fan Wiring Westinghouse Desk Fan

1975 Ezgo Golf Cart Wiring Diagram In 2020 Golf Carts Ezgo Golf Cart Gas Golf Carts

1975 Ezgo Golf Cart Wiring Diagram In 2020 Golf Carts Ezgo Golf Cart Gas Golf Carts

1995 Club Car Wiring Diagram Club Car 1992 1994 Wiring Diagram Club Car Golf Cart Ezgo Golf Cart Electric Golf Cart

1995 Club Car Wiring Diagram Club Car 1992 1994 Wiring Diagram Club Car Golf Cart Ezgo Golf Cart Electric Golf Cart

3

3

Best Of Ez Go Powerwise Qe Charger Wiring Diagram In 2020 Ezgo Golf Cart Golf Carts Diagram

Best Of Ez Go Powerwise Qe Charger Wiring Diagram In 2020 Ezgo Golf Cart Golf Carts Diagram

Club Car Light Wiring Diagram On 36v Electric Golf Cart Wiring Diagram Electric Golf Cart Golf Cart Repair Ezgo Golf Cart

Club Car Light Wiring Diagram On 36v Electric Golf Cart Wiring Diagram Electric Golf Cart Golf Cart Repair Ezgo Golf Cart

Club Car Battery Wiring Diagram 36 Volt In 2020 Club Car Golf Cart Electric Golf Cart Electrical Circuit Diagram

Club Car Battery Wiring Diagram 36 Volt In 2020 Club Car Golf Cart Electric Golf Cart Electrical Circuit Diagram

Yamaha G16a Golf Cart Wiring Diagram Gas Yamaha Gas Golf Cart Golf Carts Golf Cart Motor

Yamaha G16a Golf Cart Wiring Diagram Gas Yamaha Gas Golf Cart Golf Carts Golf Cart Motor

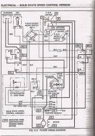
Cushman Golf Cart Wiring Diagrams Ezgo Golf Cart Wiring Diagram Ezgo Forward And Reverse Switch Wiring Golf Cart Motor Club Car Golf Cart Gas Golf Carts

Cushman Golf Cart Wiring Diagrams Ezgo Golf Cart Wiring Diagram Ezgo Forward And Reverse Switch Wiring Golf Cart Motor Club Car Golf Cart Gas Golf Carts

Source : pinterest.com