Semi Trailer Wiring Diagram With Abs

A wiring diagram is a simplified conventional pictorial representation of an electrical circuit. It shows the components of the circuit as simplified shapes, and the power and signal connections between the devices.

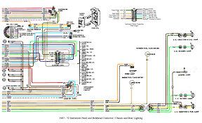
Semi Trailer Wiring Diagram With Abs. Voltage ground single component and switches. Collection of semi trailer wiring schematic. It reveals the parts of the circuit as streamlined forms as well as the power and signal connections in between the tools.

16 1990 Western Star Dump Truck Wiring Diagram Truck Diagram Wiringg Net In 2020 Trailer Light Wiring Western Star Trucks Diagram
16 1990 Western Star Dump Truck Wiring Diagram Truck Diagram Wiringg Net In 2020 Trailer Light Wiring Western Star Trucks Diagram from www.pinterest.com

It may transfer power better hence the connector is suggested for higher level electric in the auto. White pin for the floor. Find your semi trailer wiring diagram with abs here for semi trailer wiring diagram with abs and you can print out. This vehicle is designed not only to travel one place to another but also to take heavy loads.

Semi trailer abs light wiring diagram source.

Search for semi trailer wiring diagram with abs here and subscribe to this site semi trailer wiring diagram with abs read more. It reveals the parts of the circuit as streamlined forms as well as the power and signal connections in between the tools. Here is the diagram for 7 pin connector. Find your semi trailer wiring diagram with abs here for semi trailer wiring diagram with abs and you can print out. This vehicle is designed not only to travel one place to another but also to take heavy loads.

Semi Trailer Wiring Diagram With Abs. Voltage ground single component and switches. All circuits are usually the same.