Siemens Simatic S7 200 Wiring Diagram

Wiring Diagram Plc Mitsubishi Http Bookingritzcarlton Info Wiring Diagram Plc Mitsubishi Diagram Circuit Diagram Wire

Wiring Diagram Plc Mitsubishi Http Bookingritzcarlton Info Wiring Diagram Plc Mitsubishi Diagram Circuit Diagram Wire

Hardware Details Of Plc S7 200 Series Model S7 224

Hardware Details Of Plc S7 200 Series Model S7 224

Siemens Plc Training S7 200 Plc Trainer Microwin Plc Programming Plc Simulator Electrical Engineering Projects

Siemens Plc Training S7 200 Plc Trainer Microwin Plc Programming Plc Simulator Electrical Engineering Projects

Connection Delta Hmi S7 200 Siemens Delta Hmi Delta Plc S7200 Microwin S7200 Siemens Rs485 Modbus Plc Programming Arduino Siemens

Connection Delta Hmi S7 200 Siemens Delta Hmi Delta Plc S7200 Microwin S7200 Siemens Rs485 Modbus Plc Programming Arduino Siemens

Plc Panel Wiring Diagram Bookingritzcarlton Info Diagram Wire Electrical Panel

Plc Panel Wiring Diagram Bookingritzcarlton Info Diagram Wire Electrical Panel

Siemens Plc S7 300 Controls The Motor To Start Up Ladder Diagram Programming Examples Plc Programming Plc Programming Start Up Diagram

Siemens Plc S7 300 Controls The Motor To Start Up Ladder Diagram Programming Examples Plc Programming Plc Programming Start Up Diagram

Siemens Plc S7 300 Controls The Motor To Start Up Ladder Diagram Programming Examples Plc Programming Plc Programming Start Up Diagram

Basic diagram simatic s7 200 bangla tutorial part 01 as you know in bangladesh we are the leading supplier company for industrial sensors automation and pharmaceutical products.

Siemens simatic s7 200 wiring diagram. Input block diagram for em 231 and em 235 c c a ra a rloop c c c b rb b rloop c c c c rc c rloop a 1 a 2 a 3 input filter mux 4 to 1 buffer. Figure a 12 wiring diagrams for analog expansion modules. Siemens simatic s7 manuals and guides presented by.

Features of the lad editor the lad editor displays the program as a graphical representation similar to electrical wiring diagrams. Siemens s7 200 wiring diagram wiring diagram is a simplified within acceptable limits pictorial representation of an electrical circuit it shows the components of the circuit as simplified shapes and the capacity and signal links in the midst of the devices. The wide variety of s7 200 models and the.

Remaining pump is standby and should run if any of duty pump trips and also should run as duty pump in cyclic chnagover. I used to use s7 200 224xp cpu for this but its a first time using s1214c cpu. S7 200 programmable controller system manual 400.

Any pump can come on duty as demand occurs and rest of any 2 pumps can assist if setpoint is not acheived. View and download siemens simatic s7 200 system manual. Technical specifications appendix a 403.

0 hi friends i bought a sinamics v60 drive and 1fl5 servo motor with it now i need to run this servo motor through my s7 200 cpu224 cn plc the connections inthe manual is not clear can any one help me by specifing the wiring diagram of plc outputs with the sinamics v60 drive terminals. Appendix a 2 address areas of the s7 200 address areas of the s7 200 the diagram below shows the memory addresses of the s7 200 plc where inputs and outputs are mapped. The s7 200 series is a line of micro programmable logic controllers micro plcs that can control a variety of automation applications.

For example if a voltage is applied to a physical input this 1 signal is mapped at an address in the memory that is assigned to this input. In this video the connection to the wiring of siemens plc s7 200 has been done with an easy way this video describes how to wire your controller.

Wiring Diagram Plc Omron Bookingritzcarlton Info Diagram Plc Programming Wire

Wiring Diagram Plc Omron Bookingritzcarlton Info Diagram Plc Programming Wire

Conveyor Control Using Siemens Plc Siemens Conveyor Control

Conveyor Control Using Siemens Plc Siemens Conveyor Control

For Plc Controller Programming Software Mcprogrammer Meet Iec61131 3 Internation Standard Programmable Logic Controllers Plc Programming Programing Software

For Plc Controller Programming Software Mcprogrammer Meet Iec61131 3 Internation Standard Programmable Logic Controllers Plc Programming Programing Software

Electrical Blog Ac Motor Control Circuit Electrical Circuit Diagram Electronic Engineering Electrical Wiring Diagram

Electrical Blog Ac Motor Control Circuit Electrical Circuit Diagram Electronic Engineering Electrical Wiring Diagram

Siemens Simatic S7 1200 Part 2 Re Usable Libraries Youtube Basic Software Siemens Usability

Siemens Simatic S7 1200 Part 2 Re Usable Libraries Youtube Basic Software Siemens Usability

Pin On Plc Programming

Pin On Plc Programming

Electrical Contactor Wiring Diagram Additionally Star Delta Starter Circuit Diagram Together With 2016 Chevy Sil Custom Wheels Electricity 2016 Chevy Silverado

Electrical Contactor Wiring Diagram Additionally Star Delta Starter Circuit Diagram Together With 2016 Chevy Sil Custom Wheels Electricity 2016 Chevy Silverado

Siemen S Plc Simatic S7 200 Used For Conveyor Control With Forward And Reverse Direction Control Of Motor Programmable Logic Controllers Conveyor Siemens

Siemen S Plc Simatic S7 200 Used For Conveyor Control With Forward And Reverse Direction Control Of Motor Programmable Logic Controllers Conveyor Siemens

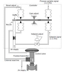
Pin On Valvulas

Pin On Valvulas

Plc Control Cabinet With Siemens Plc Simatic S7 400 Electrical Engineering Projects Electronic Engineering Home Electrical Wiring

Plc Control Cabinet With Siemens Plc Simatic S7 400 Electrical Engineering Projects Electronic Engineering Home Electrical Wiring

Ghim Tren Cap Lập Trinh Plc Hmi Gia Rẻ

Ghim Tren Cap Lập Trinh Plc Hmi Gia Rẻ

Siemens Simatic Pc Based Automation Automation Process Control Siemens

Siemens Simatic Pc Based Automation Automation Process Control Siemens

Siemens Plc Training S7 200 Plc Trainer Microwin Siemens Plc Simulator Plc Programming

Siemens Plc Training S7 200 Plc Trainer Microwin Siemens Plc Simulator Plc Programming

Siemens Plc All Kinds Of Models Best Price Fast Deliver Time This Or That Questions Siemens Interview Questions

Siemens Plc All Kinds Of Models Best Price Fast Deliver Time This Or That Questions Siemens Interview Questions

Pin On Plc Programming

Pin On Plc Programming

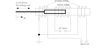
Working Of Lvdt Linear Transducer Variables

Working Of Lvdt Linear Transducer Variables

Arduino Hack Plc Siemens Through Lan Wifi Industrial Ethernet Network Today I D Share With You How To Connect Arduino With Plc S Arduino Wifi Wifi Router

Arduino Hack Plc Siemens Through Lan Wifi Industrial Ethernet Network Today I D Share With You How To Connect Arduino With Plc S Arduino Wifi Wifi Router

Siemens S7 200 Smart Cpu Siemens Siemensplc Siemensacdrive Siemenss7200smart S7200 S71200 Acdrive Siemensg120c Pm240 2 Siemenssmps In 2020

Siemens S7 200 Smart Cpu Siemens Siemensplc Siemensacdrive Siemenss7200smart S7200 S71200 Acdrive Siemensg120c Pm240 2 Siemenssmps In 2020

Https Encrypted Tbn0 Gstatic Com Images Q Tbn And9gcsi2ncsfuhorb27tiz6n7lob Ku0tz5ni7e7xwgb1e Usqp Cau

Https Encrypted Tbn0 Gstatic Com Images Q Tbn And9gcsi2ncsfuhorb27tiz6n7lob Ku0tz5ni7e7xwgb1e Usqp Cau

Motor Speed Control With The Help Of Hmi By Using S7 300 Plc Slider To Control The Speed Of Motor Gauge To Read The Actual Speed Motor Speed Train Speed

Motor Speed Control With The Help Of Hmi By Using S7 300 Plc Slider To Control The Speed Of Motor Gauge To Read The Actual Speed Motor Speed Train Speed

Beckhoff Bk5200 Devicenet Bus Coupler For Up To 64 Bus Terminals Beckhoff Control System Ebay Bus Terminal

Beckhoff Bk5200 Devicenet Bus Coupler For Up To 64 Bus Terminals Beckhoff Control System Ebay Bus Terminal

Ghim Tren Tự Chế Cap Lập Trinh Plc Hmi Handmade

Ghim Tren Tự Chế Cap Lập Trinh Plc Hmi Handmade

Learn 5 Plcs In A Day Ab Siemens Schneider Omron Delta Udemy Programmable Logic Controllers Siemens Ladder Logic

Learn 5 Plcs In A Day Ab Siemens Schneider Omron Delta Udemy Programmable Logic Controllers Siemens Ladder Logic

6es7901 3db30 0xa0 Usb Ppi Usb Ppi Programming Cable For Siemens S7 200 Plc Pc Ppi Pcppi Usb Version 6es7 901 3db30 0xa0 Win7 Usb Cable Power Cable

6es7901 3db30 0xa0 Usb Ppi Usb Ppi Programming Cable For Siemens S7 200 Plc Pc Ppi Pcppi Usb Version 6es7 901 3db30 0xa0 Win7 Usb Cable Power Cable

Source : pinterest.com