распиновка усилителя Bose Audi A6 C5

34839d1150561827 Tapping Into 2003 Bose Amp Bose Amp Connection Diagram Jpg 647 955 Car Amplifier Bose Amplifier

34839d1150561827 Tapping Into 2003 Bose Amp Bose Amp Connection Diagram Jpg 647 955 Car Amplifier Bose Amplifier

Shtatnaya Muzyka Audi A6c5 Navigation Plus Bose Mp3 Xcarlink Youtube

Shtatnaya Muzyka Audi A6c5 Navigation Plus Bose Mp3 Xcarlink Youtube

Podklyuchenie Magnitoly K Bose Audi A4 A6 Passat B5 Skoda 2020 Youtube

Podklyuchenie Magnitoly K Bose Audi A4 A6 Passat B5 Skoda 2020 Youtube

Podklyuchenie Sabvufera Audi A6 S5 Avto Bryansk

Podklyuchenie Sabvufera Audi A6 S5 Avto Bryansk

Audi A2 A3 A4 A6 A8 Bose Soundsystem Adapter Installieren Youtube

Audi A2 A3 A4 A6 A8 Bose Soundsystem Adapter Installieren Youtube

Audiosistema Symphony Voprosy Neispravnosti Obmen Opytom Stranica 3 Audi Club Russia

Audiosistema Symphony Voprosy Neispravnosti Obmen Opytom Stranica 3 Audi Club Russia

Audiosistema Symphony Voprosy Neispravnosti Obmen Opytom Stranica 3 Audi Club Russia

штатный усилитель bose отправлено в авто сигнализации навигация и автозвук.

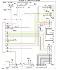
распиновка усилителя bose audi a6 c5. схема подключение автомагнитолы в audi практически не отличается от других вариантов соединения головного устройства в авто. автор орехов 25 июн 2010 10 06 авторизуйтесь для ответа в теме. рассмотрены автомобили audi a6 и audi a6 avant 1997 1998 1999 2000 2001.

схему проводки автомобиля audi a6 и других блоков электрооборудования моделей ауди смотрите. Audi bose audi vw. 4f5 035 223a 4f5 910 223.

Audi a6 s6 2005 2009 mmi2. не работают динамики на задней полке. с акустической системой bose.

5 канальный 2 рядный разъем 25 контактов. Audi a6 s6 2005 2009 mmi2. Audi a6 1998 2004 symphony.

Row prod 426 010 020 row prod. просьба о помощи в подключении bose к нештатной магнитоле. Audi a6 allroad 2006 2008 mmi2.

Audi a6 1998 2004 concert i. A6 4f 2006. Audi a6 1998 2004 navigation plus rns d.

Ne Rabotayut Zadnie Dinamiki

Ne Rabotayut Zadnie Dinamiki

Zapusk Bose Ot Neshtatnoj Magnitoly Audi Club Russia

Zapusk Bose Ot Neshtatnoj Magnitoly Audi Club Russia

006 Demontazh Bloka Navigacii Tv Tyunera Usilitelya Zvuka Audi A6 C6 4f Youtube

006 Demontazh Bloka Navigacii Tv Tyunera Usilitelya Zvuka Audi A6 C6 4f Youtube

I Snova Podklyuchenie Rodnogo Saba Blaupunkt A6 S5 Audi Club Russia

I Snova Podklyuchenie Rodnogo Saba Blaupunkt A6 S5 Audi Club Russia

Shema Podklyuchenie Avtomagnitoly V Audi Rassmotrim Podrobno

Shema Podklyuchenie Avtomagnitoly V Audi Rassmotrim Podrobno

Audi A6 C5 Ustanovka Aktivnogo Subwoofer Na Originalnuyu Audi Navigation Plus Youtube

Audi A6 C5 Ustanovka Aktivnogo Subwoofer Na Originalnuyu Audi Navigation Plus Youtube

Byi8w4zsdatcnm

Byi8w4zsdatcnm

Kak Vybrat I Ustanovit Sabvufer Na Audi

Kak Vybrat I Ustanovit Sabvufer Na Audi

Remont Usilitelya Bose Dlya Audi A6 Q7 Youtube

Remont Usilitelya Bose Dlya Audi A6 Q7 Youtube

Car Audio Audi A6 C5 Oreviews And Personal Experience On Drive2

Car Audio Audi A6 C5 Oreviews And Personal Experience On Drive2

Bose Audi Kupit Audio I Videotehniku Dlya Avto V Rossii B U I Novaya Elektronika Dlya Avto Avito

Bose Audi Kupit Audio I Videotehniku Dlya Avto V Rossii B U I Novaya Elektronika Dlya Avto Avito

Zamena Shtatnoj Magnitoly V A6 S5 Avto Signalizacii Navigaciya I Avtozvuk Audi Forum Mezhdunarodnyj Forum Audi

Zamena Shtatnoj Magnitoly V A6 S5 Avto Signalizacii Navigaciya I Avtozvuk Audi Forum Mezhdunarodnyj Forum Audi

Ne Rabotayut Shtatnye Zadnie Dinamiki I Sabvufer V Audi A4 B5 Avant 2000 G Kak Podklyuchit Youtube

Ne Rabotayut Shtatnye Zadnie Dinamiki I Sabvufer V Audi A4 B5 Avant 2000 G Kak Podklyuchit Youtube

Shema Podklyucheniya Shtatnogo Sabvufera Audi A6 S5

Shema Podklyucheniya Shtatnogo Sabvufera Audi A6 S5

Car Audio Audi A6 C5 Oreviews And Personal Experience On Drive2

Car Audio Audi A6 C5 Oreviews And Personal Experience On Drive2

Audi A6 C5 Ustanovka 2din Magnitoly Shema Podklyucheniya K Shtatnomu Usilitelyu Vse Stati Katalog Statej Magazin Avtozapchasti Profi

Audi A6 C5 Ustanovka 2din Magnitoly Shema Podklyucheniya K Shtatnomu Usilitelyu Vse Stati Katalog Statej Magazin Avtozapchasti Profi

Audi Avtozvuk Olx Ua

Audi Avtozvuk Olx Ua

Avtozvuk Audi A6 C5 Otzyvy I Bortzhurnaly Na Drive2

Avtozvuk Audi A6 C5 Otzyvy I Bortzhurnaly Na Drive2

3

3

Shema Podklyucheniya Shtatnogo Sabvufera Audi A6 S5

Shema Podklyucheniya Shtatnogo Sabvufera Audi A6 S5

Shtatnaya Magnitola Audi A6 Android 8 Shtatnye Magnitoly Kiev

Shtatnaya Magnitola Audi A6 Android 8 Shtatnye Magnitoly Kiev

Remont Usilitelya Bose Audi A6 Q7 A8 V Centre Remonta Blokov Upravleniya Ecufix Ru V Moskve

Remont Usilitelya Bose Audi A6 Q7 A8 V Centre Remonta Blokov Upravleniya Ecufix Ru V Moskve

Aktivaciya Cd Chejndzhera Dlya Aux Audi Cq Ja1920l Cq Ja1924l Avto Audio Forum Po Radioelektronike

Aktivaciya Cd Chejndzhera Dlya Aux Audi Cq Ja1920l Cq Ja1924l Avto Audio Forum Po Radioelektronike

Raspinovka Razemov Avtomagnitol Radio Dlya Vseh

Raspinovka Razemov Avtomagnitol Radio Dlya Vseh

Source : pinterest.com

Random Posts