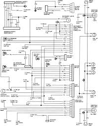
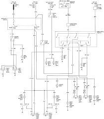
1955 Chevy Headlight Switch Diagram

55 Chevy Headlight Switch Wiring Diagram Light Switch Wiring Electrical Diagram Diagram

55 Chevy Headlight Switch Wiring Diagram Light Switch Wiring Electrical Diagram Diagram

55 Chevy Color Wiring Diagram Chevy 55 Chevy Trailer Light Wiring

55 Chevy Color Wiring Diagram Chevy 55 Chevy Trailer Light Wiring

Universal Ignition Switch Wiring Diagram Inspirational 1955 Chevy Of For 1955 Chevy Ignition Switch Wiring Diagram

Universal Ignition Switch Wiring Diagram Inspirational 1955 Chevy Of For 1955 Chevy Ignition Switch Wiring Diagram

10 1950 Chevy Truck Light Switch Wiring Diagram Light Switch Wiring Truck Lights Installing A Light Switch

10 1950 Chevy Truck Light Switch Wiring Diagram Light Switch Wiring Truck Lights Installing A Light Switch

1955 Chevy Turn Signal Wiring Diagram Wiringdiagram Org Diagram Chevy Trucks 1955 Chevy

1955 Chevy Turn Signal Wiring Diagram Wiringdiagram Org Diagram Chevy Trucks 1955 Chevy

17 1955 Chevrolet Truck Wiring Diagram Electrical Wiring Diagram Chevy Trucks Trailer Wiring Diagram

17 1955 Chevrolet Truck Wiring Diagram Electrical Wiring Diagram Chevy Trucks Trailer Wiring Diagram

17 1955 Chevrolet Truck Wiring Diagram Electrical Wiring Diagram Chevy Trucks Trailer Wiring Diagram

All my videos are in 1080p hi def so check that outthis video is a bout the very common 4 function gm headlight switch that was around from about 67 88 i.

1955 chevy headlight switch diagram. Print the cabling diagram off and use highlighters to be able to trace the circuit. You can save this graphic file to your own personal pc. 1955 chevy headlight wiring diagram fall protection harness for schematics.

Car c10 wiring diagrams lights chevrolet wiring diagram headlight. This is the wiring diagram headlight switch 55 chevrolet readingrat of a photo i get off the 1970 chevy truck headlight switch wiring diagram collection. Without a headlight switch your headlights and dash lights will be dark.

Wiring diagram for vw touareg best 1955 chevy headlight switch. When you employ your finger or perhaps follow the circuit with your eyes. Light switch sheet 6 00.

Diagram 1955 chevy truck headlight switch wiring full version hd quality ebookmoon laure westphal psychologue fr 1953 bel air diagramtowel pisciculture saintcesaire 57 coveringwiring classekiteboardingitalia it artdiagram artistesdetalents 56 light zirconiumphasediagram daickoduboisdeliers 1950 shoebox ford motortechengineering 1956. We also have some more images associated to 1970 chevy truck headlight switch wiring diagram please see the pic gallery below. Chevy headlight switch wiring diagram collections of wiring diagram for vw touareg valid 1955 chevy headlight switch.

1955 chevy truck headlight switch wiring diagram. When you use your finger or follow the circuit together with your eyes it is easy to mistrace the circuit. 1955 chevy headlight switch wiring diagram source.

1955 passenger assembly manual section 0. 1 trick that i 2 to print a similar wiring plan off twice. Diagram 1955 chevy truck light switch wiring full version hd quality discretediagram pisciculture saintcesaire fr.

Image Result For 55 Chevy Ignition Switch Wiring Diagram Pdf Chevy 1955 Chevy 55 Chevy

Image Result For 55 Chevy Ignition Switch Wiring Diagram Pdf Chevy 1955 Chevy 55 Chevy

Electric Wiring Diagram Chassis Tail Lamp Chevy Trucks 1966 Chevy Truck Chevy

Electric Wiring Diagram Chassis Tail Lamp Chevy Trucks 1966 Chevy Truck Chevy

1957 Chevy Ignition Switch Wiring Diagram Chevy Trailer Light Wiring 57 Chevy Bel Air

1957 Chevy Ignition Switch Wiring Diagram Chevy Trailer Light Wiring 57 Chevy Bel Air

12 1957 Chevy Truck Wiring Diagram Truck Diagram Wiringg Net In 2020 Powerstroke Chevy Trucks 1957 Chevrolet

12 1957 Chevy Truck Wiring Diagram Truck Diagram Wiringg Net In 2020 Powerstroke Chevy Trucks 1957 Chevrolet

Pin On Trucks

Pin On Trucks

Willys Truck Light Switch Wiring Diagram Google Search 1950 1 2 To 1956 Willys Truck Pickup Trucks Instrument Cluster Light Switch Wiring

Willys Truck Light Switch Wiring Diagram Google Search 1950 1 2 To 1956 Willys Truck Pickup Trucks Instrument Cluster Light Switch Wiring

Pin On Diagram Sample

Pin On Diagram Sample

Car Amplifier Wiring Diagram Installation Chevrolet Truck Dash Warning Lights Chevrolet Truck Dash Warning Ligh In 2020 Car Amplifier Chevy Trucks Trailer Light Wiring

Car Amplifier Wiring Diagram Installation Chevrolet Truck Dash Warning Lights Chevrolet Truck Dash Warning Ligh In 2020 Car Amplifier Chevy Trucks Trailer Light Wiring

New Wiring Diagram Immersion Heater Switch Light Switch Wiring Electrical Switch Wiring Electrical Switches

New Wiring Diagram Immersion Heater Switch Light Switch Wiring Electrical Switch Wiring Electrical Switches

How To Wire A On Off On Toggle Switch Motorcycle Wiring Light Switch Wiring 12v Led Lights

How To Wire A On Off On Toggle Switch Motorcycle Wiring Light Switch Wiring 12v Led Lights

Electric Wiring Diagram Instrument Panel Chevy Trucks 1963 Chevy Truck Chevy C10

Electric Wiring Diagram Instrument Panel Chevy Trucks 1963 Chevy Truck Chevy C10

Gm Express Turn Signal Wiring Diagram Need The Wiring Diagram For The Headlights Flashers Turn Diagram Headlights Chevy

Gm Express Turn Signal Wiring Diagram Need The Wiring Diagram For The Headlights Flashers Turn Diagram Headlights Chevy

Pin By Sergio Canesin On My Saves In 2020 Chevy Trucks Chevrolet Trucks Trucks

Pin By Sergio Canesin On My Saves In 2020 Chevy Trucks Chevrolet Trucks Trucks

Unique Light Switch Connection Diagram Diagram Wiringdiagram Diagramming Diagramm Visuals Light Switch Wiring 3 Way Switch Wiring Electrical Switch Wiring

Unique Light Switch Connection Diagram Diagram Wiringdiagram Diagramming Diagramm Visuals Light Switch Wiring 3 Way Switch Wiring Electrical Switch Wiring

04 Envoy Wiring Diagram Ipo All2tell Nl Chevy Trucks 1955 Chevy Chevrolet

04 Envoy Wiring Diagram Ipo All2tell Nl Chevy Trucks 1955 Chevy Chevrolet

12 1976 Chevy P30 Engine Wiring Diagram Engine Diagram Wiringg Net In 2020 1976 Chevy Truck 1979 Chevy Truck Chevy Trucks Silverado

12 1976 Chevy P30 Engine Wiring Diagram Engine Diagram Wiringg Net In 2020 1976 Chevy Truck 1979 Chevy Truck Chevy Trucks Silverado

I Found This Helpful Answer From A Chevy Mechanic On Justanswer Com Chevy Trucks 1985 Chevy Truck 86 Chevy Truck

I Found This Helpful Answer From A Chevy Mechanic On Justanswer Com Chevy Trucks 1985 Chevy Truck 86 Chevy Truck

Hero Honda Wiring Diagram Bookingritzcarlton Info Electrical Wiring Diagram Chevy Trucks 1984 Chevy Truck

Hero Honda Wiring Diagram Bookingritzcarlton Info Electrical Wiring Diagram Chevy Trucks 1984 Chevy Truck

3

3

10 64 Chevy Truck Wiring Diagram 1963 Chevy Truck Chevy Trucks 1966 Chevy Truck

10 64 Chevy Truck Wiring Diagram 1963 Chevy Truck Chevy Trucks 1966 Chevy Truck

2002 Chevy S10 Headlight Wiring In 2020 Chevrolet Camaro Repair Guide Camaro

2002 Chevy S10 Headlight Wiring In 2020 Chevrolet Camaro Repair Guide Camaro

Wiring Diagram For Power Window Switch Nissan 350z Forum Nissan 370z Tech Forums Automotive Care Car Window Tactical Truck

Wiring Diagram For Power Window Switch Nissan 350z Forum Nissan 370z Tech Forums Automotive Care Car Window Tactical Truck

12v Changeover Relay Wiring Diagram Light Switch Wiring Lighting Diagram 3 Way Switch Wiring

12v Changeover Relay Wiring Diagram Light Switch Wiring Lighting Diagram 3 Way Switch Wiring

How To Wire Fog And Driving Lights Harness Wiring Diagram Electrical Diagram Diagram Automotive Electrical

How To Wire Fog And Driving Lights Harness Wiring Diagram Electrical Diagram Diagram Automotive Electrical

Source : pinterest.com

Random Posts