2 Gang 2 Way Switch Wiring Diagram Pdf

2 Way Switch Wiring Diagram Light Wiring

2 Way Switch Wiring Diagram Light Wiring

Diagram 2 Gang Light Wiring Diagram In Pdf And Cdr Files Format Free Download Wiring Diagram Heatpumpdiagram Flypics It

Diagram 2 Gang Light Wiring Diagram In Pdf And Cdr Files Format Free Download Wiring Diagram Heatpumpdiagram Flypics It

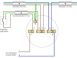
Diagram 1 Gang 2 Way Light Switch Wiring Diagram Uk Full Version Hd Quality Diagram Uk Toyotacruiser Protezionecivilelucodeimarsi It

Diagram 1 Gang 2 Way Light Switch Wiring Diagram Uk Full Version Hd Quality Diagram Uk Toyotacruiser Protezionecivilelucodeimarsi It

How To Connect A 2 Way Switch With Circuit Diagram

How To Connect A 2 Way Switch With Circuit Diagram

2 Way Switch 3 Wire System New Harmonised Cable Colours Light Wiring

2 Way Switch 3 Wire System New Harmonised Cable Colours Light Wiring

Wiring A 2 Gang Light Switch Wiring Diagram Light Switch Wiring Light Switch Switch

Wiring A 2 Gang Light Switch Wiring Diagram Light Switch Wiring Light Switch Switch

Wiring A 2 Gang Light Switch Wiring Diagram Light Switch Wiring Light Switch Switch

3 way light switching new cable colours 3 way light switch old cable colours 3 way light switch using a two wire control.

2 gang 2 way switch wiring diagram pdf. Before commencing work isolate the mains power supply and remove the fuse in the fuse box or switch off the circuit breaker in the consumer unit. 2 gang 2 way light switch wiring diagram from static cdn imageservice cloud to properly read a wiring diagram one has to know how the components inside the system operate. 2 gang 2 way light switch wiring diagram from static cdn imageservice cloud effectively read a cabling diagram one has to learn how the particular components inside the program operate.

If unit is to be used as a replacement for an existing product remove existing unit from its location and disconnect the wiring. For instance if a module will be powered up and it also sends out a new signal of fifty percent the voltage and the technician would not know this he would think he provides an issue as he or she would. In this video you will be guided from installation to the actual wiring and testing schematic.

3 way light switch wiring 2 wire system this switch arrangement is basically two two way switches on a single face plate. 2 wire cable runs from the light to the first switch and then 3 wire is run between all the switches. For example if a module will be powered up and it sends out a new signal of 50 percent the voltage and the technician would not know this he would think he provides a problem as he or she would expect the 12v signal.

2 way light switch 3 wire system new harmonised cable colours 2 way switch 3 wire system old cable colours 2 way switch two wire control three way switching. To switch from two locations youll need 2 two way switches and wire them together in a particular way. Two way switch wiring diagram pdf this 2 gang 1 way switch wiring diagram will contain an overall description from the item the name and format.

Wiring accessories fitting and wiring instructions 1. 2 gang 2 way switch wiring diagram wiring diagram is a simplified usual pictorial representation of an electrical circuit it shows the components of the circuit as simplified shapes and the power and signal links in the midst of the devices. The next length of the twinearth cable will run from the light to the first two way switch.

For instance when a module will be powered up and it sends out the signal of 50 percent the voltage and the technician does not know this he d think he has a problem as he or she would expect the 12v signal.

Wiring Diagram For 2 Gang 1 Way Light Switch

Wiring Diagram For 2 Gang 1 Way Light Switch

3 Gang 2 Way Light Switch Light Wiring

3 Gang 2 Way Light Switch Light Wiring

Wiring Diagram For 3 Way Switch With 2 Lights Bookingritzcarlton Info Light Switch Wiring Home Electrical Wiring 3 Way Switch Wiring

Wiring Diagram For 3 Way Switch With 2 Lights Bookingritzcarlton Info Light Switch Wiring Home Electrical Wiring 3 Way Switch Wiring

Electrical In 2020 Light Switch Wiring House Wiring Light Switch

Electrical In 2020 Light Switch Wiring House Wiring Light Switch

Bathroom Fan And Light Switch Wiring Diagram Bookingritzcarlton Info Bathroom Fan Light Bathroom Exhaust Fan Exhaust Fan

Bathroom Fan And Light Switch Wiring Diagram Bookingritzcarlton Info Bathroom Fan Light Bathroom Exhaust Fan Exhaust Fan

3 Way Switch Wiring Diagram Multiple Light Double 3 Way Switch Wiring Light Switch Wiring Lighting Diagram

3 Way Switch Wiring Diagram Multiple Light Double 3 Way Switch Wiring Light Switch Wiring Lighting Diagram

How To Control A Lamp Light Bulb From Two Places Using Two Way Switches For Staircase Lighting Circui Home Electrical Wiring Diy Electrical Electrical Wiring

How To Control A Lamp Light Bulb From Two Places Using Two Way Switches For Staircase Lighting Circui Home Electrical Wiring Diy Electrical Electrical Wiring

Ceiling Rose Wiring With The New Cable Colours Light Switch Wiring

Ceiling Rose Wiring With The New Cable Colours Light Switch Wiring

Wiring Diagram For A Two Way Switch Light Switch Wiring Light Switch 3 Way Switch Wiring

Wiring Diagram For A Two Way Switch Light Switch Wiring Light Switch 3 Way Switch Wiring

Two Way Switching Explained This Video Shows How To Wire A Two Way Switching Circuit Or A Two Way Lighting Light Switch Wiring Light Switch Ceiling Fan Wiring

Two Way Switching Explained This Video Shows How To Wire A Two Way Switching Circuit Or A Two Way Lighting Light Switch Wiring Light Switch Ceiling Fan Wiring

Pin On Projetos

Pin On Projetos

Three Way Switch Wiring Diagrams One Light Light Switch Wiring 3 Way Switch Wiring Home Electrical Wiring

Three Way Switch Wiring Diagrams One Light Light Switch Wiring 3 Way Switch Wiring Home Electrical Wiring

Unique Wiring Diagram For Two Gang One Way Switch Light Switch Wiring Light Switch Diagram

Unique Wiring Diagram For Two Gang One Way Switch Light Switch Wiring Light Switch Diagram

Wiring Diagram For 3 Way Light Switch Http Bookingritzcarlton Info Wiring Diagram For 3 Way Light Light Switch Wiring 3 Way Switch Wiring Electrical Wiring

Wiring Diagram For 3 Way Light Switch Http Bookingritzcarlton Info Wiring Diagram For 3 Way Light Light Switch Wiring 3 Way Switch Wiring Electrical Wiring

Wiring Diagram 3 Way Switch Awesome Wiring Diagram Fender Telecaster 3 Way Switch Valid Moder Metal Electrical Box Electrical Switch Wiring Light Switch Wiring

Wiring Diagram 3 Way Switch Awesome Wiring Diagram Fender Telecaster 3 Way Switch Valid Moder Metal Electrical Box Electrical Switch Wiring Light Switch Wiring

New Mk Emergency Key Switch Wiring Diagram Diagram Diagramsample Diagramtemplate Wiringdiagram Di Light Switch Wiring 3 Way Switch Wiring Three Way Switch

New Mk Emergency Key Switch Wiring Diagram Diagram Diagramsample Diagramtemplate Wiringdiagram Di Light Switch Wiring 3 Way Switch Wiring Three Way Switch

Wiring Diagrams To Add A New Light Fixture 3 Way Switch Wiring Light Switch Wiring Wire Switch

Wiring Diagrams To Add A New Light Fixture 3 Way Switch Wiring Light Switch Wiring Wire Switch

2 Wire Dimmer Switch Diagram Tips Dimmer Switch Dimmable Light Switch Lamp Dimmer Switch

2 Wire Dimmer Switch Diagram Tips Dimmer Switch Dimmable Light Switch Lamp Dimmer Switch

Https Encrypted Tbn0 Gstatic Com Images Q Tbn And9gct6gkprnx1xzw Ujiqqzdfi58imc9whoovwmiom9i9lqnyyldcb Usqp Cau

Https Encrypted Tbn0 Gstatic Com Images Q Tbn And9gct6gkprnx1xzw Ujiqqzdfi58imc9whoovwmiom9i9lqnyyldcb Usqp Cau

Wire A Ceiling Fan Ceiling Fan Wiring Ceiling Fan With Light Ceiling Fan

Wire A Ceiling Fan Ceiling Fan Wiring Ceiling Fan With Light Ceiling Fan

Pin On Wiring

Pin On Wiring

Wiring Diagram 3 Way Switch Lovely 3 Gang 2 Way Light Switch Wiring Diagram Wiring Diagrams Ceiling Fan Wiring Ceiling Fan Switch Light Switch Wiring

Wiring Diagram 3 Way Switch Lovely 3 Gang 2 Way Light Switch Wiring Diagram Wiring Diagrams Ceiling Fan Wiring Ceiling Fan Switch Light Switch Wiring

Unique Wiring Diagram For Single Pole Light Switch Diagram Diagramsample Diagramtemplate Wiringdiagram Diag Light Switch Wiring Dimmer Switch Light Switch

Unique Wiring Diagram For Single Pole Light Switch Diagram Diagramsample Diagramtemplate Wiringdiagram Diag Light Switch Wiring Dimmer Switch Light Switch

Wiring Diagram 4 Way Switch Multiple Lights Light Switch Wiring Electrical Wiring Diagram Light Switch

Wiring Diagram 4 Way Switch Multiple Lights Light Switch Wiring Electrical Wiring Diagram Light Switch

Source : pinterest.com