1970 Ford F100 Ignition Switch Wiring Diagram

1965 Ford F100 Ignition Switch Wiring Diagram Schematic Diagrams 1965 Ford F100 Exterior Accessories Ford

1965 Ford F100 Ignition Switch Wiring Diagram Schematic Diagrams 1965 Ford F100 Exterior Accessories Ford

13 Ford Ignition Switch Wiring Diagram Bookingritzcarlton Info 1979 Ford Truck Ford Truck Ford

13 Ford Ignition Switch Wiring Diagram Bookingritzcarlton Info 1979 Ford Truck Ford Truck Ford

1970 Ford F100 Wiring Diagram Ford Thunderbird Ford Funny Baby Memes

1970 Ford F100 Wiring Diagram Ford Thunderbird Ford Funny Baby Memes

I Found This Helpful Answer From A Classic Car Mechanic On Justanswer Com 1971 Ford F100 Wire Electrical Circuit Diagram

I Found This Helpful Answer From A Classic Car Mechanic On Justanswer Com 1971 Ford F100 Wire Electrical Circuit Diagram

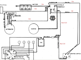
1972 Ford F100 Ignition Switch Wiring Diagram In 2020 Electrical Diagram Safety Switch Kill Switch

1972 Ford F100 Ignition Switch Wiring Diagram In 2020 Electrical Diagram Safety Switch Kill Switch

Perfect Ford Harness Wiring Diagram 1969 F100 Wiring Harness Wiring Diagram1969 F100 Wiring Harness Ford Harness Wiring Diagram Ford Technical Drawing Diagram

Perfect Ford Harness Wiring Diagram 1969 F100 Wiring Harness Wiring Diagram1969 F100 Wiring Harness Ford Harness Wiring Diagram Ford Technical Drawing Diagram

Perfect Ford Harness Wiring Diagram 1969 F100 Wiring Harness Wiring Diagram1969 F100 Wiring Harness Ford Harness Wiring Diagram Ford Technical Drawing Diagram

Here is a picture gallery about 1970 ford f100 wiring diagram complete with the description of the image please find the image you need.

1970 ford f100 ignition switch wiring diagram. 1967 f 100 thru f 350 ignition charging starting and gauges. Wiring diagram for a 1970 ford f 100 maybe the problem was never found but for anyone else here is a suggestion. F06b5 1970 ford f100 wiring diagram digital resources 1977 ford f150 ignition switch wiring diagram 1974 ford f100 wiring diagram creative wiring diagram ideas 1957 ford truck wiring diagram ford truck enthusiasts forums 1953 1956 ford f100 trucks restomod wiring system 1964.

When you use your finger or stick to the circuit together with your eyes it s easy to mistrace the circuit. Before performing any wiring changes on your ford bronco f 100 350 please be sure you have read and understand about the complete electrical wiring diagram shown here first. 1967 master wiring diagram.

The schematic we will show to you here is about the complete electrical wiring diagram of the 1970 ford bronco f 100 350. Ford truck technical drawings and schematics section h wiring regarding 1970 ford f100 wiring diagram image size 945 x 721 px image source. Ford truck technical drawings and schematics section h wiring diagrams.

The following information is reproduced directly from the 1970 ford body builder s layout book vol. Doe anyone know where i can get a diagram that can help. When you employ your finger or perhaps follow the circuit along with your eyes it is easy to mistrace the circuit.

If your cable from the starter relay to starter is worn through and resting on the frame and you have a bad solenoid it is possible to short out with the truck off or if you have a bad ignition switch. I think i wired it wrong. Ford truck wire color and gauge chart.

1967 1972 f 100 larger f series trucks 1970 ignition switch diagram hey guy i had bought the 1970 ignition switch to replace my 69 switch.

1965 F100 Wiring Diagram Mustang Wiring Diagram 1965 Ford F100 Ignition Switch Wiring Diagram Ford Galaxie Galaxie Ford

1965 F100 Wiring Diagram Mustang Wiring Diagram 1965 Ford F100 Ignition Switch Wiring Diagram Ford Galaxie Galaxie Ford

Sign In Electrical Wiring Diagram Ford Wire

Sign In Electrical Wiring Diagram Ford Wire

Ford 300 Inline 6 Engine Diagram Straight F 4 9 Wiring Diagrams Image Free Vacuum Diagram F150 Repair Manuals

Ford 300 Inline 6 Engine Diagram Straight F 4 9 Wiring Diagrams Image Free Vacuum Diagram F150 Repair Manuals

1979 F 150 Wiring Diagram Ford Truck Enthusiasts Forums Ford F150 F150 Ford

1979 F 150 Wiring Diagram Ford Truck Enthusiasts Forums Ford F150 F150 Ford

Pin On Diy

Pin On Diy

1958 Ford 6 Wiring Schematic Diagram Design Diagram Trailer Wiring Diagram

1958 Ford 6 Wiring Schematic Diagram Design Diagram Trailer Wiring Diagram

Pin On Auto Diagram

Pin On Auto Diagram

1995 Ford F150 Ignition Wiring Diagram In 2020 Electrical Diagram Trailer Wiring Diagram Electrical Wiring Diagram

1995 Ford F150 Ignition Wiring Diagram In 2020 Electrical Diagram Trailer Wiring Diagram Electrical Wiring Diagram

Flathead Electrical Wiring Diagrams Ford Trucks Old Ford Trucks 1948 Ford Truck

Flathead Electrical Wiring Diagrams Ford Trucks Old Ford Trucks 1948 Ford Truck

Wiring 69courtesycargo For 1969 Ford F100 Wiring Diagram Ford Truck Diagram 1969 Ford F100

Wiring 69courtesycargo For 1969 Ford F100 Wiring Diagram Ford Truck Diagram 1969 Ford F100

13 Ford Ignition Switch Wiring Diagram Bookingritzcarlton Info Ford Ranger Diagram Wire

13 Ford Ignition Switch Wiring Diagram Bookingritzcarlton Info Ford Ranger Diagram Wire

1974 Ford F100 Engine Wiring Diagram And Ford Truck Technical Drawings And Schematics Section H In 2020 Ford Truck Old Ford Trucks Lifted Ford Trucks

1974 Ford F100 Engine Wiring Diagram And Ford Truck Technical Drawings And Schematics Section H In 2020 Ford Truck Old Ford Trucks Lifted Ford Trucks

Wiring Diagrams Diagram Electrical Com Dodge Motorhome Automotive Ford Pickup Opaktle Caterpillar Lift Truck 1983 At 78 Chevy Truck Wiri In 2020 Ford Diagram Ford F150

Wiring Diagrams Diagram Electrical Com Dodge Motorhome Automotive Ford Pickup Opaktle Caterpillar Lift Truck 1983 At 78 Chevy Truck Wiri In 2020 Ford Diagram Ford F150

Bronco Com Technical Reference Wiring Diagrams Best Of 1975 Ford New F250 Diagram Diagram Alternator Fuse Panel

Bronco Com Technical Reference Wiring Diagrams Best Of 1975 Ford New F250 Diagram Diagram Alternator Fuse Panel

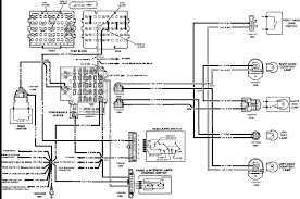
15 1985 Chevy Truck Ignition Wiring Diagram Truck Diagram Wiringg Net In 2020 1985 Chevy Truck 1986 Chevy Truck 1979 Chevy Truck

15 1985 Chevy Truck Ignition Wiring Diagram Truck Diagram Wiringg Net In 2020 1985 Chevy Truck 1986 Chevy Truck 1979 Chevy Truck

65 Mustang Starter Wiring Diagram Yahoo Image Search Results Ford Transit Starter Motor Diagram

65 Mustang Starter Wiring Diagram Yahoo Image Search Results Ford Transit Starter Motor Diagram

New Bmw Amplifier Wiring Diagram Diagram Diagramtemplate Diagramsample

New Bmw Amplifier Wiring Diagram Diagram Diagramtemplate Diagramsample

Pin By Sue Monique Le Roux On Diagram In 2020 Diagram Ignition Coil Wire

Pin By Sue Monique Le Roux On Diagram In 2020 Diagram Ignition Coil Wire

Https Encrypted Tbn0 Gstatic Com Images Q Tbn And9gcs0vz2pg Dxiqr8pvlrezqt3sbdkqsnslchkv5cnv1sntqssjx Usqp Cau

Https Encrypted Tbn0 Gstatic Com Images Q Tbn And9gcs0vz2pg Dxiqr8pvlrezqt3sbdkqsnslchkv5cnv1sntqssjx Usqp Cau

Studebaker Wiring Harness Second Take But Different 1963 Studebaker 1964 Electrical Chassis Wiring Harness Nos V8 Studebaker Wall Ac Unit Diagram Ford Galaxie

Studebaker Wiring Harness Second Take But Different 1963 Studebaker 1964 Electrical Chassis Wiring Harness Nos V8 Studebaker Wall Ac Unit Diagram Ford Galaxie

Electric L 6 Engine Wiring Diagram Chevy Trucks 1963 Chevy Truck Chevy

Electric L 6 Engine Wiring Diagram Chevy Trucks 1963 Chevy Truck Chevy

Car Wiring Diagram Electrical Wiring Diagram Electrical Diagram Electrical Wiring

Car Wiring Diagram Electrical Wiring Diagram Electrical Diagram Electrical Wiring

16 Briggs And Stratton Vanguard Engine Wiring Diagram Electrical Diagram Electrical Wiring Diagram Briggs Stratton

16 Briggs And Stratton Vanguard Engine Wiring Diagram Electrical Diagram Electrical Wiring Diagram Briggs Stratton

I Found This Helpful Answer From A Ford Mechanic On Justanswer Com Ford Courier Electrical Wiring Diagram F150

I Found This Helpful Answer From A Ford Mechanic On Justanswer Com Ford Courier Electrical Wiring Diagram F150

Source : pinterest.com

Random Posts