2018 Chevy Silverado Radio Wiring Diagram

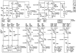
Pin On Wiring

Pin On Wiring

1999 Chevy Suburban Wiring Diagram Inspirational Di 2020

1999 Chevy Suburban Wiring Diagram Inspirational Di 2020

Unique Wiring Diagram For Ac Delco Radio Diagram Diagramtemplate Diagramsample Chevy Silverado Chevy Trailblazer 2003 Chevy Silverado

Unique Wiring Diagram For Ac Delco Radio Diagram Diagramtemplate Diagramsample Chevy Silverado Chevy Trailblazer 2003 Chevy Silverado

New Delco Amplifier Wiring Diagram Diagram Diagramtemplate Diagramsample Lincoln Town Car Jeep Grand Cherokee Laredo Car Amplifier

New Delco Amplifier Wiring Diagram Diagram Diagramtemplate Diagramsample Lincoln Town Car Jeep Grand Cherokee Laredo Car Amplifier

Ford Radio Wiring Diagram Fordrangersplash Fordranger2012 Fordranger2006 Fordrangeredge 1988fordranger In 2020 Ford Ford Ranger Radio

Ford Radio Wiring Diagram Fordrangersplash Fordranger2012 Fordranger2006 Fordrangeredge 1988fordranger In 2020 Ford Ford Ranger Radio

21 Ford Harness Wiring Diagram Bookingritzcarlton Info In 2020 F150 Ford F150 Ford Expedition

21 Ford Harness Wiring Diagram Bookingritzcarlton Info In 2020 F150 Ford F150 Ford Expedition

21 Ford Harness Wiring Diagram Bookingritzcarlton Info In 2020 F150 Ford F150 Ford Expedition

Check fuses if your unable to find 12 volts.

2018 chevy silverado radio wiring diagram. Car stereo wiring diagrams car radio wiring car radio wiring colors car radio wire car radio connections wiring diagram car radio wire colours. 2008 system wiring diagrams chevrolet silverado 1500 2008 chevrolet silverado owner manual. Silverado stereo constant 12v wire.

Chevrolet car audio wire diagrams wire color codes. Chevrolet wiring colors and locations for car alarms remote starters car stereos cruise controls and mobile navigation systems. Car stereo repair car stereo removal.

Chevrolet auto radio wiring diagrams install car radio. Workshop and repair manuals service owner s manual. 2018 2020 chevy silverado stereo wiring diagram.

Each part ought to be set and linked to other parts in specific manner. If your chevy silverado has a 16 pin plug on the back of your stereo you will need to follow this guide instead of the previous one. Please verify all wire colors and diagrams before applying any information.

Otherwise the structure will not work as it ought to be. 2005 ford f150 radio wiring diagram download. Swapping yellow wires will cause damage to any aftermarket stereo.

Each component ought to be set and linked to other parts in specific manner. 2011 chevy silverado radio wiring diagram 2011 chevy silverado 1500 stereo wiring diagram 2011 chevy silverado radio wiring diagram 2011 chevy silverado radio wiring harness diagram every electrical structure consists of various different pieces. 2007 chevy cobalt stereo wiring diagram download.

New Optimus Car Stereo Wiring Diagram Sistema De Audio Jeep Grand Cherokee Coches Mercedes Benz

New Optimus Car Stereo Wiring Diagram Sistema De Audio Jeep Grand Cherokee Coches Mercedes Benz

Best Of Nissan Versa Radio Wiring Diagram In 2020 Nissan Altima Nissan Maxima 2006 Nissan Altima

Best Of Nissan Versa Radio Wiring Diagram In 2020 Nissan Altima Nissan Maxima 2006 Nissan Altima

Kia Car Radio Stereo Audio Wiring Diagram Autoradio Connector Wire Installation Schematic Schema Esquema De Conexiones Stecker Konekt Kia Sportage Sportage Kia

Kia Car Radio Stereo Audio Wiring Diagram Autoradio Connector Wire Installation Schematic Schema Esquema De Conexiones Stecker Konekt Kia Sportage Sportage Kia

2013 Ram 1500 Stereo Wiring Harness 2013 Ram Radio Wiring Diagram Within 2001 Dodge Ram Radio Wiring Diagram Dodge Ram 2015 Dodge Ram 2013 Dodge Ram

2013 Ram 1500 Stereo Wiring Harness 2013 Ram Radio Wiring Diagram Within 2001 Dodge Ram Radio Wiring Diagram Dodge Ram 2015 Dodge Ram 2013 Dodge Ram

2003 Chevy Silverado Wiring Diagram 2004 Chevrolet Radio Get Free Chevy Silverado 2003 Chevy Silverado 2004 Chevy Silverado

2003 Chevy Silverado Wiring Diagram 2004 Chevrolet Radio Get Free Chevy Silverado 2003 Chevy Silverado 2004 Chevy Silverado

Wiring Diagram Bmw X5 With Basic Pics 83173 Linkinx For Bmw X5 E53 Wiring Diagram Electrical Diagram Diagram Electrical Wiring Diagram

Wiring Diagram Bmw X5 With Basic Pics 83173 Linkinx For Bmw X5 E53 Wiring Diagram Electrical Diagram Diagram Electrical Wiring Diagram

10 2001 Nissan Xterra Car Stereo Wiring Diagram Car Diagram Wiringg Net In 2020 Nissan Xterra Nissan Nissan Frontier

10 2001 Nissan Xterra Car Stereo Wiring Diagram Car Diagram Wiringg Net In 2020 Nissan Xterra Nissan Nissan Frontier

08 Silverado Radio Wiring Diagram Mikulskilawoffices In 2020 Electrical Wiring Diagram Light Switch Wiring Trailer Wiring Diagram

08 Silverado Radio Wiring Diagram Mikulskilawoffices In 2020 Electrical Wiring Diagram Light Switch Wiring Trailer Wiring Diagram

1977 Pontiac Radio Wiring Dat Wiring Diagrams In 2020 Diagram Chevy Impala Chevy Silverado

1977 Pontiac Radio Wiring Dat Wiring Diagrams In 2020 Diagram Chevy Impala Chevy Silverado

2004 Chevy Trailblazer Radio Wiring Diagram Elegant In 2020 Chevy Trailblazer Trailblazer Chevrolet Trailblazer

2004 Chevy Trailblazer Radio Wiring Diagram Elegant In 2020 Chevy Trailblazer Trailblazer Chevrolet Trailblazer

2004 Chevy Silverado Instrument Cluster Wiring Diagram Elegant In 2020 Chevy Silverado 2004 Chevy Silverado 2003 Chevy Silverado

2004 Chevy Silverado Instrument Cluster Wiring Diagram Elegant In 2020 Chevy Silverado 2004 Chevy Silverado 2003 Chevy Silverado

1999 Dodge Durango Wiring Diagram New In 2020 Car Stereo Radio Diagram

1999 Dodge Durango Wiring Diagram New In 2020 Car Stereo Radio Diagram

2004 Chevy Silverado Instrument Cluster Wiring Diagram Elegant In 2020 2004 Chevy Silverado Chevy Silverado 2003 Chevy Silverado

2004 Chevy Silverado Instrument Cluster Wiring Diagram Elegant In 2020 2004 Chevy Silverado Chevy Silverado 2003 Chevy Silverado

Gmc Sierra Phoenix Android Radios Chevrolet Silverado

Gmc Sierra Phoenix Android Radios Chevrolet Silverado

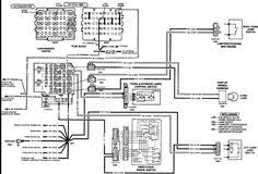
Free Wiring Diagrams In 2020 Electrical Wiring Diagram Chevy Trucks Chevy Pickups

Free Wiring Diagrams In 2020 Electrical Wiring Diagram Chevy Trucks Chevy Pickups

Under Hood Fuse Box Diagram Chevrolet Silverado 2017 2018 Chevrolet Silverado Fuse Box Chevy Trucks Silverado

Under Hood Fuse Box Diagram Chevrolet Silverado 2017 2018 Chevrolet Silverado Fuse Box Chevy Trucks Silverado

Kia Wiring Diagrams Free Download For Such Models As Ceed Picanto Rio Sedona Sorento Sportage Venga And For Ot Kia Sportage Electrical Diagram Sportage

Kia Wiring Diagrams Free Download For Such Models As Ceed Picanto Rio Sedona Sorento Sportage Venga And For Ot Kia Sportage Electrical Diagram Sportage

2005 Dodge Grand Caravan Wiring Diagram Di 2020 Ford Explorer Ford Focus Ford Ranger

2005 Dodge Grand Caravan Wiring Diagram Di 2020 Ford Explorer Ford Focus Ford Ranger

3

3

Engine Diagram Vauxhall Insignia Zx Di 2020

Engine Diagram Vauxhall Insignia Zx Di 2020

Wiring Diagram Blog Download Ford F150 Wiring Diagram For Radio Pdf In 2020 Ford F150 F150 Diagram

Wiring Diagram Blog Download Ford F150 Wiring Diagram For Radio Pdf In 2020 Ford F150 F150 Diagram

Under Hood Fuse Box Diagram Chevrolet Silverado 2014 2015 2016 Fuse Box Chevrolet Silverado Silverado

Under Hood Fuse Box Diagram Chevrolet Silverado 2014 2015 2016 Fuse Box Chevrolet Silverado Silverado

16 1993 Chevy Truck Wiring Diagram1993 Chevy Truck Fuel Pump Wiring Diagram 1993 Chevy Truck Radio Wi In 2020 Chevy Trucks Electrical Wiring Diagram 1984 Chevy Truck

16 1993 Chevy Truck Wiring Diagram1993 Chevy Truck Fuel Pump Wiring Diagram 1993 Chevy Truck Radio Wi In 2020 Chevy Trucks Electrical Wiring Diagram 1984 Chevy Truck

Pin On Wiring

Pin On Wiring

Source : pinterest.com