3 Wire Reed Switch Wiring Diagram

Switches And Sensors

Switches And Sensors

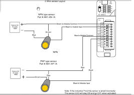
Diagram Npn Proximity Switch Wiring Diagram Full Version Hd Quality Wiring Diagram Scenediagramsq Centogiochi It

Diagram Npn Proximity Switch Wiring Diagram Full Version Hd Quality Wiring Diagram Scenediagramsq Centogiochi It

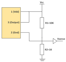
How To Wire Discrete Dc Sensors To Plc Part 2 Realpars

How To Wire Discrete Dc Sensors To Plc Part 2 Realpars

2 Way Switch 3 Wire System New Harmonised Cable Colours Lighting Diagram Light Switch Wiring Electrical Switch Wiring

2 Way Switch 3 Wire System New Harmonised Cable Colours Lighting Diagram Light Switch Wiring Electrical Switch Wiring

Two Wire Inductive Proximity Sensors The Universal Donor

Two Wire Inductive Proximity Sensors The Universal Donor

Wiring Diagram For How To Wire A Dead End 3 Way Switch Diagram Wire Electrical System

Wiring Diagram For How To Wire A Dead End 3 Way Switch Diagram Wire Electrical System

Wiring Diagram For How To Wire A Dead End 3 Way Switch Diagram Wire Electrical System

Red led solid state output normally open reed switch npn current sinking pnp current sourcing green led 3 wire 1.

3 wire reed switch wiring diagram. Mov spst normally open 5 120 vac vdc 0 5 amps max. 3 5 volts 120 ga. Basic wiring solid state 3 wire npn specification for sink input 2 wire specification for source input 2 wire with 2 switch and connection 2 wire with 2 switch or connection 2 wire 2 wire solid state 3 wire pnp example.

A magnetic door switch for example is just a dressed up reed switch and a mating magnet by keeping both parts of the switch separate the door can open and close freely and maintain its regular duties as a door the anemometer in our weather meter combines a. Three wire cable runs between the switches and the outlet. We never admit that the image is our image the copyright is in the image owner we only help our users to find the information they are looking for quickly.

3 5 volts 85 ga. 03 reed switch led mov spst normally open 5 120 vac vdc 0 5 amps max. 3 way switched outlet wiring.

They can come in all different technologies such as inductive photoelectric and capacitive just to list a few although the sensor technology may differ all 3 wire sensors are wired the same a three wire sensor has 3 wires present. Magnetic reed switch wiring diagram pdf of how reed switches are used in series 8000 type 02 03 amp. Three wire sensors are used in various applications from detecting parts to locating position of the actual machine.

Mov spst normally open 5 120 vac vdc 0 5 amps max. Series 8000 type 02 03 04 reed switch wiring diagram. This circuit is wired the same way as the 3 way lights at this link.

3 wire reed switch wiring diagram how to wire a proximity sensor to a plc penyambungan sensor digital pada plc jago otomasi https www smc eu smc net emc ddbb ce documentation data attachments imm d a9 tfp24en pdf h1 align center enotes mechatronics and controls h1 how to. There are all sorts of creative applications for reed switches. If you want the image to be deleted please contact us we will delete it from our website.

3 Wire Reed Switch Wiring Diagram 1969 Stingray Corvette Wiring Diagram For Wiring Diagram Schematics

3 Wire Reed Switch Wiring Diagram 1969 Stingray Corvette Wiring Diagram For Wiring Diagram Schematics

3 Way Switch Wiring Diagram Home Electrical Wiring 3 Way Switch Wiring Electrical Switch Wiring

3 Way Switch Wiring Diagram Home Electrical Wiring 3 Way Switch Wiring Electrical Switch Wiring

Diy Auto Burglary Alarm Circuit Diagram Using Reed Switch Circuit Diagram Circuit Electronic Schematics

Diy Auto Burglary Alarm Circuit Diagram Using Reed Switch Circuit Diagram Circuit Electronic Schematics

Learn Openenergymonitor

Learn Openenergymonitor

3 Way Switch Wiring Diagrams 3 Way Switch Wiring Light Switch Wiring Wire Switch

3 Way Switch Wiring Diagrams 3 Way Switch Wiring Light Switch Wiring Wire Switch

Pin On Light Switch Wiring

Pin On Light Switch Wiring

Pin On Electronics Electricity

Pin On Electronics Electricity

3 Way Switch Wiring Diagram Multiple Light Double 3 Way Switch Wiring Light Switch Wiring Lighting Diagram

3 Way Switch Wiring Diagram Multiple Light Double 3 Way Switch Wiring Light Switch Wiring Lighting Diagram

Uxcell Uxcell Rolling Door Contact Magnetic Reed Switch Alarm With 3 Wires For N O N C Applications Mc 58

Uxcell Uxcell Rolling Door Contact Magnetic Reed Switch Alarm With 3 Wires For N O N C Applications Mc 58

3 Way Switch Wiring Diagrams 3 Way Switch Wiring Electrical Plug Wiring Electrical Wiring

3 Way Switch Wiring Diagrams 3 Way Switch Wiring Electrical Plug Wiring Electrical Wiring

3 Way Switch With Power Feed Via The Light Light Switch Wiring Home Electrical Wiring 3 Way Switch Wiring

3 Way Switch With Power Feed Via The Light Light Switch Wiring Home Electrical Wiring 3 Way Switch Wiring

3 Way Switch Wiring Diagram Multiple Lights 3 Way Switch Wiring Light Switch Wiring Electrical Switch Wiring

3 Way Switch Wiring Diagram Multiple Lights 3 Way Switch Wiring Light Switch Wiring Electrical Switch Wiring

Wiring 85 15 3 Wire Plus Shielding Into The Prs 594 Official Prs Guitars Forum

Wiring 85 15 3 Wire Plus Shielding Into The Prs 594 Official Prs Guitars Forum

3 Wire Start Stop Wiring Diagram Elec Eng World Wire Diagram Circuit

3 Wire Start Stop Wiring Diagram Elec Eng World Wire Diagram Circuit

New Electrical Control Panel Wiring Diagram Diagram Wiringdiagram Diagramming Diagramm Visuals Visualisation Graphic Gfci Hot Tub Delivery Outlet Wiring

New Electrical Control Panel Wiring Diagram Diagram Wiringdiagram Diagramming Diagramm Visuals Visualisation Graphic Gfci Hot Tub Delivery Outlet Wiring

Ceiling Fan Wiring Diagram 1 Ceiling Fan Wiring Home Electrical Wiring Ceiling Fan Installation

Ceiling Fan Wiring Diagram 1 Ceiling Fan Wiring Home Electrical Wiring Ceiling Fan Installation

Pin On Wiring

Pin On Wiring

Wiring Diagrams To Add A New Light Fixture 3 Way Switch Wiring Light Switch Wiring Wire Switch

Wiring Diagrams To Add A New Light Fixture 3 Way Switch Wiring Light Switch Wiring Wire Switch

Https Encrypted Tbn0 Gstatic Com Images Q Tbn And9gcts5aaynpu Ewc86a2t5arjalxa9uihfy5hxyxjfmhuaiz87 7q Usqp Cau

Https Encrypted Tbn0 Gstatic Com Images Q Tbn And9gcts5aaynpu Ewc86a2t5arjalxa9uihfy5hxyxjfmhuaiz87 7q Usqp Cau

Awesome Wiring Diagram Potentiometer Diagrams Digramssample Diagramimages Wiringdiagramsample Wiringdiagram 3 Way Switch Wiring Guitar Wire

Awesome Wiring Diagram Potentiometer Diagrams Digramssample Diagramimages Wiringdiagramsample Wiringdiagram 3 Way Switch Wiring Guitar Wire

Single Light Between 3 Way Switches Power Via Light How To Wire A Light Switch Light Switch Wiring Three Way Switch House Wiring

Single Light Between 3 Way Switches Power Via Light How To Wire A Light Switch Light Switch Wiring Three Way Switch House Wiring

Wiring Diagram For 3 Way Switch With 2 Lights Bookingritzcarlton Info Ceiling Fan Wiring Ceiling Fan With Light Fan Light

Wiring Diagram For 3 Way Switch With 2 Lights Bookingritzcarlton Info Ceiling Fan Wiring Ceiling Fan With Light Fan Light

Two Way Switching 3 Wire System New Harmonised Cable Colours Light Wiring Lighting Diagram Light Switch Wiring Electrical Switch Wiring

Two Way Switching 3 Wire System New Harmonised Cable Colours Light Wiring Lighting Diagram Light Switch Wiring Electrical Switch Wiring

Pin On Electricity Three Way Switching

Pin On Electricity Three Way Switching

Source : pinterest.com