How To Wire A 4 Pin Rocker Switch

4 Pin Switch Wiring Diagram Diagram Switch Wire

4 Pin Switch Wiring Diagram Diagram Switch Wire

Rocker Switch Wiring Polaris Rzr Forum Rzr Forums Net Automotive Electrical Land Rover Defender Electrical Wiring Diagram

Rocker Switch Wiring Polaris Rzr Forum Rzr Forums Net Automotive Electrical Land Rover Defender Electrical Wiring Diagram

Pin On Electrical Diagrams

Pin On Electrical Diagrams

How To Wire A On Off On Toggle Switch Motorcycle Wiring Light Switch Wiring 12v Led Lights

How To Wire A On Off On Toggle Switch Motorcycle Wiring Light Switch Wiring 12v Led Lights

Image Result For 4 Pin Relay Wiring Diagram Horn Electrical Circuit Diagram Electrical Wiring Diagram Diagram

Image Result For 4 Pin Relay Wiring Diagram Horn Electrical Circuit Diagram Electrical Wiring Diagram Diagram

12 Volt Switch Wiring Diagram Wiringdiagram Org Toggle Switch Switch Led Light Switch

12 Volt Switch Wiring Diagram Wiringdiagram Org Toggle Switch Switch Led Light Switch

12 Volt Switch Wiring Diagram Wiringdiagram Org Toggle Switch Switch Led Light Switch

Assortment of 4 pin rocker switch wiring diagram.

How to wire a 4 pin rocker switch. In this article we will show how to wire a rocker switch to a circuit. 4 pin led switch wiring shouldn t cause any headaches if you follow the right diagram. Each part should be placed and connected with different parts in specific way.

Https amzn to 2xwrcfx flexible led li. Imstricken06 imstricken06 commonly tools used. Wiring 4 pin led rocker switch hello im trying to wire a led lighted spst rocker switch for a washdown pump.

4 pin rocker switch wiring diagram 240v 4 pin rocker switch wiring diagram 4 pin illuminated rocker switch wiring diagram 4 pin led rocker switch wiring diagram every electric structure is made up of various distinct parts. How to wire a 4 pin led switch. 4 pin rocker switch wiring diagram.

With this kind of an illustrative manual you ll have the ability to troubleshoot stop and complete your projects easily. 4 pin rocker switch wiring diagram you ll need an extensive skilled and easy to know wiring diagram. Wiring a rocker switch depends on the type you plan on using so your wiring will depend on the amount of pins your rocker switch has.

Pin 1 is where the rocker switch receives the input power. The additional terminal is at terminal 8 and controls the top light in the switch called an independent light. This rocker switch body is meant to be paired an etched or printed snap in rocker switch cover for a complete switch unit.

A wiring diagram is a streamlined standard pictorial representation of an electrical circuit. Tonetastic info read backup generator manual transfer switch wiring diagram for your needs before reading a new schematic get familiar and understand each of the symbols. It reveals the components of the circuit as simplified forms and also the power as well as signal connections between the gadgets.

3 Pin Rocker Led Switch Wiring Diagram Buscar Con Google Toggle Switch Switch Copper Pin

3 Pin Rocker Led Switch Wiring Diagram Buscar Con Google Toggle Switch Switch Copper Pin

12 Volt Toggle Switch Wiring Diagrams Boat Wiring Automotive Repair Automotive Electrical

12 Volt Toggle Switch Wiring Diagrams Boat Wiring Automotive Repair Automotive Electrical

Dorman 4 Prong Relay Wiring For Offroad Lights Boat Wiring Basic Electrical Wiring Electrical Wiring

Dorman 4 Prong Relay Wiring For Offroad Lights Boat Wiring Basic Electrical Wiring Electrical Wiring

Dpdt8term On Carling Toggle Switch Wiring Diagram Boat Navigation Lights Toggle Switch Light Switch Wiring

Dpdt8term On Carling Toggle Switch Wiring Diagram Boat Navigation Lights Toggle Switch Light Switch Wiring

Pin On Wiring

Pin On Wiring

Wiring 3 Pole Rocker Switch In 2020 Toggle Switch Electronic Schematics Go Kart Frame

Wiring 3 Pole Rocker Switch In 2020 Toggle Switch Electronic Schematics Go Kart Frame

12v Changeover Relay Wiring Diagram Light Switch Wiring Lighting Diagram 3 Way Switch Wiring

12v Changeover Relay Wiring Diagram Light Switch Wiring Lighting Diagram 3 Way Switch Wiring

Pin On Segunda

Pin On Segunda

Roof Lights 5 Pin Spst On Off Blue Led Indicator Rocker Switch For Fog Drl Lamps Trucks Automotive Electrical Jeep

Roof Lights 5 Pin Spst On Off Blue Led Indicator Rocker Switch For Fog Drl Lamps Trucks Automotive Electrical Jeep

Pin On Diagram

Pin On Diagram

Pin On Electrical Diagrams

Pin On Electrical Diagrams

Pin On Electrical Wiring

Pin On Electrical Wiring

Wiring Diagram Simple Bookingritzcarlton Info Led Light Bars Bar Lighting Automotive Led Lights

Wiring Diagram Simple Bookingritzcarlton Info Led Light Bars Bar Lighting Automotive Led Lights

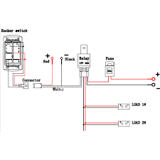
Amazon Com Mictuning Led Light Bar Wiring Harness 30 Amp Fuse 40a Relay On Off Rocker Switch Blue 2 Lead 12ft Automot Bar Lighting Led Light Bars Led Lights

Amazon Com Mictuning Led Light Bar Wiring Harness 30 Amp Fuse 40a Relay On Off Rocker Switch Blue 2 Lead 12ft Automot Bar Lighting Led Light Bars Led Lights

12v 5 Pin Relay Wiring Diagram Deltagenerali Me Light Switch Wiring Electrical Wiring Diagram Electrical Circuit Diagram

12v 5 Pin Relay Wiring Diagram Deltagenerali Me Light Switch Wiring Electrical Wiring Diagram Electrical Circuit Diagram

Electrical Wiring Awesome Cree Led Light Bar Wiring Diagram In 2020 Led Light Bars Automotive Led Lights Bar Lighting

Electrical Wiring Awesome Cree Led Light Bar Wiring Diagram In 2020 Led Light Bars Automotive Led Lights Bar Lighting

Amazon Com Mictuning Laser Led Light Bar Rocker Switch On Off Led Light 20a 12v 5pin Blue Automotive Led Light Bars Switch Led Lights

Amazon Com Mictuning Laser Led Light Bar Rocker Switch On Off Led Light 20a 12v 5pin Blue Automotive Led Light Bars Switch Led Lights

How To Wire An Illuminated Rocker Switch In 2020 Toggle Switch Electronics Basics Car Audio Installation

How To Wire An Illuminated Rocker Switch In 2020 Toggle Switch Electronics Basics Car Audio Installation

Https Encrypted Tbn0 Gstatic Com Images Q Tbn And9gcsq4l4ajnzsrqq0biss Oywefj Juusg0cafjmj14ibgdddze4 Usqp Cau

Https Encrypted Tbn0 Gstatic Com Images Q Tbn And9gcsq4l4ajnzsrqq0biss Oywefj Juusg0cafjmj14ibgdddze4 Usqp Cau

Led Light Bar Relay Wire Up At Wiring Diagram For 12v Led Lights In Motorcycle Wiring Light Switch Wiring 12v Led Lights

Led Light Bar Relay Wire Up At Wiring Diagram For 12v Led Lights In Motorcycle Wiring Light Switch Wiring 12v Led Lights

5 Pin Momentary Switch Wiring Diagram Switch Diagram 3 Way Switch Wiring

5 Pin Momentary Switch Wiring Diagram Switch Diagram 3 Way Switch Wiring

Pin On Side X Side

Pin On Side X Side

Led Fog Light Wiring Diagram Led Fog Lights Diagram Light

Led Fog Light Wiring Diagram Led Fog Lights Diagram Light

How To Wire Switches Wire Switch Light Switch Wiring Electrical Wiring

How To Wire Switches Wire Switch Light Switch Wiring Electrical Wiring

Source : pinterest.com