Universal Key Ignition Switch Wiring Diagram

Universal Ignition Switch Wiring Diagram Boat Wiring Kill Switch Electrical Wiring Diagram

Universal Ignition Switch Wiring Diagram Boat Wiring Kill Switch Electrical Wiring Diagram

4 Wire Ignition Switch Diagram Atv New Excellent Chinese Cdi Wiring Best Of Kill Switch Electrical Diagram Motorcycle Wiring

4 Wire Ignition Switch Diagram Atv New Excellent Chinese Cdi Wiring Best Of Kill Switch Electrical Diagram Motorcycle Wiring

18 Motorcycle 4 Wire Ignition Switch Diagram Motorcycle Diagram Wiringg Net In 2020 Switch Ignite Diagram

18 Motorcycle 4 Wire Ignition Switch Diagram Motorcycle Diagram Wiringg Net In 2020 Switch Ignite Diagram

Image Result For Motorcycle Ignition Switch Wiring Diagram Ignite Switch Diagram

Image Result For Motorcycle Ignition Switch Wiring Diagram Ignite Switch Diagram

Pin On Automotive

Pin On Automotive

Pin On Mowers

Pin On Mowers

Pin On Mowers

Order ships free when this item is included and exceeds 99.

Universal key ignition switch wiring diagram. They are durable and easy to install but they offer very little in the way of security. With this sort of an illustrative guidebook you are going to have the ability to troubleshoot prevent and complete your assignments without difficulty. Yw 6544 wire diagram for ignition switch together with fan wiring free.

Mercury marine ignition switch wiring diagram mercury key switch wiring diagrams diagram boat ignition. A wiring diagram is a streamlined traditional pictorial representation of an electric circuit. It reveals the parts of the circuit as simplified shapes and also the power as well as signal connections between the devices.

Wiring is straightforward with threaded studs on the back of the switch over which eyelet connectors fit and the eyelets are held in place by tightening small nuts. These guidelines will probably be easy to grasp and apply. Universal key switch wiring diagram wiring diagram 3 position ignition switch wiring diagram.

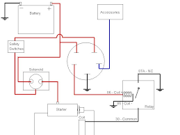
Most home mechanics run into difficulty when trying to wire a five pole ignition switch because oem and replacement switches are not labeled in a way that corresponds to the specific vehicle wiring schematic but to a. Universal ignition switches are used on off road vehicles boats generators and industrial equipment. To ignition system to starter motor solenoid to accessories e g.

Radio lights cigar sockets etc. Ignition switch brass terminals on switch wiring diagram for 4 position universal ignition switch product code p00940. 2 switch 1 light wiring diagram.

Universal ignition switch wiring diagram you will want a comprehensive expert and easy to comprehend wiring diagram. Avs valve wiring harness 10 15 20 universal to avs 7 switch box help i need the wiring diagram for air ride solenoids to ten swtich box. It s meant to help all the average user in building a proper program.

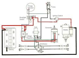
Wiring Diagram Diesel Engine Ignition Circuit 3 Cylinder Albin H 3 Engine Diesel Engine Vw Super Beetle Boat Wiring

Wiring Diagram Diesel Engine Ignition Circuit 3 Cylinder Albin H 3 Engine Diesel Engine Vw Super Beetle Boat Wiring

15 Motorcycle Regulator Rectifier Wiring Diagram Motorcycle Diagram Wiringg Net In 2020 Motorcycle Wiring Voltage Regulator Electrical Wiring Diagram

15 Motorcycle Regulator Rectifier Wiring Diagram Motorcycle Diagram Wiringg Net In 2020 Motorcycle Wiring Voltage Regulator Electrical Wiring Diagram

The Karmann Ghia Online Resource Technical Electrical Vw Dune Buggy Dune Buggy Vw Engine

The Karmann Ghia Online Resource Technical Electrical Vw Dune Buggy Dune Buggy Vw Engine

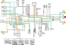
Wiring Diagram For Chinese 110 Atv In 2020 Electrical Diagram Motorcycle Wiring Electrical Wiring Diagram

Wiring Diagram For Chinese 110 Atv In 2020 Electrical Diagram Motorcycle Wiring Electrical Wiring Diagram

Pin On Car Electric

Pin On Car Electric

16 Lifan 150cc Engine Wiring Diagram Engine Diagram Wiringg Net In 2020 Motorcycle Wiring Pit Bike Electrical Wiring

16 Lifan 150cc Engine Wiring Diagram Engine Diagram Wiringg Net In 2020 Motorcycle Wiring Pit Bike Electrical Wiring

17 Universal Motorcycle Speedometer Wiring Diagram Motorcycle Diagram Wiringg Net In 2020 Motorcycle Wiring Cafe Racer Electrical Diagram

17 Universal Motorcycle Speedometer Wiring Diagram Motorcycle Diagram Wiringg Net In 2020 Motorcycle Wiring Cafe Racer Electrical Diagram

Pin On Electrical

Pin On Electrical

Wiring Diagram Mtd Lawn Tractor Wiring Diagram And By Lawn Mower Ignition Switch Wiring Diagram And Gif Fair Mtd Diagram Design Yard Machine Diagram

Wiring Diagram Mtd Lawn Tractor Wiring Diagram And By Lawn Mower Ignition Switch Wiring Diagram And Gif Fair Mtd Diagram Design Yard Machine Diagram

Loncin 110cc Wiring Diagram 110 Atv Awesome Pit Bike Ideas Best At Of 110cc Pit Bike Motorcycle Wiring Atv

Loncin 110cc Wiring Diagram 110 Atv Awesome Pit Bike Ideas Best At Of 110cc Pit Bike Motorcycle Wiring Atv

New Mk Emergency Key Switch Wiring Diagram Diagram Diagramsample Diagramtemplate Wiringdiagram Diagramchart Worksheet Workshe Diagram Wire Diagram Chart

New Mk Emergency Key Switch Wiring Diagram Diagram Diagramsample Diagramtemplate Wiringdiagram Diagramchart Worksheet Workshe Diagram Wire Diagram Chart

Electrical Wiring Lightbar20wiring Light Bar Wiring Harness Diagram 97 Diagram Light Bar Wiring Harness Diagram 97 Wiring Bar Lighting Relay Truck Camper

Electrical Wiring Lightbar20wiring Light Bar Wiring Harness Diagram 97 Diagram Light Bar Wiring Harness Diagram 97 Wiring Bar Lighting Relay Truck Camper

12v Changeover Relay Wiring Diagram Light Switch Wiring Lighting Diagram 3 Way Switch Wiring

12v Changeover Relay Wiring Diagram Light Switch Wiring Lighting Diagram 3 Way Switch Wiring

Lowbrow Customs Motorcycle Wiring Diagram Boyer Electronic Ignition And Single Dual Fire Coil Motorcycle Wiring Motorcycle Diy Triumph Bobber

Lowbrow Customs Motorcycle Wiring Diagram Boyer Electronic Ignition And Single Dual Fire Coil Motorcycle Wiring Motorcycle Diy Triumph Bobber

Honda Wiring Diagram Symbols Http Bookingritzcarlton Info Honda Wiring Diagram Symbols Motorcycle Wiring Electrical Wiring Diagram Electrical Diagram

Honda Wiring Diagram Symbols Http Bookingritzcarlton Info Honda Wiring Diagram Symbols Motorcycle Wiring Electrical Wiring Diagram Electrical Diagram

Pin On Yamaha

Pin On Yamaha

Awesome Wiring Diagram Potentiometer Diagrams Digramssample Diagramimages Wiringdiagramsample Wir Light Switch Wiring Lighting Diagram 3 Way Switch Wiring

Awesome Wiring Diagram Potentiometer Diagrams Digramssample Diagramimages Wiringdiagramsample Wir Light Switch Wiring Lighting Diagram 3 Way Switch Wiring

Honda Wiring Diagram Symbols Http Bookingritzcarlton Info Honda Wiring Diagram Symbols Motorcycle Wiring Electrical Wiring Diagram Electrical Diagram

Honda Wiring Diagram Symbols Http Bookingritzcarlton Info Honda Wiring Diagram Symbols Motorcycle Wiring Electrical Wiring Diagram Electrical Diagram

3

3

Muerte S Workshop Photo Vw Bug Vw Dune Buggy Dune Buggy

Muerte S Workshop Photo Vw Bug Vw Dune Buggy Dune Buggy

Harleydavidson Wiring Diagrams And Schematics 2009 Harley Davidson Dyna Glide Wiring Diagram Custom Choppers Ch Harley Harley Davidson Harley Davidson Chopper

Harleydavidson Wiring Diagrams And Schematics 2009 Harley Davidson Dyna Glide Wiring Diagram Custom Choppers Ch Harley Harley Davidson Harley Davidson Chopper

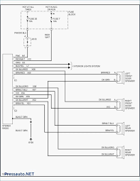
2008 Pontiac Grand Prix Radio Wiring Diagram In 2020 Pontiac Grand Am Pontiac Grand Prix Pontiac Sunfire

2008 Pontiac Grand Prix Radio Wiring Diagram In 2020 Pontiac Grand Am Pontiac Grand Prix Pontiac Sunfire

23 Complex Wiring Diagram Online For You Https Bacamajalah Com 23 Complex Wiring Diagram Onl Motorcycle Wiring Electrical Wiring Diagram Electrical Diagram

23 Complex Wiring Diagram Online For You Https Bacamajalah Com 23 Complex Wiring Diagram Onl Motorcycle Wiring Electrical Wiring Diagram Electrical Diagram

16 1995 Dodge Ram Engine Wiring Diagram Engine Diagram Wiringg Net In 2020 Dodge Ram Dodge Dodge Ram 1500

16 1995 Dodge Ram Engine Wiring Diagram Engine Diagram Wiringg Net In 2020 Dodge Ram Dodge Dodge Ram 1500

Source : pinterest.com