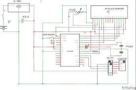
4 Wire Load Cell Color Code

A wiring diagram is a simplified conventional pictorial representation of an electrical circuit. It shows the components of the circuit as simplified shapes, and the power and signal connections between the devices.

4 Wire Load Cell Color Code. Load cell wiring diagram beautiful tha series through hole donut. About 6 wire load cells. Load cell male cp 1040 nd sd 40 free handing amp box use either female female cp 1240 nd sd 40sn panel mount cp 1140 nd sd 40j free hanging alternative.

Security Camera Wiring Color Code Free Download In 2020 Security Camera Diy Security Camera Diy Security
Security Camera Wiring Color Code Free Download In 2020 Security Camera Diy Security Camera Diy Security from www.pinterest.com

Cp 1034 nd locking plug and cp 1234 nd locking receptacle notes. Levermount load feet blue pu red blue green yellow t85 n la85 a v load feet black pvc green black red white t85 t load foot 35916 blue pu red blue green yellow t95 la95 blue pu red blue green yellow vc3500 la3500 mastermount blue pu red blue green yellow discontinued load cells manufactured from 01 01 2008 onwards. Load cell male cp 1040 nd sd 40 free handing amp box use either female female cp 1240 nd sd 40sn panel mount cp 1140 nd sd 40j free hanging alternative. About 6 wire load cells.

Load cell circuit diagram awesome load cell wiring color code wiring.

Unfortunately there is no standard wiring colour code for load cells so you will need to know from data supplied with the cell which wires are the excitation wires and which wires are the signal wires see section 2 6 for colour code examples. 1 pin numbers indicated in red text 2 views show mating faces. Mdb gso mlp tll 500 3k lbm lbo lbc slb lwo th series ssm dsm mlc swo 1k 2k sbo tbs ebb lsp esp spl sbl rts trt trs. Load cell circuit diagram awesome load cell wiring color code wiring. These wires need to be connected between the sense and input and the other bridge wire from the sense to the input.

4 Wire Load Cell Color Code. Levermount load feet blue pu red blue green yellow t85 n la85 a v load feet black pvc green black red white t85 t load foot 35916 blue pu red blue green yellow t95 la95 blue pu red blue green yellow vc3500 la3500 mastermount blue pu red blue green yellow discontinued load cells manufactured from 01 01 2008 onwards. Mettler toledo load cell wiring diagram sample collections of load cell wiring diagram luxury amazing load cell junction box.