57 Chevy Ignition Wiring Diagram

1957 Chevy Ignition Switch Wiring Diagram Chevy Trailer Light Wiring 57 Chevy Bel Air

1957 Chevy Ignition Switch Wiring Diagram Chevy Trailer Light Wiring 57 Chevy Bel Air

16 1957 Chevy Truck Ignition Switch Wiring Diagram Electrical Wiring Diagram Chevy Trucks Trailer Wiring Diagram

16 1957 Chevy Truck Ignition Switch Wiring Diagram Electrical Wiring Diagram Chevy Trucks Trailer Wiring Diagram

56 Bel Air Ignition Switch Wiring Trifive Com 1955 Chevy 1956 Chevy 1957 Chevy Forum Talk About Your 55 Chevy 56 Chevy 57 Chevy Chevy 1955 Chevy 55 Chevy

56 Bel Air Ignition Switch Wiring Trifive Com 1955 Chevy 1956 Chevy 1957 Chevy Forum Talk About Your 55 Chevy 56 Chevy 57 Chevy Chevy 1955 Chevy 55 Chevy

57 Chevy Wiring Diagram 1957 Chevrolet Diagram Chevrolet

57 Chevy Wiring Diagram 1957 Chevrolet Diagram Chevrolet

10 1957 Truck 3100 Wiring Diagram Truck Diagram Wiringg Net In 2020 1946 Chevy Truck 57 Chevy Trucks Chevy Trucks

10 1957 Truck 3100 Wiring Diagram Truck Diagram Wiringg Net In 2020 1946 Chevy Truck 57 Chevy Trucks Chevy Trucks

Ignition Switch Troubleshooting Wiring Diagrams Boat Wiring Electrical Diagram Boat Restoration

Ignition Switch Troubleshooting Wiring Diagrams Boat Wiring Electrical Diagram Boat Restoration

Ignition Switch Troubleshooting Wiring Diagrams Boat Wiring Electrical Diagram Boat Restoration

1957 6 1957 v8 1957 corvette 1958 6 1958 v8 1958 corvette 1959 corvette 1959 6 1959 v8 1960 6 1960 v8 1960 corvair.

57 chevy ignition wiring diagram. 57 chevy ignition switch wiring diagram. Here are some of the top drawings we obtain from various resources we really hope these photos will be useful to you and ideally very appropriate to what you want regarding the 1957 chevy bel air ignition switch wiring is. View and download chevrolet chevy 1957 1965 wiring diagrams wiring diagram online.

All circuits are usually the same. Chevy wiring diagrams size. 57 chevy ignition switch wiring diagram source.

57 chevy ignition switch wiring diagram wiring diagrams hubs gm ignition switch wiring diagram. Vintage original 57 chevy ignition switch bezel retainer trim ring 3736490 nice see more like this. My specialty is 55 57 chevy and 53 62 corvette but can assist up to 1967 with both.

It contains instructions and diagrams for different types of wiring methods as well as other things like lights home windows etc. Voltage ground single component and buttons. Jan 27 2014 this pin was discovered by claire shepherd.

55 2 59 wiring schematic for key switch 1956 chevy ignition 1957 2018 diagram 1955 chevrolet 57 full wire harness installation instructions 1970 truck bel air tail light 657619 wagon diagrams gm dodge ke just dash 5915a59 and turn painless 305 camaro fuse box 65 yet again another lock horn headlights pdf ign web01 68. 800 x 600 px source. Chevy color code for dummies.

Chevy 1957 1965 wiring diagrams automobile pdf manual download. Click below to watch the video.

12 1957 Chevy Truck Wiring Diagram Truck Diagram Wiringg Net In 2020 Powerstroke Chevy Trucks 1957 Chevrolet

12 1957 Chevy Truck Wiring Diagram Truck Diagram Wiringg Net In 2020 Powerstroke Chevy Trucks 1957 Chevrolet

1957 Chevy Fuel Gauge Wiring Diagram In 2020 Gauges Chevy Diagram

1957 Chevy Fuel Gauge Wiring Diagram In 2020 Gauges Chevy Diagram

Pin On Trucks

Pin On Trucks

Metro Chevrolet Feedback Luxury Wrg 8765 57 Chevy Turn Signal Wiring Diagram In 2020 Diagram Automotive Electrical Motorcycle Wiring

Metro Chevrolet Feedback Luxury Wrg 8765 57 Chevy Turn Signal Wiring Diagram In 2020 Diagram Automotive Electrical Motorcycle Wiring

Pin On 55 56 57 58 59 Chevy Pickup Trucks

Pin On 55 56 57 58 59 Chevy Pickup Trucks

Gm Ignition Wiring Wiring Diagram Kia Automotive Wiring Diagrams Chevy Wiring Diagram Trailer Wiring Diagram Chevy 1500 Chevy Trucks

Gm Ignition Wiring Wiring Diagram Kia Automotive Wiring Diagrams Chevy Wiring Diagram Trailer Wiring Diagram Chevy 1500 Chevy Trucks

1957 Chevy Electrical Wiring Diagrams Fuse Box And Electrical Wiring Diagram Circuit Diagram Diagram

1957 Chevy Electrical Wiring Diagrams Fuse Box And Electrical Wiring Diagram Circuit Diagram Diagram

Pin On Wiring

Pin On Wiring

1965 Ford F100 Ignition Switch Wiring Diagram Schematic Diagrams 1965 Ford F100 Exterior Accessories Ford

1965 Ford F100 Ignition Switch Wiring Diagram Schematic Diagrams 1965 Ford F100 Exterior Accessories Ford

New Car Dimmer Switch Wiring Diagram Diagram Diagramtemplate Diagramsample Sistema Electrico Electrica Motor Ford

New Car Dimmer Switch Wiring Diagram Diagram Diagramtemplate Diagramsample Sistema Electrico Electrica Motor Ford

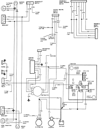
1983 Chevy Truck Wiring Diagram In 2020 Chevy Trucks Chevy Pickups 1986 Chevy Truck

1983 Chevy Truck Wiring Diagram In 2020 Chevy Trucks Chevy Pickups 1986 Chevy Truck

Pin On Don Boyle

Pin On Don Boyle

2016 Chrysler Drifter Lucu

2016 Chrysler Drifter Lucu

Ignition System Issue Mustang 1967 Mustang Vintage Mustang

Ignition System Issue Mustang 1967 Mustang Vintage Mustang

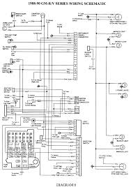
2003 Chevy Silverado Ignition Wiring Diagram Chevy Silverado 2003 Chevy Silverado Chevy

2003 Chevy Silverado Ignition Wiring Diagram Chevy Silverado 2003 Chevy Silverado Chevy

New Wiring Diagram For Au Falcon Radio Diagram Ford Pickup Ford Ranger

New Wiring Diagram For Au Falcon Radio Diagram Ford Pickup Ford Ranger

Wiring Harness Fargo Truck Dodge Pickup Dodge Trucks

Wiring Harness Fargo Truck Dodge Pickup Dodge Trucks

Unique Wiring Diagram Kelistrikan Ac Diagram Diagramtemplate Diagramsample Diagrama De Circuito Electrico Circuito Electrico Diagrama De Circuito

Unique Wiring Diagram Kelistrikan Ac Diagram Diagramtemplate Diagramsample Diagrama De Circuito Electrico Circuito Electrico Diagrama De Circuito

3

3

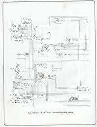
Wiring Diagram 1973 1976 Chevy Pickup Chevy Wiring Diagram 1973 Chevy Truck 1976 Chevy Truck Chevy Pickups

Wiring Diagram 1973 1976 Chevy Pickup Chevy Wiring Diagram 1973 Chevy Truck 1976 Chevy Truck Chevy Pickups

Pin On Rat Rod Ideas

Pin On Rat Rod Ideas

Gm Hei Distributor And Coil Wiring Diagram Diagram Msd Wire

Gm Hei Distributor And Coil Wiring Diagram Diagram Msd Wire

Pin On Parts Breakdown

Pin On Parts Breakdown

1985 Chevy Truck Wiring Diagram Fitfathers Me Extraordinary At 1986 Chevy Truck Wiring Diagram 1985 Chevy Truck 1984 Chevy Truck Chevy Trucks

1985 Chevy Truck Wiring Diagram Fitfathers Me Extraordinary At 1986 Chevy Truck Wiring Diagram 1985 Chevy Truck 1984 Chevy Truck Chevy Trucks

Source : pinterest.com