Audi A4 B6 Bose Amp Wiring Diagram

Unique Audi A4 Bose Amp Wiring Diagram Diagram Diagramtemplate Diagramsample Chevy Silverado Chevy Trailblazer Chevy Equinox

Unique Audi A4 Bose Amp Wiring Diagram Diagram Diagramtemplate Diagramsample Chevy Silverado Chevy Trailblazer Chevy Equinox

Unique Audi A4 Bose Amp Wiring Diagram Diagram Diagramtemplate Diagramsample Audi A4 Audi Bose

Unique Audi A4 Bose Amp Wiring Diagram Diagram Diagramtemplate Diagramsample Audi A4 Audi Bose

Unique Audi A4 Bose Amp Wiring Diagram Diagram Diagramtemplate Diagramsample Car Amplifier Amplifier Electrical Wiring Diagram

Unique Audi A4 Bose Amp Wiring Diagram Diagram Diagramtemplate Diagramsample Car Amplifier Amplifier Electrical Wiring Diagram

Unique Audi A4 B8 Headlight Wiring Diagram Diagram Diagramtemplate Diagramsample Check More At Htt Lincoln Town Car Jeep Grand Cherokee Laredo Car Amplifier

Unique Audi A4 B8 Headlight Wiring Diagram Diagram Diagramtemplate Diagramsample Check More At Htt Lincoln Town Car Jeep Grand Cherokee Laredo Car Amplifier

Car Amplifier Wiring Diagram Installation Http Bookingritzcarlton Info Car Amplifier Wiring Diagram In Subwoofer Wiring Car Amplifier Car Audio Installation

Car Amplifier Wiring Diagram Installation Http Bookingritzcarlton Info Car Amplifier Wiring Diagram In Subwoofer Wiring Car Amplifier Car Audio Installation

Unique 2008 Audi A4 Radio Wiring Diagram Sistema De Audio Toyota Tercel Toyota

Unique 2008 Audi A4 Radio Wiring Diagram Sistema De Audio Toyota Tercel Toyota

Unique 2008 Audi A4 Radio Wiring Diagram Sistema De Audio Toyota Tercel Toyota

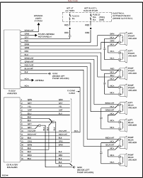
Wiring diagram ws white sw black ro red br brown gn green bl blue gr grey li lilac ge yellow ground connections or orange rs pink audi a4 no.

Audi a4 b6 bose amp wiring diagram. Here is the stereo radio wiring information for your 2005 audi b6 b7 a4 with the standard symphony or bose systems. I keep hearing the bose speakers are 2ohms. Bose amp wiring diagram audi a4 bose amp wiring diagram inspirationa rccarsusa page 5 24 wiring diagrams sample and frees.

Delta ii bose m487 auz1z8. Images for audi bose wiring diagram pin outs for concert and concert w bose audiworlds b b stereo wiring diagram pics inside audiworlds audi a car radio audio stereo wiring diagram colors need bose amp pinout audi s tweet. Audi car radio stereo audio wiring diagram autoradio connector wire installation schematic schema esquema de conexiones stecker konektor connecteur cable shema car stereo harness wire speaker pinout.

0 response to audi bose wiring diagram. Audi car radio stereo audio wiring audizine forums 96 a4 harness diagram 2002 aftermarket 2006 full tt bose physics s4 b6 door b9 a6 1 9 tdi a3 b7 2008 2001 diagrams symphony 2 2003 2018 0 satellite skoda 2000 01 ar 0748 concert bentley 2005 ii. Delta ii bose auz1z8.

Amusing audi a4 radio wiring diagram gallery wiring schematic size. Make sure to grab the appropriate tools to test all the wires in your a4. Diagram audi a4 b7 1 9 tdi wiring full version hd quality diagramxmick bicle it.

But are the speakers themselves 2ohms or are they wired in parallel or series with the tweeters to create this load. 2 3 t4k 4 pin connector black near front bumper 3 ground strap engine to body 12 ground connection in engine compartment left 44 ground connection lower left a pillar. It will be useful when installing an aftermarket radio sound stereo system or other automotive accessories.

Audi a4 symphony. Hello all so i have a 2004 a4 b6 with bose and no wheel controls and i have a couple questions. 800 x 600 px source.

Audi A6 Q7 Bose Audio Amplifier Module Replacement Circuit Board J525 Module Circuit Board In 2020 Electrical Wiring Diagram Circuit Board Audio Amplifier

Audi A6 Q7 Bose Audio Amplifier Module Replacement Circuit Board J525 Module Circuit Board In 2020 Electrical Wiring Diagram Circuit Board Audio Amplifier

Delphi Radio Wiring Diagram Gambarin Us Post Date 10 Dec 2018 78 Source Http Readingrat Net Wp Content Radio Diagram Electrical Wiring Diagram

Delphi Radio Wiring Diagram Gambarin Us Post Date 10 Dec 2018 78 Source Http Readingrat Net Wp Content Radio Diagram Electrical Wiring Diagram

35 Beautiful 2002 Chevy Cavalier Radio Wiring Diagram In 2020 Chevy Trailblazer Chevy Impala 2004 Chevy Silverado

35 Beautiful 2002 Chevy Cavalier Radio Wiring Diagram In 2020 Chevy Trailblazer Chevy Impala 2004 Chevy Silverado

Pin On Duster

Pin On Duster

Pin De Tom Decker En Volkswagen En 2020 Audio De Automoviles Audio Coche Sistema De Audio

Pin De Tom Decker En Volkswagen En 2020 Audio De Automoviles Audio Coche Sistema De Audio

3

3

Https Encrypted Tbn0 Gstatic Com Images Q Tbn And9gcrbjnmos7ibozha Bjkpajtrb5jebbwjuccvylamzcm1gv7li9d Usqp Cau

Https Encrypted Tbn0 Gstatic Com Images Q Tbn And9gcrbjnmos7ibozha Bjkpajtrb5jebbwjuccvylamzcm1gv7li9d Usqp Cau

Https Encrypted Tbn0 Gstatic Com Images Q Tbn And9gcs5ebl1yvee9iaajsolh400dbudd Nkicsiqctshfod89kbgowv Usqp Cau

Https Encrypted Tbn0 Gstatic Com Images Q Tbn And9gcs5ebl1yvee9iaajsolh400dbudd Nkicsiqctshfod89kbgowv Usqp Cau

3

3

Source : pinterest.com

Random Posts