Bennett Trim Tab Rocker Switch Wiring Diagram

Diagram Bennett Trim Tab Rocker Switch Wiring Diagram Full Version Hd Quality Wiring Diagram Ansiphone Mostrenapoli It

Diagram Bennett Trim Tab Rocker Switch Wiring Diagram Full Version Hd Quality Wiring Diagram Ansiphone Mostrenapoli It

Manuals Bennett Trim Tab Wiring Diagram Pdf Full Version Hd Quality Wiring Diagram Securityusermanuals Contearreda It

Manuals Bennett Trim Tab Wiring Diagram Pdf Full Version Hd Quality Wiring Diagram Securityusermanuals Contearreda It

Wiring Diagram Flat Rocker Switch Saf S Saf Ns Sf S Series Lectrotab Electromechanical Trim Tab Systems

Wiring Diagram Flat Rocker Switch Saf S Saf Ns Sf S Series Lectrotab Electromechanical Trim Tab Systems

Diagram Rocker Switch Wiring Diagram For Bennett Full Version Hd Quality For Bennett Pediagram Hotelristoranteeuropa It

Diagram Rocker Switch Wiring Diagram For Bennett Full Version Hd Quality For Bennett Pediagram Hotelristoranteeuropa It

Diagram Rocker Switch Wiring Diagram For Bennett Full Version Hd Quality For Bennett Wiringindustries Formazione Scuola Corsi It

Diagram Rocker Switch Wiring Diagram For Bennett Full Version Hd Quality For Bennett Wiringindustries Formazione Scuola Corsi It

Diagram Trim Tabs Wiring Diagram Full Version Hd Quality Wiring Diagram Vonschematicsh Cheyco It

Diagram Trim Tabs Wiring Diagram Full Version Hd Quality Wiring Diagram Vonschematicsh Cheyco It

Diagram Trim Tabs Wiring Diagram Full Version Hd Quality Wiring Diagram Vonschematicsh Cheyco It

If you want to find the other picture or article about.

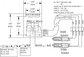
Bennett trim tab rocker switch wiring diagram. With such an illustrative manual you are going to be capable of troubleshoot stop and total your assignments with ease. Bennett hydraulic trim tab wiring diagram bennett hydraulic trim tab wiring diagram. The port trim tab lowers the starboard bow and the starboard trim tab lowers the port bow.

Bennett trim tab rocker switch wiring diagram 2 1 2 hole saw for euro style rocker. Switch control step 2 attach the mounting plates and trim tab with 10 x 1 stainless steel screws along the bottom of the then run wiring harness from hpu to helm. Furthermore wiring diagram gives you time body during which the assignments are to be completed.

Bennett trim tab switch wiring diagram. You will be in a position to learn precisely once the projects should be completed that makes it easier for you to correctly handle your time and effort. Diagram lenco trim tab wiring full version hd quality mandiagram7 tuttocesenaweb it rocker switch for bennett carradiowiringdiagram utensileaffilato jdiagram acrept fr flat saf s ns sf series lectrotab electromechanical systems manual auto retractor marine pdf catalogs doentation boating brochures databaseomi fesn2019 owner jeepdiagramsq robin saulet diagram lenco trim tab wiring full version.

Lt lighted tip toggle switch wiring for navigation lights similar to diagram above nav light wiring on vjdj contura rocker switch unlabeled terminal on right is not what does the lenco control box do. With such an illustrative manual you are going to be capable of troubleshoot stop and total your assignments with ease. Lenco trim tab wiring diagram wiring diagram bennett trim tab wiring diagram.

Properly sized trim tabs improve the performance of your boat by adjusting the running angle of your vessel. The trim tab surface creates upward pressure raising the stern and lowering the bow. Wiring diagram flat rocker switch safs safns sfs series data bennett trim tab system overview youtube.

Bennett marine trim tabs help you get on plane faster correct. Higginbotham bennett trim tab wiring diagram you ll need a comprehensive professional and easy to know wiring diagram. The actuator is the handle.

Rocker Switch Products Lectrotab Electromechanical Trim Tab Systems

Rocker Switch Products Lectrotab Electromechanical Trim Tab Systems

Pin On Mis Archivos

Pin On Mis Archivos

Wiring Diagram Oval Led Control Setr Series Lectrotab Electromechanical Trim Tab Systems

Wiring Diagram Oval Led Control Setr Series Lectrotab Electromechanical Trim Tab Systems

Pin On Mis Archivos

Pin On Mis Archivos

Pin By Macondo On Electric Power Car Audio Installation Automotive Electrical Electrical Projects

Pin By Macondo On Electric Power Car Audio Installation Automotive Electrical Electrical Projects

Direct Tv Diagram Hook Up Structured Wiring House Wiring Directv

Direct Tv Diagram Hook Up Structured Wiring House Wiring Directv

Hydraulic Press Circuit Diagram Pdf Molding Press Wiring Diagram 28 Wiring Diagram In 2020 Hydraulic Circuit Diagram Diagram

Hydraulic Press Circuit Diagram Pdf Molding Press Wiring Diagram 28 Wiring Diagram In 2020 Hydraulic Circuit Diagram Diagram

12v Wiring Basics Wiring Diagram 500 12v Dc Connectors 12v Dc Wiring Guide 3 In 2020 Electrical Diagram Circuit Diagram Automotive Electrical

12v Wiring Basics Wiring Diagram 500 12v Dc Connectors 12v Dc Wiring Guide 3 In 2020 Electrical Diagram Circuit Diagram Automotive Electrical

Garmin 478 Manual Nmea 183wiring In 2020 Garmin Gps Garmin Gps

Garmin 478 Manual Nmea 183wiring In 2020 Garmin Gps Garmin Gps

1967 Beetle Wiring Diagram Usa Thegoldenbug Com

1967 Beetle Wiring Diagram Usa Thegoldenbug Com

Rlc Phasor Diagram New In 2020 Diagram Led Panel Led

Rlc Phasor Diagram New In 2020 Diagram Led Panel Led

Special Applications With Spdt Relays Diagrams Automotive Electrical Relay Electrical Diagram

Special Applications With Spdt Relays Diagrams Automotive Electrical Relay Electrical Diagram

Pin On Trim Tabs

Pin On Trim Tabs

Cat5 Wall Plate Wiring Diagram New Di 2020

Cat5 Wall Plate Wiring Diagram New Di 2020

Arduino Mega 2560 Arduino Arduino Projects Hindi Books

Arduino Mega 2560 Arduino Arduino Projects Hindi Books

Instalacion Electrica En Una Furgoneta Camper Tierras Insolitas Furgoneta Camper Instalacion Electrica Camper

Instalacion Electrica En Una Furgoneta Camper Tierras Insolitas Furgoneta Camper Instalacion Electrica Camper

Wiring 08 Ninja Zx6r Tail Light New Di 2020

Wiring 08 Ninja Zx6r Tail Light New Di 2020

Google Leece Neville 4024553c91 Wiring New Di 2020

Google Leece Neville 4024553c91 Wiring New Di 2020

Https Encrypted Tbn0 Gstatic Com Images Q Tbn And9gcthvnbvazpeyyvzwtnpns9voafn4jyzlz6yt9x6xyney1rqu3qr Usqp Cau

Https Encrypted Tbn0 Gstatic Com Images Q Tbn And9gcthvnbvazpeyyvzwtnpns9voafn4jyzlz6yt9x6xyney1rqu3qr Usqp Cau

Cat5 Wall Plate Wiring Diagram New Di 2020

Cat5 Wall Plate Wiring Diagram New Di 2020

Unique 2003 Ford Taurus Spark Plug Wiring Diagram In 2020 Spark Plug Taurus Ford

Unique 2003 Ford Taurus Spark Plug Wiring Diagram In 2020 Spark Plug Taurus Ford

Cat5 Wall Plate Wiring Diagram New Di 2020

Cat5 Wall Plate Wiring Diagram New Di 2020

Hakko T12 Soldering Tips Di 2020

Hakko T12 Soldering Tips Di 2020

Amazon Com Auxbeam 12 72w Led Light Bar 7200lm Combo Beams 24pcs 3w Cree Chips Bar Lighting Led Light Bars Led Lights

Amazon Com Auxbeam 12 72w Led Light Bar 7200lm Combo Beams 24pcs 3w Cree Chips Bar Lighting Led Light Bars Led Lights

Source : pinterest.com