Briggs 4 Pole Solenoid Wiring Diagram

Pin On Wiring Diagram

Pin On Wiring Diagram

Pin On Bathroom

Pin On Bathroom

Starter Solenoid Wiring Diagram For Lawn Mower 2 Electrical Diagram Lawn Tractor Riding Lawn Mowers

Starter Solenoid Wiring Diagram For Lawn Mower 2 Electrical Diagram Lawn Tractor Riding Lawn Mowers

Pin On Diagrama Electrico De Tractores

Pin On Diagrama Electrico De Tractores

Pin On Mowers

Pin On Mowers

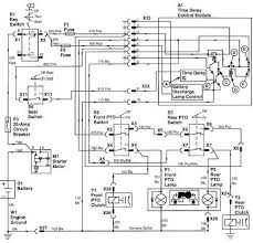
Kohler Engine Electrical Diagram Craftsman 917 270930 Wiring Diagram I Colored A Few Wires To Mak Engineering Craftsman Riding Lawn Mower Electrical Diagram

Kohler Engine Electrical Diagram Craftsman 917 270930 Wiring Diagram I Colored A Few Wires To Mak Engineering Craftsman Riding Lawn Mower Electrical Diagram

Kohler Engine Electrical Diagram Craftsman 917 270930 Wiring Diagram I Colored A Few Wires To Mak Engineering Craftsman Riding Lawn Mower Electrical Diagram

Stratton 4 pole starter solenoid 5410k the home depot 4 pole solenoid wiring diagram wiring diagram not only provides detailed illustrations of what you can do but additionally the processes you ought to stick to while doing so.

Briggs 4 pole solenoid wiring diagram. For instance if a module is usually powered up also it sends out a new signal of 50 percent the voltage plus the technician will not know this he would think he provides a challenge as this individual would expect a 12v signal. Collection of 4 pole starter solenoid wiring diagram. A wiring diagram is a streamlined conventional pictorial representation of an electrical circuit.

800 x 600 px source. Briggs and stratton 4 pole starter solenoid wiring diagram. It reveals the elements of the circuit as streamlined shapes and the power and signal links between the gadgets.

Whatever you are we attempt to bring the content that matches just what you are looking for. Briggs and stratton 4 pole starter solenoid wiring diagram source. 800 x 600 px source.

Effectively read a cabling diagram one provides to learn how the particular components within the program operate. Or you are a student or maybe even you who just want to know about briggs and stratton solenoid wiring diagram. If you are replacing or rebuilding parts of the small engine on your lawn mower snow blower or other outdoor power equipment the basic schematics or wiring diagrams of our alternator systems are available in our guides below.

Search for 4 pole solenoid wiring diagram here and subscribe to this site 4 pole solenoid wiring diagram read more. Here are some of the top drawings we receive from numerous sources we wish these photos will certainly work to you and ideally really pertinent to what you desire about the briggs and stratton v twin wiring diagram is. With such an illustrative guide you will have the ability to troubleshoot prevent and full your assignments without difficulty.

Find your 4 pole solenoid wiring diagram here for 4 pole solenoid wiring diagram and you can print out. Starter solenoid wiring diagram for lawn mower concer biz size. Scag ssz4216bv 40000 49999 parts diagram for electrical wiring size.

Ignition Wiring Basic Wiring Diagram Briggs Stratton Briggs Stratton 2013 Ford Fusion Fuse Box

Ignition Wiring Basic Wiring Diagram Briggs Stratton Briggs Stratton 2013 Ford Fusion Fuse Box

Pin On Cars

Pin On Cars

Pin En Diagrama Electrico De Tractores

Pin En Diagrama Electrico De Tractores

Wiring Diagram Mtd Lawn Tractor Wiring Diagram And By Lawn Mower Ignition Switch Wiring Diagram And Gif Fair Mtd Diagram Design Yard Machine Diagram

Wiring Diagram Mtd Lawn Tractor Wiring Diagram And By Lawn Mower Ignition Switch Wiring Diagram And Gif Fair Mtd Diagram Design Yard Machine Diagram

30 New Lawn Mower Starter Wiring Diagram In 2020 Craftsman Riding Lawn Mower Riding Lawn Mowers Riding Mower

30 New Lawn Mower Starter Wiring Diagram In 2020 Craftsman Riding Lawn Mower Riding Lawn Mowers Riding Mower

Craftsman Riding Mower Electrical Diagram Hello I Have A Craftsman Riding Mower Modelnnn Nn Nnnnwi Riding Mower Craftsman Riding Lawn Mower Lawn Mower Repair

Craftsman Riding Mower Electrical Diagram Hello I Have A Craftsman Riding Mower Modelnnn Nn Nnnnwi Riding Mower Craftsman Riding Lawn Mower Lawn Mower Repair

Voltage Regulator Rectifier Kohler Yesterday S Tractors Electrical Diagram Kohler Engines Engineering

Voltage Regulator Rectifier Kohler Yesterday S Tractors Electrical Diagram Kohler Engines Engineering

Photos Of Mecca Kohler Engine Parts Diagram Kohler Engine Parts Kohler Engines Electrical Diagram

Photos Of Mecca Kohler Engine Parts Diagram Kohler Engine Parts Kohler Engines Electrical Diagram

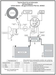
Lawn Tractor Ignition Systems And How They Work Ignition System Tractors Electrical Troubleshooting

Lawn Tractor Ignition Systems And How They Work Ignition System Tractors Electrical Troubleshooting

How To Rewire A Riding Lawn Mower Super Easy Riding Lawn Mowers Lawn Mower Repair Lawn Mower

How To Rewire A Riding Lawn Mower Super Easy Riding Lawn Mowers Lawn Mower Repair Lawn Mower

How To Fix A Starter Solenoid With Taryl Kohler Briggs Kawasaki Honda Lawn Mower Repair Engine Repair Mower

How To Fix A Starter Solenoid With Taryl Kohler Briggs Kawasaki Honda Lawn Mower Repair Engine Repair Mower

Gas Ezgo Wiring Diagram Ezgo Golf Cart Wiring Diagram E Z Go Wiring Diagram Gas Txt Medalist Gas Golf Carts Ezgo Golf Cart Golf Carts

Gas Ezgo Wiring Diagram Ezgo Golf Cart Wiring Diagram E Z Go Wiring Diagram Gas Txt Medalist Gas Golf Carts Ezgo Golf Cart Golf Carts

Image Result For Chinese 50cc Quad Wiring Atv Pit Bike Motorcycle Wiring

Image Result For Chinese 50cc Quad Wiring Atv Pit Bike Motorcycle Wiring

Pin On Animals

Pin On Animals

Pin By Tim Spann On Auto Elc In 2020 Small Engine Lawn Mower Repair Engine Repair

Pin By Tim Spann On Auto Elc In 2020 Small Engine Lawn Mower Repair Engine Repair

Toro Powershift Transmission Part 4 Gear Installation Lawn Tractor Engine Repair Small Engine

Toro Powershift Transmission Part 4 Gear Installation Lawn Tractor Engine Repair Small Engine

Pin On Wiring Diagram

Pin On Wiring Diagram

Pin On Power Station

Pin On Power Station

3

3

Lawn Tractor Ignition Systems And How They Work Ignition System Tractors Electrical Troubleshooting

Lawn Tractor Ignition Systems And How They Work Ignition System Tractors Electrical Troubleshooting

3

3

Https Encrypted Tbn0 Gstatic Com Images Q Tbn And9gctsjdojz Dymat6hjxkbtitwslejkwovzfx0ejci2wymkj0b3s Usqp Cau

Https Encrypted Tbn0 Gstatic Com Images Q Tbn And9gctsjdojz Dymat6hjxkbtitwslejkwovzfx0ejci2wymkj0b3s Usqp Cau

3

3

Source : pinterest.com