Generac 16 Circuit Transfer Switch Wiring Diagram

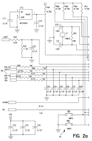
Generac Rtg16eza1 Generac Power Transfer Switch Sn 8652458 9574364 2015 Wiring Diagram 0h6453 Parts Lookup With Diagrams Partstree

Generac Rtg16eza1 Generac Power Transfer Switch Sn 8652458 9574364 2015 Wiring Diagram 0h6453 Parts Lookup With Diagrams Partstree

Generac Manual Transfer Switch Wiring Diagram Di 2020

Generac Manual Transfer Switch Wiring Diagram Di 2020

Diagram Automatic Backup Generator Transfer Switch Wiring Diagram Full Version Hd Quality Wiring Diagram Customcarwiring Utensileaffilato It

Diagram Automatic Backup Generator Transfer Switch Wiring Diagram Full Version Hd Quality Wiring Diagram Customcarwiring Utensileaffilato It

Generac Automatic Transfer Switch Wiring Diagram And Generator Extraordinary Diagrams In Transfer Switch Generator Transfer Switch Generator House

Generac Automatic Transfer Switch Wiring Diagram And Generator Extraordinary Diagrams In Transfer Switch Generator Transfer Switch Generator House

Diagram Manual Transfer Switch Wiring Diagram Gallery Wiring Diagram Full Version Hd Quality Wiring Diagram Vpndiagramf Spaghettiswing It

Diagram Manual Transfer Switch Wiring Diagram Gallery Wiring Diagram Full Version Hd Quality Wiring Diagram Vpndiagramf Spaghettiswing It

Diagram Wiring Diagram 10 Generator Transfer Switch Full Version Hd Quality Transfer Switch A20 Lucignani It

Diagram Wiring Diagram 10 Generator Transfer Switch Full Version Hd Quality Transfer Switch A20 Lucignani It

Diagram Wiring Diagram 10 Generator Transfer Switch Full Version Hd Quality Transfer Switch A20 Lucignani It

It reveals the elements of the circuit as simplified forms and the power and signal links between the tools.

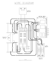
Generac 16 circuit transfer switch wiring diagram. Sd hsb transfer sw. Wire diagram for transfer switch wiring library generac generator wiring diagram wiring diagram not merely offers in depth illustrations of everything you can perform but in addition the procedures you need to stick to while doing so. A wiring diagram is a simplified conventional photographic depiction of an electrical circuit.

This transfer switch is suitable for use on a circuit capable of 22 000 rms 200a and 10 000 100a symmetrical amperes 240 vac maximum. Warr gen xfrsw 5b res com ac. A wiring diagram is a simplified traditional pictorial depiction of an electric circuit.

Assortment of generac manual transfer switch wiring diagram. Wd hsb transfer sw. Wd rtg transfer.

It shows the elements of the circuit as simplified shapes and also the power and also signal links between the devices. Wd rtg transfer switch 100a. Wd rtg transfer switch 50a.

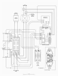
Assortment of generac whole house transfer switch wiring diagram. Generac ats wiring diagram download. Switch and the tungsten load does not exceed 30 percent of the switch rating.

4390 generac generator wiring schematic simple electronic.

Generator Transfer Switch Wiring Diagram Best Of In 2020 Electrical Wiring Diagram Electrical Diagram Diagram

Generator Transfer Switch Wiring Diagram Best Of In 2020 Electrical Wiring Diagram Electrical Diagram Diagram

How I Installed The Generac Generator Transfer Switch Full Install Home Link Youtube

How I Installed The Generac Generator Transfer Switch Full Install Home Link Youtube

Generac Automatic Transfer Switch Wiring Diagram Dodgees Auto Honda Prolocovillasanta It

Generac Automatic Transfer Switch Wiring Diagram Dodgees Auto Honda Prolocovillasanta It

Generator Automatic Transfer Switch Wiring Diagram In 2020 Generator Transfer Switch Transfer Switch Diagram

Generator Automatic Transfer Switch Wiring Diagram In 2020 Generator Transfer Switch Transfer Switch Diagram

Pin Di Wiring Diagram

Pin Di Wiring Diagram

Unique Home Electric Wiring Diagrams Diagram Wiringdiagram Diagramming Diagramm Vi Electrical Circuit Diagram Electrical Diagram Electrical Wiring Diagram

Unique Home Electric Wiring Diagrams Diagram Wiringdiagram Diagramming Diagramm Vi Electrical Circuit Diagram Electrical Diagram Electrical Wiring Diagram

Key Specs Item 48920 Brand Generac Manufacturer S Warranty 60 Months Parts 24months Labor Ship Weight 39 In 2020 Transfer Switch Generator Transfer Switch Switch

Key Specs Item 48920 Brand Generac Manufacturer S Warranty 60 Months Parts 24months Labor Ship Weight 39 In 2020 Transfer Switch Generator Transfer Switch Switch

Generac Guardian 13000 Watt Air Cooled Home Standby Generator With Wi Fi And 16 Circuit Transfer Switc In 2020 Home Backup Generator Standby Generators Transfer Switch

Generac Guardian 13000 Watt Air Cooled Home Standby Generator With Wi Fi And 16 Circuit Transfer Switc In 2020 Home Backup Generator Standby Generators Transfer Switch

Pin On Tattoo

Pin On Tattoo

Best Diagram Database Website Wiring Diagram Auto Electrical Wiring Diagram Schema Cablage Diag In 2020 Electrical Wiring Diagram Electrical Diagram Toyota Camry

Best Diagram Database Website Wiring Diagram Auto Electrical Wiring Diagram Schema Cablage Diag In 2020 Electrical Wiring Diagram Electrical Diagram Toyota Camry

Pin On Generator Shed

Pin On Generator Shed

Pin On Light Equipment And Tools Business And Industrial

Pin On Light Equipment And Tools Business And Industrial

Pin On Cheap Solar

Pin On Cheap Solar

Generac Vs Kohler Finding The Best Portable Generator From Desk Jockey To Survival Junkie Portable Generator Generator House Alternative Energy

Generac Vs Kohler Finding The Best Portable Generator From Desk Jockey To Survival Junkie Portable Generator Generator House Alternative Energy

Generac 005883 1 Guardian Auto Standby Backup Generator 10 Kw Backup Generator Standby Generators Generation

Generac 005883 1 Guardian Auto Standby Backup Generator 10 Kw Backup Generator Standby Generators Generation

Ricksdiy How To Wire Generator Transfer Switch To A Circuit Breaker Panel Diy Install Instructions Generator Transfer Switch Breaker Panel Transfer Switch

Ricksdiy How To Wire Generator Transfer Switch To A Circuit Breaker Panel Diy Install Instructions Generator Transfer Switch Breaker Panel Transfer Switch

Generac 200 Amp Service Rate Whole House Transfer Switch Rxsw200a3 The Home Depot In 2020 Transfer Switch Generation Generator House

Generac 200 Amp Service Rate Whole House Transfer Switch Rxsw200a3 The Home Depot In 2020 Transfer Switch Generation Generator House

Generac 27 000 Watt 120 Volt 240 Volt Liquid Cooled Standby Generator Single Phase With Aluminum Enclosure Rg02724anax In 2020 Standby Generators Aluminum Cool Stuff

Generac 27 000 Watt 120 Volt 240 Volt Liquid Cooled Standby Generator Single Phase With Aluminum Enclosure Rg02724anax In 2020 Standby Generators Aluminum Cool Stuff

Search Q 200 Amp Automatic Transfer Switch Wiring Diagram Tbm Isch

Search Q 200 Amp Automatic Transfer Switch Wiring Diagram Tbm Isch

A310c Pro Tran2 30 Amp 10 Circuit 2 Manual Transfer Switch A310c 30a 10 Circuit W Meters

A310c Pro Tran2 30 Amp 10 Circuit 2 Manual Transfer Switch A310c 30a 10 Circuit W Meters

The Best Backup Generator For Your Home Business Generac Power Systems Portable Generator Portable Generators Portable Power Generator

The Best Backup Generator For Your Home Business Generac Power Systems Portable Generator Portable Generators Portable Power Generator

Briggs Stratton 10 000 Watt Automatic Air Cooled Standby Generator With 200 Amp Transfer Switch 040450 The Home Depot Standby Generators Transfer Switch Generators For Sale

Briggs Stratton 10 000 Watt Automatic Air Cooled Standby Generator With 200 Amp Transfer Switch 040450 The Home Depot Standby Generators Transfer Switch Generators For Sale

Pin On Home Power

Pin On Home Power

Kohler 14resal 100lc16 14kw Generator With 100a 16 Circuit Transfer Switch Whole House Generators Generator House Standby Generators

Kohler 14resal 100lc16 14kw Generator With 100a 16 Circuit Transfer Switch Whole House Generators Generator House Standby Generators

Source : pinterest.com