Nissan 1400 Light Switch Wiring

Wiring Diagram For Nissan 1400 Bakkie 8 Nissan Diagram Nissan Hardbody

Wiring Diagram For Nissan 1400 Bakkie 8 Nissan Diagram Nissan Hardbody

Nissan 1400 Electrical Wiring Diagram Electrical Circuit Diagram Electrical Wiring Diagram Car Gauges

Nissan 1400 Electrical Wiring Diagram Electrical Circuit Diagram Electrical Wiring Diagram Car Gauges

Wiring Diagram For Nissan 1400 Bakkie 4 Diagram Nissan Electrical Wiring Diagram

Wiring Diagram For Nissan 1400 Bakkie 4 Diagram Nissan Electrical Wiring Diagram

Wiring Diagram For Nissan 1400 Bakkie 5 Diagram Nissan Datsun

Wiring Diagram For Nissan 1400 Bakkie 5 Diagram Nissan Datsun

Wiring Diagram For Nissan 1400 Bakkie 3 Nissan Nissan Hardbody Diagram

Wiring Diagram For Nissan 1400 Bakkie 3 Nissan Nissan Hardbody Diagram

Nissan 1400 Champ Wiring Diagram Pdf Google Search Diagram Wire Nissan

Nissan 1400 Champ Wiring Diagram Pdf Google Search Diagram Wire Nissan

Nissan 1400 Champ Wiring Diagram Pdf Google Search Diagram Wire Nissan

Heater wiring diagram for 1979 gmc light duty truck series 10 35 read more.

Nissan 1400 light switch wiring. Some nissan car owner service manuals pdf and a lot of wiring diagrams above page 370z altima armada cube frontier gt r juke leaf maxima murano pathfinder quest sentra titan versa xterra. No more messing around holding the key just right to keep it running. 2003 2004 kawasaki zx6r 636 wiring diagram read more.

If the brights light up that indicates the fuse is good same fuse is used by brights and dims. Unit assembly turn signal flasher g2403 switch relay denso for nissan civilian rgw40 frame series. Find nissan 1400 wiring diagram free download circuit and wiring diagram nissan 1400 wiring diagram free download diagram for circuit and wiring.

A resistor will be represented with a series of squiggles representing the limitation of current flow. A one bakkies takes every measure to ensure that our product guarantees meet the standards set by the consumer protection act. Posted by anonymous on jan 14 2014.

When the switch is on the ignition is on. The first passenger car datsun off the line in 1935 and soon nissan started exporting to australia. Nissan ud wiring diagram gallery.

Nissan 1400 wiring diagram for ignition coil. Nissan car fault codes dtc. Nissan civilian rgw40 04 1993 08 1995 electrics g2403 switch relay denso 25520.

For instance a switch will be a break in the line with a line at an angle to the cable just like a light button you can flip on and also off. Make sure the switch is on the 3rd position pulled all the way out as some switches won t do brights and dims on the 2nd position.

Wiring Diagram For Nissan 1400 Bakkie 7 Diagram Nissan Wire

Wiring Diagram For Nissan 1400 Bakkie 7 Diagram Nissan Wire

Wiring Diagram For Nissan 1400 Bakkie 6 Nissan Diagram Auto Repair

Wiring Diagram For Nissan 1400 Bakkie 6 Nissan Diagram Auto Repair

Wiring Diagram For Nissan 1400 Bakkie Electrical Diagram Electrical Wiring Diagram Electrical Circuit Diagram

Wiring Diagram For Nissan 1400 Bakkie Electrical Diagram Electrical Wiring Diagram Electrical Circuit Diagram

Wiring Diagram For Nissan 1400 Bakkie 9 Nissan Diagram Auto Repair

Wiring Diagram For Nissan 1400 Bakkie 9 Nissan Diagram Auto Repair

Wiring Diagram For Nissan 1400 Bakkie 8 Nissan Diagram Ferrari Convertible

Wiring Diagram For Nissan 1400 Bakkie 8 Nissan Diagram Ferrari Convertible

Unique House Light Switch Wiring Diagram Diagram Wiringdiagram Diagramming Diagramm Visuals Visualisation Graphical

Unique House Light Switch Wiring Diagram Diagram Wiringdiagram Diagramming Diagramm Visuals Visualisation Graphical

1400 Bakkie Wiring Diagram Diagram Nissan Electrical Wiring Diagram

1400 Bakkie Wiring Diagram Diagram Nissan Electrical Wiring Diagram

21 Ford Harness Wiring Diagram Bookingritzcarlton Info Electrical Diagram Trailer Wiring Diagram Electrical Wiring Diagram

21 Ford Harness Wiring Diagram Bookingritzcarlton Info Electrical Diagram Trailer Wiring Diagram Electrical Wiring Diagram

Pin On Graphics

Pin On Graphics

Wiring Diagram Symbols Hvac Http Bookingritzcarlton Info Wiring Diagram Symbols Hvac Light Switch Wiring Electrical Wiring Diagram F150

Wiring Diagram Symbols Hvac Http Bookingritzcarlton Info Wiring Diagram Symbols Hvac Light Switch Wiring Electrical Wiring Diagram F150

Wiring Diagram Mtd Lawn Tractor Wiring Diagram And By Lawn Mower Ignition Switch Wiring Diagram And Gif Fair Mtd Yard Machine Diagram Design Diagram

Wiring Diagram Mtd Lawn Tractor Wiring Diagram And By Lawn Mower Ignition Switch Wiring Diagram And Gif Fair Mtd Yard Machine Diagram Design Diagram

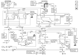
2000 Chevy S10 Wiring Diagram In 2020 Schaltplan Volkswagen Beetle Ford Explorer

2000 Chevy S10 Wiring Diagram In 2020 Schaltplan Volkswagen Beetle Ford Explorer

Diagram Of Nissan 1400 Gearbox 10 Nissan Nissan Titan Xd Carburetor

Diagram Of Nissan 1400 Gearbox 10 Nissan Nissan Titan Xd Carburetor

Pin By Brittany Lisbon On Lol Surprise Dolls Jeep Grand Cherokee Jeep Cherokee Jeep Grand

Pin By Brittany Lisbon On Lol Surprise Dolls Jeep Grand Cherokee Jeep Cherokee Jeep Grand

4 Wire Ignition Switch Diagram Atv Elegant Fantastic Polaris And Diagram Motorcycle Wiring House Wiring

4 Wire Ignition Switch Diagram Atv Elegant Fantastic Polaris And Diagram Motorcycle Wiring House Wiring

2006 Honda Accord Turn Signal Wiring Diagram Wiringdiagram Org

2006 Honda Accord Turn Signal Wiring Diagram Wiringdiagram Org

12 Nissan Murano Engine Wiring Diagram Engine Diagram Wiringg Net In 2020 Nissan Sentra Nissan Electrical Diagram

12 Nissan Murano Engine Wiring Diagram Engine Diagram Wiringg Net In 2020 Nissan Sentra Nissan Electrical Diagram

1984 Nissan 720 Wiring Diagram Google Search En 2020 Autos Y Motos Autos Motos

1984 Nissan 720 Wiring Diagram Google Search En 2020 Autos Y Motos Autos Motos

Https Encrypted Tbn0 Gstatic Com Images Q Tbn And9gct 8kvgnl2jpx Xoln1o Wbr5k Rws3lpacs50igz Mx1 2uepx Usqp Cau

Https Encrypted Tbn0 Gstatic Com Images Q Tbn And9gct 8kvgnl2jpx Xoln1o Wbr5k Rws3lpacs50igz Mx1 2uepx Usqp Cau

Pin By Bbjayee On Diagram Design Electrical Wiring Diagram Trailer Wiring Diagram Electrical Diagram

Pin By Bbjayee On Diagram Design Electrical Wiring Diagram Trailer Wiring Diagram Electrical Diagram

Image Result For Drl Wiring Schematics 03 Silverado Electrical Wiring Diagram Diagram Repair Guide

Image Result For Drl Wiring Schematics 03 Silverado Electrical Wiring Diagram Diagram Repair Guide

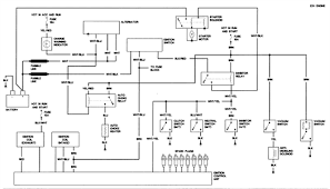
Suzuki Gs550 Wiring Diagram Volovets Info Motorcycle Wiring Trailer Wiring Diagram Wire

Suzuki Gs550 Wiring Diagram Volovets Info Motorcycle Wiring Trailer Wiring Diagram Wire

The 23 Best Wiring Diagram Drawing Software Samples Https Bacamajalah Com The 23 Best W In 2020 Electrical Wiring Diagram Electrical Diagram Trailer Wiring Diagram

The 23 Best Wiring Diagram Drawing Software Samples Https Bacamajalah Com The 23 Best W In 2020 Electrical Wiring Diagram Electrical Diagram Trailer Wiring Diagram

Wiring Diagram For Nissan 1400 Bakkie In 2020 Nissan Diagram Wire

Wiring Diagram For Nissan 1400 Bakkie In 2020 Nissan Diagram Wire

Source : pinterest.com