Renault Wiring Diagram Software

Renault Clio Wiring Diagram Manual Fresh Renault Clio Wiring Diagram Free Download With Trafic Gooddy Org Diagram Wire Search

Renault Clio Wiring Diagram Manual Fresh Renault Clio Wiring Diagram Free Download With Trafic Gooddy Org Diagram Wire Search

Wiring Diagram Renault Megane Free Download Diagrams Bright Clio Renault Megane Diagram Renault

Wiring Diagram Renault Megane Free Download Diagrams Bright Clio Renault Megane Diagram Renault

20 Auto Car Wiring Diagram Program Bacamajalah In 2020 Electrical Circuit Diagram Electrical Panel Wiring Electrical Wiring Diagram

20 Auto Car Wiring Diagram Program Bacamajalah In 2020 Electrical Circuit Diagram Electrical Panel Wiring Electrical Wiring Diagram

Renault Master Wiring Diagram Efcaviation Com And Trafic Download Best Of Electrical Wiring Diagram Diagram Electrical Diagram

Renault Master Wiring Diagram Efcaviation Com And Trafic Download Best Of Electrical Wiring Diagram Diagram Electrical Diagram

Renault Trafic Wiring Diagram Pdf Teamninjaz Me Inside Renault Trafic Renault Diagnostic Tool

Renault Trafic Wiring Diagram Pdf Teamninjaz Me Inside Renault Trafic Renault Diagnostic Tool

Renault Trafic Radio Wiring Dia Gram Me For Renault Renault Clio Radio

Renault Trafic Radio Wiring Dia Gram Me For Renault Renault Clio Radio

Renault Trafic Radio Wiring Dia Gram Me For Renault Renault Clio Radio

1 refrigerant pressure sensor.

Renault wiring diagram software. 9 absolute pressure sensor in the receiver. Renault laguna x74 nt 8218a wiring diagrams rar. Saab epc 11 2010 full 11 00 10 00 renault dialogys v4 72 03 2018 full spare parts and manuals 44 00 40 00.

This section includes the following information directory of abbreviations index of functions connectors and couplings directory of subsystems layout diagrams wiring routes. A wiring diagram is a simplified conventional photographic representation of an electric circuit. Renault megane 2 wiring diagrams.

Renault wiring diagrams 1998 2014 all model full dvd. Renault laguna x56 nt8146a wiring diagrams rar. 2 crankshaft position sensor.

3 knock sensor. Renault laguna x74 nt8254a 2004 06 21 wiring diagram rar. Renault wiring diagrams 1998 2014 all model full dvd.

Renault car manuals pdf wiring diagrams above the page duster kajar kangoo koleos logan megane r5 clio captur master espace scenic talisman alaskan wind zoe thalia twizi velsatis fluence laguna. Hi guys is there any renault wiring diagram software that covers all renault models and years. Renault megane x64 nt 8130a electrical wiring diagram 1998 renault auto renault captur 2014 manuel du proprietaire 63472 renault auto renault wind roadster 2012 betriebsanleitung 63646.

Aldi location offline senior member reputation. Renault wiring diagrams multilangual the program renault wiring diagrams contains electric circuits block diagrams kinds on sockets and circuits of accommodation of elements. 4 electronic engine control unit.

Wiring Diagram For Club Car Lights Tractor Ing Cosas Para Comprar

Wiring Diagram For Club Car Lights Tractor Ing Cosas Para Comprar

Renault Visu Wiring Diagram Full Pack Auto Repair Repair Renault

Renault Visu Wiring Diagram Full Pack Auto Repair Repair Renault

Diagramsample Diagramformats Diagramtemplate Motorcycle Wiring Electrical Diagram Electrical Wiring Diagram

Diagramsample Diagramformats Diagramtemplate Motorcycle Wiring Electrical Diagram Electrical Wiring Diagram

Danfoss Wiring Diagram Central Heating

Danfoss Wiring Diagram Central Heating

Best Diagram Database Website Wiring Diagram Auto Electrical Wiring Diagram Schema Cablage In 2020 Electrical Wiring Diagram House Wiring Trailer Wiring Diagram

Best Diagram Database Website Wiring Diagram Auto Electrical Wiring Diagram Schema Cablage In 2020 Electrical Wiring Diagram House Wiring Trailer Wiring Diagram

Wiring Diagram Of Motorcycle Honda Xrm 110 Bookingritzcarlton Info In 2020 Motorcycle Wiring Honda Motorcycles Honda Ex5

Wiring Diagram Of Motorcycle Honda Xrm 110 Bookingritzcarlton Info In 2020 Motorcycle Wiring Honda Motorcycles Honda Ex5

3 Phase Induction Motor Wiring Diagram In 2020 Schaltplan Honda Accord Thermostat

3 Phase Induction Motor Wiring Diagram In 2020 Schaltplan Honda Accord Thermostat

Diagram Diagramtemplate Diagramsample Check More At Https Servisi Co Circuit Diagram Sample Open Sour Schema Electrique Cablage Electrique Plan Electrique

Diagram Diagramtemplate Diagramsample Check More At Https Servisi Co Circuit Diagram Sample Open Sour Schema Electrique Cablage Electrique Plan Electrique

13 Furthermore Caterpillar C12 Engine Diagram Pictures Wiring Brilliant Cat 3176 Ecm Within Cat C12 Ecm Wiring Diagram In 2020 Picture Wire Diagram Caterpillar Engines

13 Furthermore Caterpillar C12 Engine Diagram Pictures Wiring Brilliant Cat 3176 Ecm Within Cat C12 Ecm Wiring Diagram In 2020 Picture Wire Diagram Caterpillar Engines

E36 Amplifier Wiring Diagram Trailer Wiring Diagram Bmw E46 Diagram

E36 Amplifier Wiring Diagram Trailer Wiring Diagram Bmw E46 Diagram

Car Wire Diagram In 2020 Electrical Wiring Diagram Trailer Wiring Diagram Alternator

Car Wire Diagram In 2020 Electrical Wiring Diagram Trailer Wiring Diagram Alternator

Y Plan Wiring Diagram Alloff On Motorised Valve For Motorised Valve Wiring Diagram Heating Systems Thermostat Wiring Central Heating

Y Plan Wiring Diagram Alloff On Motorised Valve For Motorised Valve Wiring Diagram Heating Systems Thermostat Wiring Central Heating

1986 Ez Go Gas Golf Cart Wiring Diagram Cart Diagram Gas Golf Wiring In 2020 Electrical Wiring Diagram Diagram House Wiring

1986 Ez Go Gas Golf Cart Wiring Diagram Cart Diagram Gas Golf Wiring In 2020 Electrical Wiring Diagram Diagram House Wiring

Wiring Diagram Car Air Conditioning Diagram Diagramtemplate Diagramsample Diagrama De Circuito Circuito

Wiring Diagram Car Air Conditioning Diagram Diagramtemplate Diagramsample Diagrama De Circuito Circuito

Air Compressor Wiring Diagram In 2020 Schaltplan Ford Expedition Nissan Altima

Air Compressor Wiring Diagram In 2020 Schaltplan Ford Expedition Nissan Altima

Bbb Wiring Diagrams In 2020 Schaltplan Land Rover E Bike Umbau

Bbb Wiring Diagrams In 2020 Schaltplan Land Rover E Bike Umbau

Fotolog Http Www Autodiagnosticobd Com V417 Renault Dialogys Multilanguage 417 Renault Dialogys Wholesale Auto Diagnostic 1974 Html Our Website Www Autodiag Renault Software Auto

Fotolog Http Www Autodiagnosticobd Com V417 Renault Dialogys Multilanguage 417 Renault Dialogys Wholesale Auto Diagnostic 1974 Html Our Website Www Autodiag Renault Software Auto

Danfoss Wiring Diagram Central Heating

Danfoss Wiring Diagram Central Heating

Https Encrypted Tbn0 Gstatic Com Images Q Tbn And9gcq1gp1ae3q5twmz03o1z3gseazmt7khpebsdxfbrdi3ywi7mhgr Usqp Cau

Https Encrypted Tbn0 Gstatic Com Images Q Tbn And9gcq1gp1ae3q5twmz03o1z3gseazmt7khpebsdxfbrdi3ywi7mhgr Usqp Cau

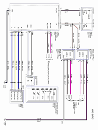
Bmw E46 Coupe Wiring Diagram

Bmw E46 Coupe Wiring Diagram

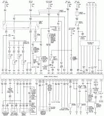
1992 Honda Civic Ex Wiring Diagram In 2020 Honda Civic Ex Honda Civic Engine Honda Civic

1992 Honda Civic Ex Wiring Diagram In 2020 Honda Civic Ex Honda Civic Engine Honda Civic

New Wiring Diagram Race Car Spot Light Casette

New Wiring Diagram Race Car Spot Light Casette

Amplifier Wiring Diagrams How To Add An Amplifier To Your Car Audio System In 2020 Subwoofer Wiring Car Amplifier Car Audio Installation

Amplifier Wiring Diagrams How To Add An Amplifier To Your Car Audio System In 2020 Subwoofer Wiring Car Amplifier Car Audio Installation

New Wiring Diagram Three Phase Generator Diagram Diagramsample Diagramtemplate Wiringdiagram Diagramchart Workshe Voltage Regulator Diagram Diagram Chart

New Wiring Diagram Three Phase Generator Diagram Diagramsample Diagramtemplate Wiringdiagram Diagramchart Workshe Voltage Regulator Diagram Diagram Chart

Source : pinterest.com