1990 Ford F150 Starter Relay Location

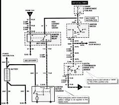
Bookingritzcarlton Info Wp Content Uploads 2019 03 Picture Of Ford Starter Selenoid Wiring Diagram 1990 Ford F1 In 2020 Ford Explorer Accessories Ford Trucks Ford F150

Bookingritzcarlton Info Wp Content Uploads 2019 03 Picture Of Ford Starter Selenoid Wiring Diagram 1990 Ford F1 In 2020 Ford Explorer Accessories Ford Trucks Ford F150

Pin Di Wiring Diagram

Pin Di Wiring Diagram

Beautiful Ford F 150 Wire Schematics Gallery Electrical Circuit Diagram Ideas Eidetec Com Light Switch Wiring Electrical Wiring Diagram F150

Beautiful Ford F 150 Wire Schematics Gallery Electrical Circuit Diagram Ideas Eidetec Com Light Switch Wiring Electrical Wiring Diagram F150

Pin By Rich F On 1990 F150 Reference F150 Low Pressure Ford F150

Pin By Rich F On 1990 F150 Reference F150 Low Pressure Ford F150

1990 Chevy Truck Fuse Box Diagram And F Fuse Box Diagram New Wiring Diagrams In 2020 Fuse Box Ford F150 F150

1990 Chevy Truck Fuse Box Diagram And F Fuse Box Diagram New Wiring Diagrams In 2020 Fuse Box Ford F150 F150

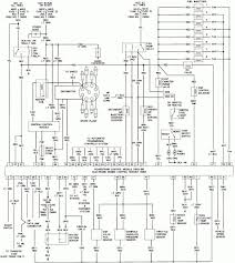
1990 Ford Truck Wiring Diagram And Wiring Diagrams For Ford F New Wiring Diagrams In 2020 Ford F150 Diagram Design F150

1990 Ford Truck Wiring Diagram And Wiring Diagrams For Ford F New Wiring Diagrams In 2020 Ford F150 Diagram Design F150

1990 Ford Truck Wiring Diagram And Wiring Diagrams For Ford F New Wiring Diagrams In 2020 Ford F150 Diagram Design F150

Watson91 this articles applies to the ford f 150 2004 2014.

1990 ford f150 starter relay location. Your fuse box or boxes will house many different fuses each one controlling one or a group of items similarly related. Fortunately all ford models have a remote relay near the battery which makes it easy and convenient for troubleshooting. It it bolted to the support wall right in front of the fuse box.

A bad starter relay on your ford vehicle will prevent the necessary electrical power from reaching the starter motor. Replacing the starter on your ford f 150 is a simple process that can save you some money. Where is the starter relay located on my 2001 f150.

Relay box 3 is located behind right side of instrument panel. Starter stays engaged on 1990 ford f150. Started fine and ran for a while.

Most often a true starter relay is a small black cube plugged into an electrical fuse relay box in the engine compartment whereas a starter solenoid is in most cases attached directly to the starter on the engine although it is sometimes located elsewhere in the engine compartment. Buy a 1990 ford f150 starter solenoid at discount prices. The starter relay for 1990 ford rangers is located above the front passenger side tire wheel well.

Ford f 150 starter solenoid location wiring diagram amazing 98 ford f150 starter relay location images best auto repair guide 1991 solenoid wiring diagram 1990 ford escort the starter solenoid relay wiring diagram mini starter wiring instructions mustang tech articles cj pony parts. By pizzaman711 november 18 2014 contributors. How to replace starter.

Any one know where the location of the starter relay is. Or keep the motor from starting at all. Which relay is the starter relay.

Ford On Ford Solenoid And It Keeps All The Factory Connections At The Starter Starter Motor Engineering Starter

Ford On Ford Solenoid And It Keeps All The Factory Connections At The Starter Starter Motor Engineering Starter

1995 Ford F150 Engine Wiring Diagram And F Starter Relay Wiring Diagram Wiring Schematic En 2020 Ford Ford Fiesta

1995 Ford F150 Engine Wiring Diagram And F Starter Relay Wiring Diagram Wiring Schematic En 2020 Ford Ford Fiesta

Ford 300 Inline 6 Engine Diagram Straight F 4 9 Wiring Diagrams Image Free Vacuum Diagram F150 Repair Manuals

Ford 300 Inline 6 Engine Diagram Straight F 4 9 Wiring Diagrams Image Free Vacuum Diagram F150 Repair Manuals

1990 Ford Truck Wiring Diagram And Ford F Distributor Wiring Best Of The Best Wiring In 2020 Ford F150 Ford Truck Alternator

1990 Ford Truck Wiring Diagram And Ford F Distributor Wiring Best Of The Best Wiring In 2020 Ford F150 Ford Truck Alternator

2001 F150 Starter Wiring Diagram In 2020 Diagram Ford F150 F150

2001 F150 Starter Wiring Diagram In 2020 Diagram Ford F150 F150

Ford Fuel Pump Relay Wiring Diagram Bookingritzcarlton Info In 2020 Ford Ford F150 Pressure Pump

Ford Fuel Pump Relay Wiring Diagram Bookingritzcarlton Info In 2020 Ford Ford F150 Pressure Pump

18 1999 Ford F150 Car Stereo Wiring Diagram F150 Ford F150 Ford

18 1999 Ford F150 Car Stereo Wiring Diagram F150 Ford F150 Ford

Pin On Wiring Chart Picture

Pin On Wiring Chart Picture

Ford F150 Engine Diagram 1989 1994 Ford F150 Xlt 5 0 302cid Surging Bucking Ford F150 Xlt Ford F150 1994 Ford F150

Ford F150 Engine Diagram 1989 1994 Ford F150 Xlt 5 0 302cid Surging Bucking Ford F150 Xlt Ford F150 1994 Ford F150

Pin By Jose Place On Ford Econoline Dmc 1992 Electric Car Engine Ford F150 Automotive Mechanic

Pin By Jose Place On Ford Econoline Dmc 1992 Electric Car Engine Ford F150 Automotive Mechanic

Small Engine Starter Relay Diagram Di 2020 Kapal

Small Engine Starter Relay Diagram Di 2020 Kapal

Ford F150 My Blinkers Stop Blinking When I Put Brake On Both 1996 Ford F150 Fuse Panel F150

Ford F150 My Blinkers Stop Blinking When I Put Brake On Both 1996 Ford F150 Fuse Panel F150

Pin On Auto Diagram

Pin On Auto Diagram

1990 Ford Steering Column Diagram Repair Guides Wiring Diagrams Wiring Diagrams Autozone Com Ford Truck Ford F150 Diagram

1990 Ford Steering Column Diagram Repair Guides Wiring Diagrams Wiring Diagrams Autozone Com Ford Truck Ford F150 Diagram

Awe Inspiring Ford Explorer See Our Guide For Additional Inspiring Ideas Fordexplorer In 2020 Ford F250 Ford F150 Ford Truck

Awe Inspiring Ford Explorer See Our Guide For Additional Inspiring Ideas Fordexplorer In 2020 Ford F250 Ford F150 Ford Truck

1990 2 3 Liter Ford Motor Diagram 1990 Ford Ranger Me Where The Pcv Valve Is Located L Fuel Injected Ford Ranger Ranger Ford

1990 2 3 Liter Ford Motor Diagram 1990 Ford Ranger Me Where The Pcv Valve Is Located L Fuel Injected Ford Ranger Ranger Ford

1979 F 150 Wiring Diagram Ford Truck Enthusiasts Forums Ford F150 F150 Ford

1979 F 150 Wiring Diagram Ford Truck Enthusiasts Forums Ford F150 F150 Ford

Under Hood Fuse Box Diagram Ford F 150 2000 2001 2002 2003 Ford F150 Fuse Box Fuse Panel

Under Hood Fuse Box Diagram Ford F 150 2000 2001 2002 2003 Ford F150 Fuse Box Fuse Panel

3

3

1990 Ford Truck Wiring Diagram And Ford E Wiring Diagram Wiring Diagrams Folder In 2020 Ford F150 Ford F250

1990 Ford Truck Wiring Diagram And Ford E Wiring Diagram Wiring Diagrams Folder In 2020 Ford F150 Ford F250

Rubber Vacuum System Replacement 5 0 5 8 Efi Ford Truck Club Forum Camping Trailer Diy Ford F150 Xlt Vacuums

Rubber Vacuum System Replacement 5 0 5 8 Efi Ford Truck Club Forum Camping Trailer Diy Ford F150 Xlt Vacuums

1996 Ford F150 Engine Wiring Diagram And F Ecm Wiring Diagram Schematic Diagram In 2020 Electric Motor Diagram Ford F150

1996 Ford F150 Engine Wiring Diagram And F Ecm Wiring Diagram Schematic Diagram In 2020 Electric Motor Diagram Ford F150

1990 Mustang 2 3 Wiring Diagram Mustang 1988 1990 2 3l Eec Wiring Diagram All About Wiring Diagrams Ford Ranger Scissor Lift Ford

1990 Mustang 2 3 Wiring Diagram Mustang 1988 1990 2 3l Eec Wiring Diagram All About Wiring Diagrams Ford Ranger Scissor Lift Ford

Novaresource Remote Starter Solenoid Installation In 2020 Installation Safety Switch New Starter

Novaresource Remote Starter Solenoid Installation In 2020 Installation Safety Switch New Starter

Source : pinterest.com