Siemens S7 200 Plc Wiring Diagram Pdf

Siemens S7 200 Plc Instructions Pdf Document

Siemens S7 200 Plc Instructions Pdf Document

How To Do Connection Of Siemens Plc S7 200 Wiring By Dhaka Industrial Automation Youtube

How To Do Connection Of Siemens Plc S7 200 Wiring By Dhaka Industrial Automation Youtube

Siemens S7 200 Plc Manual

Siemens S7 200 Plc Manual

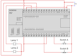
Siemens S7 200 Plc Programming Tutorial Bangla Ac Motor On Off With Signal Lamp Class 03 Youtube

Siemens S7 200 Plc Programming Tutorial Bangla Ac Motor On Off With Signal Lamp Class 03 Youtube

Diagram Siemens S7 1200 Wiring Diagram Full Version Hd Quality Wiring Diagram Fwddiagram Nordflorence It

Diagram Siemens S7 1200 Wiring Diagram Full Version Hd Quality Wiring Diagram Fwddiagram Nordflorence It

Diagram Audi S7 Wiring Diagram Full Version Hd Quality Wiring Diagram Jokediagramsq Centogiochi It

Diagram Audi S7 Wiring Diagram Full Version Hd Quality Wiring Diagram Jokediagramsq Centogiochi It

Diagram Audi S7 Wiring Diagram Full Version Hd Quality Wiring Diagram Jokediagramsq Centogiochi It

The s7 200 programmable controller system manual includes the following topics.

Siemens s7 200 plc wiring diagram pdf. Page 1 preface contents product overview getting started simatic installing the s7 200 plc concepts s7 200 programming concepts programmable controller conventions and features system manual s7 200 instruction set communicating over a network hardware troubleshooting guide and software debugging tools open loop motion control with. Compact design low cost and a powerful instruction set make the s7 1200 a perfect solution for controlling a wide variety of applications. Constructor for ladder diagrams.

Siemens plc wiring diagram pdf. Configuration installing and wiring of the et 200s and the im 151 interface module. For example if a voltage is applied to a physical input this 1 signal is mapped at an address in the memory that is assigned to this input.

Tank fill using siemens s7 1200 smanchikalapudi9724siemens s7 1200. Compact design low cost and a powerful instruction set make the s7 200 a perfect solution for controlling small applications. To minimize errors and simplify installation the user should follow predefined guidelines.

This manual provides information about installing and programming the s7 200 micro plcs. Page 2 trademarks simaticr simatic hmir and simatic netr. S7 200 system manual security information in order to protect technical infrastructures systems machines and networks against cyber threats it is necessary to implement and continuously maintain a holistic state of the art it security concept.

The new s7 200 products are intended to replace the previous products. The s7 200 series is a line of micro programmable logic controllers micro plcs that can control a variety of automation applications. Electrical floor plan motor control training and plc training software as well.

Plc type siemens s7 200 ppi plc i f rs485 2w rs485 2w baud rate 9600 9600 19200 187 5k only mt6000 8000v2 support baud rate 187 5 k data bits 8 7 8 parity even even odd none stop bits 1 1 2 turn around delay ms 5 ack delay time 30 plc sta. The s7 200 product line has been redesigned to be smaller faster and to have increased functionality. 2 1 126 online simulator yes extend address mode yes broadcast command no plc setting.

How Do You Connect A Sensor To An Analog Module Em 231 Or Em 235 Of An S7 200 And Id 14955836 Industry Support Siemens

How Do You Connect A Sensor To An Analog Module Em 231 Or Em 235 Of An S7 200 And Id 14955836 Industry Support Siemens

Sinamics V Positioning Of A V20 Using S7 200 Step7 Micro Win With Uss Protocol Id 65688720 Industry Support Siemens

Sinamics V Positioning Of A V20 Using S7 200 Step7 Micro Win With Uss Protocol Id 65688720 Industry Support Siemens

Https Www Idec Com Language English Software Windoi Oi 20cables Siemens Hgappnotes Pdf

Https Www Idec Com Language English Software Windoi Oi 20cables Siemens Hgappnotes Pdf

Diagram Audi S7 Wiring Diagram Full Version Hd Quality Wiring Diagram Pvdiagramdouglasv Alfieriinforma It

Diagram Audi S7 Wiring Diagram Full Version Hd Quality Wiring Diagram Pvdiagramdouglasv Alfieriinforma It

How To Wiring S7 200 Plc Bangla Youtube

How To Wiring S7 200 Plc Bangla Youtube

Understanding Siemens Plc S7 200 Timer Programmable Logic Controller

Understanding Siemens Plc S7 200 Timer Programmable Logic Controller

Manual Simatic S7 200 Cpu 224

Manual Simatic S7 200 Cpu 224

Cpu 1214c Wiring Diagrams Simatic S7 S7 1200 Programmable Controller Id 91696622 Industry Support Siemens

Cpu 1214c Wiring Diagrams Simatic S7 S7 1200 Programmable Controller Id 91696622 Industry Support Siemens

Diy Cable S7 200 Siemens Connecting Pc Plc4me Com

Diy Cable S7 200 Siemens Connecting Pc Plc4me Com

Learn Plc Programming In Hindi Siemens Plc Wiring Plc Wiring Siemens S7 200 Plc Wiring Diagram Youtube

Learn Plc Programming In Hindi Siemens Plc Wiring Plc Wiring Siemens S7 200 Plc Wiring Diagram Youtube

Siemens Simatic S7 200 Manuals Manualslib

Siemens Simatic S7 200 Manuals Manualslib

Promotion Amsamotion Plc S7 200cn Cpu224xp 14i 10o 2ai 1ao Ac Dc Rly 6es7 214 2bd23 0xb8 With Ppi Cable Free Relay Types Plc Relayplc Transistor Aliexpress

Promotion Amsamotion Plc S7 200cn Cpu224xp 14i 10o 2ai 1ao Ac Dc Rly 6es7 214 2bd23 0xb8 With Ppi Cable Free Relay Types Plc Relayplc Transistor Aliexpress

Plc Wiring Diagram Pdf Bargman Breakaway Switch Wiring Diagram Begeboy Wiring Diagram Source

Plc Wiring Diagram Pdf Bargman Breakaway Switch Wiring Diagram Begeboy Wiring Diagram Source

Cpu226 S7 200 Siemens Youtube

Cpu226 S7 200 Siemens Youtube

Siemens Plc Training S7 200 Plc Trainer Microwin Plc Programming Plc Simulator Electrical Engineering Projects

Siemens Plc Training S7 200 Plc Trainer Microwin Plc Programming Plc Simulator Electrical Engineering Projects

A Guide To Communication With S7 200 Plc Devices

A Guide To Communication With S7 200 Plc Devices

Ktp700 Basic Hmi And S7 200 Plc Communication

Ktp700 Basic Hmi And S7 200 Plc Communication

Diagram Aprilaire 224 Wiring Diagram Full Version Hd Quality Wiring Diagram Livreslegaux Psycotrix It

Diagram Aprilaire 224 Wiring Diagram Full Version Hd Quality Wiring Diagram Livreslegaux Psycotrix It

Https Encrypted Tbn0 Gstatic Com Images Q Tbn And9gcr8bie7gq1wull87ehog6p Bcrgp Kn6qzjgvemlhgen7xjqvrg Usqp Cau

Https Encrypted Tbn0 Gstatic Com Images Q Tbn And9gcr8bie7gq1wull87ehog6p Bcrgp Kn6qzjgvemlhgen7xjqvrg Usqp Cau

How To Connect Plc And Hmi S7 200 Delta Dop B Hmi Communicaton

How To Connect Plc And Hmi S7 200 Delta Dop B Hmi Communicaton

Pdf Hmi Weintek Connection Plc Guide Plc4me Com

Pdf Hmi Weintek Connection Plc Guide Plc4me Com

43 S7 200 Analog Input Scaling Arabic Youtube

43 S7 200 Analog Input Scaling Arabic Youtube

Profibus Connector Siemens Plc Programming Cables

Profibus Connector Siemens Plc Programming Cables

Ethernet Communication Data Exchange S7 1200 S7 200 Ce X20 Id 40622389 Industry Support Siemens

Ethernet Communication Data Exchange S7 1200 S7 200 Ce X20 Id 40622389 Industry Support Siemens

Source : pinterest.com

Random Posts