Lighted Rocker Switch Wiring Diagram

4 Pin Switch Wiring Diagram Diagram Switch Wire

4 Pin Switch Wiring Diagram Diagram Switch Wire

How To Wire An Illuminated Rocker Switch In 2020 Toggle Switch Electronics Basics Car Audio Installation

How To Wire An Illuminated Rocker Switch In 2020 Toggle Switch Electronics Basics Car Audio Installation

3 Pin Rocker Led Switch Wiring Diagram Buscar Con Google Toggle Switch Switch Copper Pin

3 Pin Rocker Led Switch Wiring Diagram Buscar Con Google Toggle Switch Switch Copper Pin

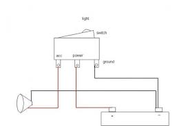
Image Result For Lighted Rocker Switch Wiring Electrical Wiring Diagram Electrical Diagram Trailer Wiring Diagram

Image Result For Lighted Rocker Switch Wiring Electrical Wiring Diagram Electrical Diagram Trailer Wiring Diagram

On Off Switch Led Rocker Switch Wiring Diagrams Mecanica Autos Auto Electrico Y Mecanica Automotriz

On Off Switch Led Rocker Switch Wiring Diagrams Mecanica Autos Auto Electrico Y Mecanica Automotriz

Lighted Toggle Switch Wiring Toggle Switch Toggle Lighting Diagram

Lighted Toggle Switch Wiring Toggle Switch Toggle Lighting Diagram

Lighted Toggle Switch Wiring Toggle Switch Toggle Lighting Diagram

An illuminated rocker switch is like a spst toggle switch with an extra terminal which allows the light to work.

Lighted rocker switch wiring diagram. Injunction of two wires is usually indicated by black dot on the junction of 2 lines. According to earlier the lines at a illuminated rocker switch wiring diagram signifies wires. At times the cables will cross.

Also relays can be used to switch higher draw accessories to reduce switch load and voltage drop. As stated earlier the lines in a lighted rocker switch wiring diagram 120v represents wires. Injunction of two wires is generally indicated by black dot at the intersection of 2 lines.

Notice on the wiring diagram that of the 10 prongs spade connectors called termianls on the back four 4 make the rocker switch lights function while the remaining six are used for the electromechanical switching contacts. They re often used by car audio and customization enthusiasts as a way to control equipment like lights fans and amplifiers while adding a bit of style to the installation. This switch body does have two isolated negative inputs t9 and t7 for each lamp or led in the switch.

A lighted rocker switch provides simple on off operation of electrical circuits with the added bonus of a light in the switch that lets you know when the circuit is closed. For the led rocker switch pay careful attention to the position of your ground power and acc pins follow the diagram below it uses oznium s led round rocker switch with recommended mounting hole diameter of 3 4 and you should have no problems wiring a led rocker switch. Https amzn to 2xwrcfx flexible led li.

When you make use of your finger or even stick to the circuit together with your eyes it s easy to mistrace the circuit. Occasionally the wires will cross. But it doesn t mean connection between the wires.

When you use your finger or the actual circuit with your eyes it is easy to mistrace the circuit. Led rocker switch wiring diagram.

Pin On Wiring

Pin On Wiring

12 Volt Switch Wiring Diagram Wiringdiagram Org Toggle Switch Switch Led Light Switch

12 Volt Switch Wiring Diagram Wiringdiagram Org Toggle Switch Switch Led Light Switch

Pin On Moto

Pin On Moto

Dpdt8term On Carling Toggle Switch Wiring Diagram Boat Navigation Lights Toggle Switch Light Switch Wiring

Dpdt8term On Carling Toggle Switch Wiring Diagram Boat Navigation Lights Toggle Switch Light Switch Wiring

12 Volt Toggle Switch Wiring Diagrams Boat Wiring Automotive Repair Automotive Electrical

12 Volt Toggle Switch Wiring Diagrams Boat Wiring Automotive Repair Automotive Electrical

Lighted Rocker Switch Wiring Diagram Webtor Me And Toggle Coachedby Stunning At 12 Volt Toggle Switch Wiring Diagra Diagram Switch Boat Wiring

Lighted Rocker Switch Wiring Diagram Webtor Me And Toggle Coachedby Stunning At 12 Volt Toggle Switch Wiring Diagra Diagram Switch Boat Wiring

Led Light Bar Relay Wire Up At Wiring Diagram For 12v Led Lights In Motorcycle Wiring Light Switch Wiring 12v Led Lights

Led Light Bar Relay Wire Up At Wiring Diagram For 12v Led Lights In Motorcycle Wiring Light Switch Wiring 12v Led Lights

5 Pin Momentary Switch Wiring Diagram Smartproxy Info Switch Diagram 3 Way Switch Wiring

5 Pin Momentary Switch Wiring Diagram Smartproxy Info Switch Diagram 3 Way Switch Wiring

Wiring 3 Pole Rocker Switch In 2020 Toggle Switch Electronic Schematics Go Kart Frame

Wiring 3 Pole Rocker Switch In 2020 Toggle Switch Electronic Schematics Go Kart Frame

Roof Lights 5 Pin Spst On Off Blue Led Indicator Rocker Switch For Fog Drl Lamps Trucks Automotive Electrical Jeep

Roof Lights 5 Pin Spst On Off Blue Led Indicator Rocker Switch For Fog Drl Lamps Trucks Automotive Electrical Jeep

Lighted Toggle Switch Wiring Diagram Unanalyzable 4 Pin Switch In 2020 Electrical Wiring Diagram Light Switch Wiring Trailer Light Wiring

Lighted Toggle Switch Wiring Diagram Unanalyzable 4 Pin Switch In 2020 Electrical Wiring Diagram Light Switch Wiring Trailer Light Wiring

Dorman 4 Prong Relay Wiring For Offroad Lights Boat Wiring Basic Electrical Wiring Electrical Wiring

Dorman 4 Prong Relay Wiring For Offroad Lights Boat Wiring Basic Electrical Wiring Electrical Wiring

Gfci Wiring Diagram On Rocker Lighted Switch And Gfci Outlet Electrical Diy Chatroom John Deere

Gfci Wiring Diagram On Rocker Lighted Switch And Gfci Outlet Electrical Diy Chatroom John Deere

Linear Actuator Wiring Diagram Elegant Magnificent Linear Slide Actuator Wiring Diagram On Actuator Wiring Diagram Linear Actuator Actuator Diagram

Linear Actuator Wiring Diagram Elegant Magnificent Linear Slide Actuator Wiring Diagram On Actuator Wiring Diagram Linear Actuator Actuator Diagram

Wiring Diagram For Led Toggle Switch Regarding Led Toggle Rat Rods Truck Rat Rod Toggle Switch

Wiring Diagram For Led Toggle Switch Regarding Led Toggle Rat Rods Truck Rat Rod Toggle Switch

Pin On Rocker Switch

Pin On Rocker Switch

How To Wire Switches Wire Switch Light Switch Wiring Electrical Wiring

How To Wire Switches Wire Switch Light Switch Wiring Electrical Wiring

12 Volt Momentary Switches 12 Wiring Diagram And Circuit Switches Electrical Installation Power Wire

12 Volt Momentary Switches 12 Wiring Diagram And Circuit Switches Electrical Installation Power Wire

3

3

Radar Illuminated Rocker Switch Contura V New Wire Marine Toggle Switch Switch Diagram

Radar Illuminated Rocker Switch Contura V New Wire Marine Toggle Switch Switch Diagram

Pin On Feller S Electrical Stuff

Pin On Feller S Electrical Stuff

How To Wire 3 Prong Rocker Led Switch Youtube Electrical Projects Switch Toggle Switch

How To Wire 3 Prong Rocker Led Switch Youtube Electrical Projects Switch Toggle Switch

3 Wire Led Wiring Diagrams 3 Wire Control Diagram Wiring Power Supply Circuit Led Circuit

3 Wire Led Wiring Diagrams 3 Wire Control Diagram Wiring Power Supply Circuit Led Circuit

Rocker Switch Wiring Basic Electrical Wiring Sony Led Tv Diy Repair

Rocker Switch Wiring Basic Electrical Wiring Sony Led Tv Diy Repair

Source : pinterest.com