Audi A4 B7 Radio Wiring Diagram

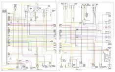
Unique 2008 Audi A4 Radio Wiring Diagram Sistema De Audio Toyota Tercel Toyota

Unique 2008 Audi A4 Radio Wiring Diagram Sistema De Audio Toyota Tercel Toyota

Electrical Wiring Mercedes Benz Radio Wiring Diagram Land Rover Discovery Conn Land Rover Discovery Wiring Diagram Connectors 86 W Car Stereo Diagram Radio

Electrical Wiring Mercedes Benz Radio Wiring Diagram Land Rover Discovery Conn Land Rover Discovery Wiring Diagram Connectors 86 W Car Stereo Diagram Radio

Unique Audi A4 B8 Headlight Wiring Diagram Diagram Diagramtemplate Diagramsample Check More At Https Lincoln Town Car Car Amplifier Trailer Wiring Diagram

Unique Audi A4 B8 Headlight Wiring Diagram Diagram Diagramtemplate Diagramsample Check More At Https Lincoln Town Car Car Amplifier Trailer Wiring Diagram

30 Fresh Delphi Radio Wiring Diagram Car Radio Installation Trimmings Comprise Of Harness Adapters Leads Fascia Adapters Stalk Steering In 2020 Diagram Radio Delco

30 Fresh Delphi Radio Wiring Diagram Car Radio Installation Trimmings Comprise Of Harness Adapters Leads Fascia Adapters Stalk Steering In 2020 Diagram Radio Delco

77 Lovely Gm Factory Radio Wiring Diagram In 2020 Electrical Wiring Diagram Radio Wire

77 Lovely Gm Factory Radio Wiring Diagram In 2020 Electrical Wiring Diagram Radio Wire

Wiring Diagram Car Amplifier Http Bookingritzcarlton Info Wiring Diagram Car Amplifier Car Amplifier Bose Amplifier

Wiring Diagram Car Amplifier Http Bookingritzcarlton Info Wiring Diagram Car Amplifier Car Amplifier Bose Amplifier

Wiring Diagram Car Amplifier Http Bookingritzcarlton Info Wiring Diagram Car Amplifier Car Amplifier Bose Amplifier

Whether your an expert audi electronics installer or a novice audi enthusiast with a 2005 audi a4 a car stereo wiring diagram can save yourself a lot of time.

Audi a4 b7 radio wiring diagram. Read more 2005 audi a4 car stereo radio wiring diagram. Audi 80 wiring diagrams 1987 1991 schematic of electric equipment of the car audi 80 1 8s. Click on the image to enlarge and then save it to your computer by right clicking on the image.

Car radio wire diagram stereo wiring diagram gm radio wiring diagram. Here is the stereo radio wiring information for your 2005 audi b6 b7 a4 with the standard symphony or bose systems. Actual audi a4 b7 2004 2008 diagrams schemes fuse box diagrams layouts location diagrams wiring diagrams etc may vary depend on the model version.

Audi a4 symphony. Audi a4 b7 2004 2005 2006 2007 2008 factory repair manual it is the only service manual who can really help you to maintain repair and service your audi a4. Make sure to grab the appropriate tools to test all the wires in your a4.

Audi 80 100 a3 a4 a6 rs2 wiring diagrams. Concert b7 eu auz1z3. Audi a4 stereo wiring diagram audi a4 b7 stereo wiring diagram best 1999 audi a4 radio wiring diagram fresh 1999 audi.

It will be useful when installing an aftermarket radio sound stereo system or other automotive accessories. Posted in a4 b7 2005 2007. Wiring steering wheel buttons up to radio.

It will be useful when installing an aftermarket radio sound stereo system or other automotive accessories. One of the most time consuming tasks with installing an after market car stereo car radio car speakers car amplifier car navigation or any car electronics. Here is the stereo radio wiring information for your 2006 audi b7 a4 with the standard symphony or bose systems.

Pin On Radio

Pin On Radio

Pin On Car

Pin On Car

New Kraco Car Stereo Wiring Diagram Car Stereo Diagram Stereo

New Kraco Car Stereo Wiring Diagram Car Stereo Diagram Stereo

Audi Car Radio Stereo Audio Wiring Diagram Autoradio Connector Wire Installation Schematic Car Audio Installation Home Theater Installation Home Theater Setup

Audi Car Radio Stereo Audio Wiring Diagram Autoradio Connector Wire Installation Schematic Car Audio Installation Home Theater Installation Home Theater Setup

Suzuki Swift Wiring Diagram Diagrams Throughout Electrical Wiring Diagram Repair Guide Electrical Diagram

Suzuki Swift Wiring Diagram Diagrams Throughout Electrical Wiring Diagram Repair Guide Electrical Diagram

Pin On Duster

Pin On Duster

Unique Wiring Diagram Ac Split Mitsubishi Diagram Diagramtemplate Diagramsample Diagrama De Circuito Electrico Imagenes De Electricidad Circuito Electrico

Unique Wiring Diagram Ac Split Mitsubishi Diagram Diagramtemplate Diagramsample Diagrama De Circuito Electrico Imagenes De Electricidad Circuito Electrico

Unique Audi A4 Bose Amp Wiring Diagram Diagram Diagramtemplate Diagramsample Audi A4 Audi Bose

Unique Audi A4 Bose Amp Wiring Diagram Diagram Diagramtemplate Diagramsample Audi A4 Audi Bose

Nice Honda Wiring Diagram Honda Jazz Wiring Diagram Yorkromanfestival Co Uk U2022 Honda Wiring Diagram Bookingritzcarlton Info In 2020 Honda Accord Honda Diagram

Nice Honda Wiring Diagram Honda Jazz Wiring Diagram Yorkromanfestival Co Uk U2022 Honda Wiring Diagram Bookingritzcarlton Info In 2020 Honda Accord Honda Diagram

2002 Dodge Dakota Radio Wiring Diagram Dodge Dakota Dodge Diagram

2002 Dodge Dakota Radio Wiring Diagram Dodge Dakota Dodge Diagram

New Wiring Diagram For Club Car Starter Generator Diagram Diagramsample Diagramtemplate Wiringdiagram Diagramch Chevy Trucks 1979 Chevy Truck Truck Engine

New Wiring Diagram For Club Car Starter Generator Diagram Diagramsample Diagramtemplate Wiringdiagram Diagramch Chevy Trucks 1979 Chevy Truck Truck Engine

18 Stunning Bose Car Amplifier Wiring Diagram Ideas Bacamajalah In 2020 Car Amplifier Amplifier Electrical Wiring Diagram

18 Stunning Bose Car Amplifier Wiring Diagram Ideas Bacamajalah In 2020 Car Amplifier Amplifier Electrical Wiring Diagram

Unique Vw Golf Mk5 Headlight Wiring Diagram Diagram Diagramsample Diagramtemplate Wiringdiagram Diagramchart Workshee Vr6 Engine Vw Up Electrical Diagram

Unique Vw Golf Mk5 Headlight Wiring Diagram Diagram Diagramsample Diagramtemplate Wiringdiagram Diagramchart Workshee Vr6 Engine Vw Up Electrical Diagram

New 1998 Audi A4 Radio Wiring Diagram Diagramsample Diagramformats Diagramtemplate Vw Mk4 Fuse Box Car Fuses

New 1998 Audi A4 Radio Wiring Diagram Diagramsample Diagramformats Diagramtemplate Vw Mk4 Fuse Box Car Fuses

12 Simple Car Amplifier Wiring Diagram Installation Bacamajalah In 2020 Car Amplifier Subwoofer Wiring Car Stereo

12 Simple Car Amplifier Wiring Diagram Installation Bacamajalah In 2020 Car Amplifier Subwoofer Wiring Car Stereo

Fuse Box Diagram Chevrolet Silverado Mk1 1999 2007 In 2020 Chevrolet Silverado Fuse Box Chevrolet

Fuse Box Diagram Chevrolet Silverado Mk1 1999 2007 In 2020 Chevrolet Silverado Fuse Box Chevrolet

Unique Wiring Diagram For Bmw E46 Radio Bmw E46 Diagram New Bmw

Unique Wiring Diagram For Bmw E46 Radio Bmw E46 Diagram New Bmw

Wiring Diagram Kubota M7040 In 2020 Alternator Diagram Kubota Tractors

Wiring Diagram Kubota M7040 In 2020 Alternator Diagram Kubota Tractors

Https Encrypted Tbn0 Gstatic Com Images Q Tbn And9gcrngf Wdukgb9x X1os5jd4q9abagm S Ntsldhmdsvejnspbom Usqp Cau

Https Encrypted Tbn0 Gstatic Com Images Q Tbn And9gcrngf Wdukgb9x X1os5jd4q9abagm S Ntsldhmdsvejnspbom Usqp Cau

Kubota Glow Plug Wiring Diagram Wiring Diagram 174636 Amazing Wiring Diagram Collection Glow Wire Plugs

Kubota Glow Plug Wiring Diagram Wiring Diagram 174636 Amazing Wiring Diagram Collection Glow Wire Plugs

Pin On Camaro Shtuff

Pin On Camaro Shtuff

12 Simple Car Amplifier Wiring Diagram Installation Bacamajalah In 2020 Car Stereo Systems Car Audio Car Audio Installation

12 Simple Car Amplifier Wiring Diagram Installation Bacamajalah In 2020 Car Stereo Systems Car Audio Car Audio Installation

Honda Wiring Diagram Http Bookingritzcarlton Info Honda Wiring Diagram Honda Accord Honda Honda Civic

Honda Wiring Diagram Http Bookingritzcarlton Info Honda Wiring Diagram Honda Accord Honda Honda Civic

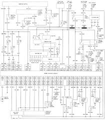
10 1992 Toyota Corolla Electrical Wiring Diagram Wiring Diagram Wiringg Net In 2020 Toyota Corolla Toyota Yaris

10 1992 Toyota Corolla Electrical Wiring Diagram Wiring Diagram Wiringg Net In 2020 Toyota Corolla Toyota Yaris

Source : pinterest.com

Random Posts