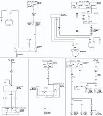
1969 Mustang Ignition Switch Wiring Diagram

15 1969 Mustang Engine Wiring Diagram Engine Diagram Wiringg Net In 2020 1967 Mustang Mustang Diagram

15 1969 Mustang Engine Wiring Diagram Engine Diagram Wiringg Net In 2020 1967 Mustang Mustang Diagram

15 1969 Mustang Engine Wiring Diagram Engine Diagram Wiringg Net In 2020 1969 Mustang Fastback Mustang 1967 Mustang

15 1969 Mustang Engine Wiring Diagram Engine Diagram Wiringg Net In 2020 1969 Mustang Fastback Mustang 1967 Mustang

15 1969 Mustang Engine Wiring Diagram Engine Diagram Wiringg Net In 2020 1968 Mustang Mustang Engine Mustang

15 1969 Mustang Engine Wiring Diagram Engine Diagram Wiringg Net In 2020 1968 Mustang Mustang Engine Mustang

1967 Mustang Turn Signal Switch Wiring Diagram Wiringdiagram Org

1967 Mustang Turn Signal Switch Wiring Diagram Wiringdiagram Org

Automotive Ignition Wiring Diagram Diagram Diagramtemplate Diagramsample

Automotive Ignition Wiring Diagram Diagram Diagramtemplate Diagramsample

Pin On Mustang

Pin On Mustang

Pin On Mustang

Diagram 1969 mustang ignition wiring full version hd quality coen91ms.

1969 mustang ignition switch wiring diagram. The don t make a harness for under dash on 69 so i bought a universal kit to use for this and the tail light harness the tail light harness has fewer connectors etc. Ignition control module diagram. I also bought a new ignition switch with its wiring and a new switch for the head light dimmer.

So looking at t. 87 93 fuse box diagram. 74e5 67 ford mustang ignition wiring resources 1969 lincoln diagram schematic library 1966 switch ns 7747 1967 ao 9941 instrument panel wrg 3497 msd 65 db4924 1999 mercury cougar hk 9487 on heater box kc 5989 fuse chevy ced 69 74e5 67 ford mustang ignition wiring resources 1969 lincoln wiring diagram schematic library mustang ignition diagram 1966 switch read more.

Keyless entry wiring diagram. I am building up to tackling the wiring on the mach here in a few weeks so ive been looking at the factory wiring diagrams to familiarize myself with them. Belt routing smog pump ac removed.

The i terminal sends full 12v back to the coil while cranking for better starting. 68 mustang ignition switch wiring 65 diagram full turn signal 1993 1965 f100 1967 heater 1968 neutral safety 69 ford dash diagrams and vacuum 1969 gm scott drake c9az 14313 a wire harness installation instructions 89 3g 1964 average 70 falcon f question. I thought a good place to start breaking things down would be the ignition switch.

I got a fastener kit to hold all the wires down. Ignition system wiring diagram. When you make use of your finger or even follow the circuit together with your eyes it may be easy to mistrace the circuit.

Instrument cluster wiring diagram. Once running the coil then recieves the reduced 6 9v though the pink resistor wire.

Ford Pats Wiring Diagram Bookingritzcarlton Info Mustang Engine 2000 Ford Mustang Ford F150

Ford Pats Wiring Diagram Bookingritzcarlton Info Mustang Engine 2000 Ford Mustang Ford F150

Exterior Light Turn Signals And Horns Wiring Diagrams Of 1966 Ford Throughout 1967 Fairlane Diagram Diagram Mustang Mustang 1966

Exterior Light Turn Signals And Horns Wiring Diagrams Of 1966 Ford Throughout 1967 Fairlane Diagram Diagram Mustang Mustang 1966

67 Mustang Engine Wiring Diagram And Mustang Wiring And Vacuum Diagrams Average Joe In 2020 Mustang Math Diagram

67 Mustang Engine Wiring Diagram And Mustang Wiring And Vacuum Diagrams Average Joe In 2020 Mustang Math Diagram

Image003 In Chevy C10 Ignition Switch Wiring In 2020 72 Chevy Truck Chevy Trucks 67 72 Chevy Truck

Image003 In Chevy C10 Ignition Switch Wiring In 2020 72 Chevy Truck Chevy Trucks 67 72 Chevy Truck

Unique Harley Radio Wiring Diagram In 2020 Electrical Wiring Diagram Diagram Trailer Wiring Diagram

Unique Harley Radio Wiring Diagram In 2020 Electrical Wiring Diagram Diagram Trailer Wiring Diagram

Pin On Diagram Sample

Pin On Diagram Sample

57 65 Ford Wiring Diagrams Electrical Wiring Diagram Electrical Diagram Ford Galaxie

57 65 Ford Wiring Diagrams Electrical Wiring Diagram Electrical Diagram Ford Galaxie

New Wiring Diagram For Trailers Australia R32 Skyline Engineering Skyline

New Wiring Diagram For Trailers Australia R32 Skyline Engineering Skyline

Beautiful Wiring Diagram For Alternator Conversion Diagrams Digramssample Diagramimages Wiringdiagramsample Wiringdi Alternator Ford Mustang Forum Diagram

Beautiful Wiring Diagram For Alternator Conversion Diagrams Digramssample Diagramimages Wiringdiagramsample Wiringdi Alternator Ford Mustang Forum Diagram

Pin En Car Diagram

Pin En Car Diagram

Pin On My Saves

Pin On My Saves

Pin On Cars

Pin On Cars

12 72 Chevelle Engine Wiring Harness Diagram Engine Diagram Wiringg Net In 2020 Dodge Charger 1969 Dodge Charger Diagram

12 72 Chevelle Engine Wiring Harness Diagram Engine Diagram Wiringg Net In 2020 Dodge Charger 1969 Dodge Charger Diagram

Honda Wiring Diagram Http Bookingritzcarlton Info Honda Wiring Diagram Electronica Motos

Honda Wiring Diagram Http Bookingritzcarlton Info Honda Wiring Diagram Electronica Motos

1966 1967 1968 1969 Vw Karmann Ghia Wiring Diagram Extraordinary Throughout Vw Beetle Vwkarmannghiainteri Vw Super Beetle Electrical Wiring Electrical Diagram

1966 1967 1968 1969 Vw Karmann Ghia Wiring Diagram Extraordinary Throughout Vw Beetle Vwkarmannghiainteri Vw Super Beetle Electrical Wiring Electrical Diagram

Ford Focus Mk2 Wiring Diagram Ford Focus Engine Ford Focus Ford

Ford Focus Mk2 Wiring Diagram Ford Focus Engine Ford Focus Ford

I Found This Helpful Answer From A Ford Mechanic On Justanswer Com Ford Courier Electrical Wiring Diagram F150

I Found This Helpful Answer From A Ford Mechanic On Justanswer Com Ford Courier Electrical Wiring Diagram F150

Unique Wiring Diagram For Amp Gauge Diagram Diagramtemplate Diagramsample Diagram Tachometer Mustang

Unique Wiring Diagram For Amp Gauge Diagram Diagramtemplate Diagramsample Diagram Tachometer Mustang

1

1

10 Vw Golf Mk4 Engine Wiring Diagram Vw Golf Mk4 Vw Golf Golf 4

10 Vw Golf Mk4 Engine Wiring Diagram Vw Golf Mk4 Vw Golf Golf 4

Kia Wiring Diagrams Free Download For Such Models As Ceed Picanto Rio Sedona Sorento Sportage Venga And For Ot Kia Sportage Sportage Electrical Diagram

Kia Wiring Diagrams Free Download For Such Models As Ceed Picanto Rio Sedona Sorento Sportage Venga And For Ot Kia Sportage Sportage Electrical Diagram

Yamaha Timberwolf Engine Wiring Diagram In 2020 Yamaha Atv Yamaha Diagram

Yamaha Timberwolf Engine Wiring Diagram In 2020 Yamaha Atv Yamaha Diagram

Dodge Wiring Diagrams Free Unique 1973 Dodge Duster Wiring Diagram Wiring Diagrams Autos Y Motos Autos Motos

Dodge Wiring Diagrams Free Unique 1973 Dodge Duster Wiring Diagram Wiring Diagrams Autos Y Motos Autos Motos

1990 Mustang 2 3 Wiring Diagram Mustang 1988 1990 2 3l Eec Wiring Diagram All About Wiring Diagrams Ford Ranger Scissor Lift Ford

1990 Mustang 2 3 Wiring Diagram Mustang 1988 1990 2 3l Eec Wiring Diagram All About Wiring Diagrams Ford Ranger Scissor Lift Ford

Source : pinterest.com