Line Array Speaker Wiring Diagram

Pin On Sound Files

Pin On Sound Files

Classroom Audio Systems Multiple Speaker Wiring Diagram Speaker Wire Audio System Speaker

Classroom Audio Systems Multiple Speaker Wiring Diagram Speaker Wire Audio System Speaker

Car Crossover Wiring Diagram And The Speaker Wiring Diagram And Connection Guide The Basics In 2020 Audio Design Types Of Electrical Wiring Speaker Wire

Car Crossover Wiring Diagram And The Speaker Wiring Diagram And Connection Guide The Basics In 2020 Audio Design Types Of Electrical Wiring Speaker Wire

Build The Mini Line Array Car Audio Speaker Projects Woofer Speaker

Build The Mini Line Array Car Audio Speaker Projects Woofer Speaker

Complete Crossover Diagram Example Subwoofer Box Design Speaker Box Design Speaker Projects

Complete Crossover Diagram Example Subwoofer Box Design Speaker Box Design Speaker Projects

All About Audio Technical Articles Surround Sound Speakers Surround Sound Speaker Wire

All About Audio Technical Articles Surround Sound Speakers Surround Sound Speaker Wire

All About Audio Technical Articles Surround Sound Speakers Surround Sound Speaker Wire

Parallel circuits are the simplest to wire because adding a speaker is as easy as connecting the new speakers positive lead to the speaker wires of the other speakers and the negative lead to the connection of the other speakers.

Line array speaker wiring diagram. The wiring diagrams for all of the x array loudspeaker systems are shown in figure 2 and a brief d e scription of the wiring connection capabilities of each system is described below. Mono stereo cabinets the diagram below shows the wiring of a marshall 2x12 speaker cab having a mono stereo selection switch and two specialized input jacks. Parallel speaker wiring combines all speakers positive speaker leads together and all negative speaker leads together.

We will not use this information as we will be building a single enclosure for all 3 drivers. Four 4 ohm speakers 4 ohm load four 8 ohm speakers 8 ohm load four 16 ohm speakers 16 ohm load. Look at the wiring diagram.

Two paralleled 8 pin neutrik speakon connectors are used for electrical connection on the input panel. The other arrangement with four groups of six drivers in series would yield a net impedance of 12 ohms which i decided was just too high. First one needs to know the nominal impedance to the drivers forming the array.

All speakers above that one are run through the hpf. The speaker box volume calculator also provides the size of each panel of the box. Figure 3 2 shows the wiring diagram.

Wiring a line array. The mcla system employs 24 speakers per corner line array enclosure. It does a couple things for you.

A line array is a group of audio drivers speakers mounted in a row. In a 4 speaker system two of the drivers are bandpass. In a 3 way system only the mid will be bandpass.

Nigel B Design Manufactures A Range Of Traditional And 70 Volt Amplifiers Discussed Here Are Some Tips That Desc Wiring Speakers Speaker Wire Subwoofer Wiring

Nigel B Design Manufactures A Range Of Traditional And 70 Volt Amplifiers Discussed Here Are Some Tips That Desc Wiring Speakers Speaker Wire Subwoofer Wiring

Woodwork Cabinet Speaker Plans Pdf Plans Speaker Plans Speaker Box Design Subwoofer Box Design

Woodwork Cabinet Speaker Plans Pdf Plans Speaker Plans Speaker Box Design Subwoofer Box Design

Crossover Wiring Diagram Car Audio Http Bookingritzcarlton Info Crossover Wiring Diagram Car Audi Subwoofer Box Design Electronic Circuit Projects Car Audio

Crossover Wiring Diagram Car Audio Http Bookingritzcarlton Info Crossover Wiring Diagram Car Audi Subwoofer Box Design Electronic Circuit Projects Car Audio

Build The Mini Line Array Speaker Box Design Diy Audio Projects Diy Speakers

Build The Mini Line Array Speaker Box Design Diy Audio Projects Diy Speakers

Electrical Wiring Jvc Car Stereo Wire Harness Diagram Audio Wiring Head Unit P Jvc Radio Wire Harness 81 Wiring Diag Media Room Design Car Stereo Car Audio

Electrical Wiring Jvc Car Stereo Wire Harness Diagram Audio Wiring Head Unit P Jvc Radio Wire Harness 81 Wiring Diag Media Room Design Car Stereo Car Audio

Spe Audio Line Array Speaker Plans 2 10 Inch Speaker Line Array View Line Array Speaker Plans Spe Product Det Speaker Plans Speaker Box Design Speaker Design

Spe Audio Line Array Speaker Plans 2 10 Inch Speaker Line Array View Line Array Speaker Plans Spe Product Det Speaker Plans Speaker Box Design Speaker Design

Http Triodeamplification Com Images 2 Speaker Wiring Diagram Gif Car Audio Woofer Speaker Speaker

Http Triodeamplification Com Images 2 Speaker Wiring Diagram Gif Car Audio Woofer Speaker Speaker

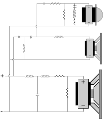
Bi Amp Speaker Wiring Diagram Stereo Amp Power Amp Diagram

Bi Amp Speaker Wiring Diagram Stereo Amp Power Amp Diagram

Ug Community Ultimate Guitar Com 2x12 Cab Building Planning Thread Diy Bluetooth Speaker Speaker Speaker Box Design

Ug Community Ultimate Guitar Com 2x12 Cab Building Planning Thread Diy Bluetooth Speaker Speaker Speaker Box Design

Fe Wiring Diagram In 2020 Hyundai Elantra Elantra Hyundai

Fe Wiring Diagram In 2020 Hyundai Elantra Elantra Hyundai

Pin On Diagram

Pin On Diagram

Hot Item Line Array With Speaker Parts Rigging Hardware 41 Speaker Plans Speaker Speaker Box Design

Hot Item Line Array With Speaker Parts Rigging Hardware 41 Speaker Plans Speaker Speaker Box Design

Toyota Camry Stereo Wiring Diagram Ford Explorer Ford Expedition F150

Toyota Camry Stereo Wiring Diagram Ford Explorer Ford Expedition F150

Wiring Open Baffle Speakers Open Baffle Diy Speakers

Wiring Open Baffle Speakers Open Baffle Diy Speakers

10 Panasonic Car Dvd Player Wiring Diagram Car Dvd Players Dvd Player Diagram

10 Panasonic Car Dvd Player Wiring Diagram Car Dvd Players Dvd Player Diagram

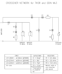
Seas Thor Speaker Kit Pair Speaker Kits Speaker Speaker Box Design

Seas Thor Speaker Kit Pair Speaker Kits Speaker Speaker Box Design

Build The Mini Line Array Speaker Box Design Diy Audio Projects Subwoofer Box Design

Build The Mini Line Array Speaker Box Design Diy Audio Projects Subwoofer Box Design

Acura Integra Stereo Wiring Diagram Ford Focus Radio Wiring Harness Juanribon Acura Integra Stereo Wiring Diagr Acura Integra Electronic Schematics Diagram

Acura Integra Stereo Wiring Diagram Ford Focus Radio Wiring Harness Juanribon Acura Integra Stereo Wiring Diagr Acura Integra Electronic Schematics Diagram

Https Encrypted Tbn0 Gstatic Com Images Q Tbn And9gcqkfhczlxzklw49hgg3dknof Zhlznept2cw3gt09xo8lz96uou Usqp Cau

Https Encrypted Tbn0 Gstatic Com Images Q Tbn And9gcqkfhczlxzklw49hgg3dknof Zhlznept2cw3gt09xo8lz96uou Usqp Cau

Car Sound System Diagram Car Audio System Wiring Diagram 440x330 Jpeg Car Audio Systems Sound System Car Car Stereo Systems

Car Sound System Diagram Car Audio System Wiring Diagram 440x330 Jpeg Car Audio Systems Sound System Car Car Stereo Systems

B W Bvr Spl Xover V 2 Schematics Speaker Projects Speaker Plans Loudspeaker

B W Bvr Spl Xover V 2 Schematics Speaker Projects Speaker Plans Loudspeaker

Speakon Wiring Diagram Preclinical Of Neutrik Speakon Connector Wiring Diagram For Neutrik Speakon Wiring Diagrams In 2020 Wiring Speakers Speaker Cable Floor Plans

Speakon Wiring Diagram Preclinical Of Neutrik Speakon Connector Wiring Diagram For Neutrik Speakon Wiring Diagrams In 2020 Wiring Speakers Speaker Cable Floor Plans

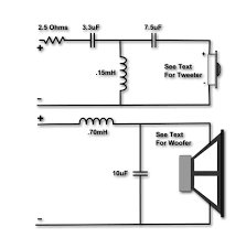
Open Baffle Speaker 2 Way Crossover Schematic Open Baffle Open Baffle Speakers Speaker Projects

Open Baffle Speaker 2 Way Crossover Schematic Open Baffle Open Baffle Speakers Speaker Projects

Open Baffle Speaker 2 Way Crossover Schematic Open Baffle Open Baffle Speakers Speaker Projects

Open Baffle Speaker 2 Way Crossover Schematic Open Baffle Open Baffle Speakers Speaker Projects

Source : pinterest.com