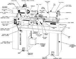
Myford Lathe Motor Wiring Diagram

Motor On A Myford Lathe Live Wire Inrush Current Metric Thread

Motor On A Myford Lathe Live Wire Inrush Current Metric Thread

Myford Lathe Restoration Part 11 A New Motor Youtube In 2020 Restoration Motor Science And Technology

Myford Lathe Restoration Part 11 A New Motor Youtube In 2020 Restoration Motor Science And Technology

Pin On Electrical Circuit Diagram

Pin On Electrical Circuit Diagram

Metal Lathe Steve Jordan Youtube Motor Lathe Metal Lathe

Metal Lathe Steve Jordan Youtube Motor Lathe Metal Lathe

Pin On Diagram

Pin On Diagram

Quick Change Toolpost For Hobbymat Md65 Lathe Ebay Metalloobrabotka Tokarnye Instrument

Quick Change Toolpost For Hobbymat Md65 Lathe Ebay Metalloobrabotka Tokarnye Instrument

Quick Change Toolpost For Hobbymat Md65 Lathe Ebay Metalloobrabotka Tokarnye Instrument

I m trying to wire up a motor for my myford ml7.

Myford lathe motor wiring diagram. I have a myford super 7 with a brook crompton parkinson 550w single phase motor. The motor has four terminals and earth. Index eaton wiring manual 0611 11 3 11 circuit diagrams contactor relays.

The top three are labeled a z. I want to urgently turn some small parts. I wired this in to a dewhurst reversing switch as per the wiring diagram in the myford manual but when i.

And the earth yellow and green flex wire would connect to the earth screw. See the 220v vfd inverter buying li. Myford lathe motor wiring diagram wiring diagram is a simplified suitable pictorial representation of an electrical circuit.

Any ideas without prejudice. Inside the motor on the terminals shown in the first photo a wire would link the az and t terminals together which would then connect to the brown live flex wire. The motor itself is a crompton parkinson 1 3hp with resilient mount.

Myford lathe motor wiring diagram myford industrial stand wiring model engineer. Another wire would link the a and z terminals together and connect to the blue neutral flex wire. Wiring up a brooke crompton single phase lathe motor myford lathe.

It shows the components of the circuit as simplified shapes and the capability and signal friends in the middle of the devices. I realise it is a bit too small for the job but it s what i have available at the moment untill i can get another. How do i wire my motor.

Heavy Duty All Geared Lathe Machine Lathe Machine Lathe Machine Shop

Heavy Duty All Geared Lathe Machine Lathe Machine Lathe Machine Shop

Kawasaki 1988 Klf220 A1 Bayou Wiring Diagram Electrical Wiring Diagram Electrical Diagram Motorcycle Wiring

Kawasaki 1988 Klf220 A1 Bayou Wiring Diagram Electrical Wiring Diagram Electrical Diagram Motorcycle Wiring

My 1966 South Bend Restoration Southbend Lathe Restoration Customwoodwindandbrass Lathe Machine Machine Tools South Bend Lathe

My 1966 South Bend Restoration Southbend Lathe Restoration Customwoodwindandbrass Lathe Machine Machine Tools South Bend Lathe

Atlas 618 Metal Lathe Metal Lathe Lathe Woodworking Machine

Atlas 618 Metal Lathe Metal Lathe Lathe Woodworking Machine

Lathe Parts Page 1 In 2020 Lathe Parts Lathe Machine Parts Lathe

Lathe Parts Page 1 In 2020 Lathe Parts Lathe Machine Parts Lathe

Lathe And Milling Systems Piezas De Torno Herramientas De Torno Torno De Madera

Lathe And Milling Systems Piezas De Torno Herramientas De Torno Torno De Madera

Mijn Emco 8 Storage And Organization Tool Storage Metal Working

Mijn Emco 8 Storage And Organization Tool Storage Metal Working

Old Craftsman Lathe Sell Or Keep Lathe Craftsman Olds

Old Craftsman Lathe Sell Or Keep Lathe Craftsman Olds

Steve Lindsay Shop Tour Metal Working Tools Machine Shop Machine Tools

Steve Lindsay Shop Tour Metal Working Tools Machine Shop Machine Tools

Item 12 X 36 Precision High Speed Bench Lathe Make Svi Machine Tools Model Gml 1236bg Call Sierra Vict Metal Lathe Projects Machine Tools Machine Shop

Item 12 X 36 Precision High Speed Bench Lathe Make Svi Machine Tools Model Gml 1236bg Call Sierra Vict Metal Lathe Projects Machine Tools Machine Shop

Permanent Magnet Synchronous Motor Inverter Vector Control Permanent Magnet Converter

Permanent Magnet Synchronous Motor Inverter Vector Control Permanent Magnet Converter

Signs Of A Failing Starter Motor Starter Motor Repair Auto Repair

Signs Of A Failing Starter Motor Starter Motor Repair Auto Repair

Solar Inverter High Frequency Parameter Setting Http Www Cnweiken Cn En List 38 Solar Inverter Solar Pv Solar

Solar Inverter High Frequency Parameter Setting Http Www Cnweiken Cn En List 38 Solar Inverter Solar Pv Solar

Pin On Old Metalworking Machinery

Pin On Old Metalworking Machinery

For Russian Ce 220v 1 5 2 2 4kw3 Phase Output Frequency Converter Ac Mot In 2020 Converter Frequencies

For Russian Ce 220v 1 5 2 2 4kw3 Phase Output Frequency Converter Ac Mot In 2020 Converter Frequencies

Pin Von Poncho Auf Tools Werkzeug Tipps Projekte

Pin Von Poncho Auf Tools Werkzeug Tipps Projekte

Hardinge Older Dv59 Metal Lathe Operator S Manual Ozark Tool Manuals Books Metal Lathe Tool Room Lathe

Hardinge Older Dv59 Metal Lathe Operator S Manual Ozark Tool Manuals Books Metal Lathe Tool Room Lathe

Https Encrypted Tbn0 Gstatic Com Images Q Tbn And9gcr7nrvnptyzaq Gqzcxsqscuj Eufvh6mjlxe4fulseadzsfalh Usqp Cau

Https Encrypted Tbn0 Gstatic Com Images Q Tbn And9gcr7nrvnptyzaq Gqzcxsqscuj Eufvh6mjlxe4fulseadzsfalh Usqp Cau

9x20 Lathe Dro Tailstock Scale In 2020 Lathe Machine Shop Metal Lathe

9x20 Lathe Dro Tailstock Scale In 2020 Lathe Machine Shop Metal Lathe

10 Simple Arduino Projects For Beginners With Code Simple Arduino Projects Arduino Projects Arduino

10 Simple Arduino Projects For Beginners With Code Simple Arduino Projects Arduino Projects Arduino

Midas Combo Lathe Mill Drill Smithy Com I Really Really Really Need One Of These Lathe Machine Tools Engineering Tools

Midas Combo Lathe Mill Drill Smithy Com I Really Really Really Need One Of These Lathe Machine Tools Engineering Tools

Masina De Gaurit Cu Coloana Si Transmisie Prin Curea Bernardo Bm 25 Sb Can Opener Youtube Metal

Masina De Gaurit Cu Coloana Si Transmisie Prin Curea Bernardo Bm 25 Sb Can Opener Youtube Metal

Pin On Tools

Pin On Tools

Source : pinterest.com

Random Posts