Siemens Plc S7 1200 Wiring Diagram

Wiring Diagram Plc Omron Http Bookingritzcarlton Info Wiring Diagram Plc Omron Ladder Logic Electrical Circuit Diagram Plc Programming

Wiring Diagram Plc Omron Http Bookingritzcarlton Info Wiring Diagram Plc Omron Ladder Logic Electrical Circuit Diagram Plc Programming

Sinamics V Speed Control Of A V20 With S7 1200 Tia Portal Via Uss Protocol Modb Id 63696870 Industry Support Sie Electronica Proyectos Programacion

Sinamics V Speed Control Of A V20 With S7 1200 Tia Portal Via Uss Protocol Modb Id 63696870 Industry Support Sie Electronica Proyectos Programacion

Compact And Space Saving Design Of Simatic S7 1200 Siemens Basic Controllers An Approaching To System Overview And Beneficial Act Home Security Systems Home Security Tips Home Security

Compact And Space Saving Design Of Simatic S7 1200 Siemens Basic Controllers An Approaching To System Overview And Beneficial Act Home Security Systems Home Security Tips Home Security

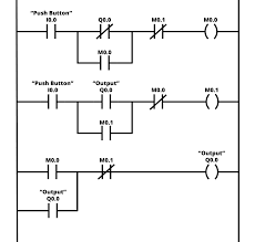
Pin On Plc Automatisatie

Pin On Plc Automatisatie

Single Push Button On Off Logic Example Ladder Logic Electrical Circuit Diagram Plc Programming

Single Push Button On Off Logic Example Ladder Logic Electrical Circuit Diagram Plc Programming

Pin On Plc Stuff

Pin On Plc Stuff

Pin On Plc Stuff

Page 17 introducing the powerful and flexible s7 1200 1 1 introducing the s7 1200 plc table 1 2 blocks timers and counters supported by s7 1200 element description blocks type ob fb fc db size 30 kbytes cpu 1211c 50 kbytes cpu 1212c 64 kbytes cpu 1214c cpu 1215c and cpu 1217c quantity up to 1024 blocks total obs fbs fcs dbs nesting depth.

Siemens plc s7 1200 wiring diagram. Siemens industry online support. Compact design low cost and a powerful instruction set. Siemens plc wiring diagram pdf.

How does the plc replace relay logic from a ladder logic diagram. Hi i am using the internal 24vdc to supply all of my inputs and outputs. Electrical floor plan motor control training and plc training software as well.

Refer to the technical specifications page 829 for the s7 1200 wiring diagrams. S7 1200 wiring diagram tia portal includes step 7 for s programming and wincc for designing basic panel a sm 4xio link master sm wiring diagrams. When i shunt l with 1l and 2l all of my outputs go high.

Page 71 installation 3 4 wiring guidelines ensure that you follow all applicable electrical codes when wiring the s7 1200 and related. Plc to the star delta wiring diagram siemens s7 1200 circuit for and full 1214c dc cpu digital io connection diagrams factory i o 3 phase motor logo schematic how wire discrete sensors external 221 222 page 1 signals techniques phnr 4518 audi basic a program profibus connector 300 plc200 line control of three ac cur loop divize electrical. Plc siemens io wiring diagram page 1 line 17qq com.

Do you have any general questions. The s7 1200 cpus with safety integrated handle both standard and safety related tasks. Why also all the negatives sides of the inputs and outputs are connected to m the outputs and inputs devices all tog.

Constructor for ladder diagrams. Tank fill using siemens s7 1200 smanchikalapudi9724siemens s7 1200. Are you looking for additional information.

Siemens Simatic S7 1200 Part 2 Re Usable Libraries Youtube Basic Software Siemens Usability

Siemens Simatic S7 1200 Part 2 Re Usable Libraries Youtube Basic Software Siemens Usability

Pin En Siemens

Pin En Siemens

Siemens Plc All Kinds Of Models Best Price Fast Deliver Time This Or That Questions Siemens Interview Questions

Siemens Plc All Kinds Of Models Best Price Fast Deliver Time This Or That Questions Siemens Interview Questions

Wiring Diagram Plc Mitsubishi Bookingritzcarlton Info Ladder Logic Electronic Engineering Logic Programming

Wiring Diagram Plc Mitsubishi Bookingritzcarlton Info Ladder Logic Electronic Engineering Logic Programming

Basics Of Plcs Eep Automacao Industrial Automacao Programacao

Basics Of Plcs Eep Automacao Industrial Automacao Programacao

Communication With S7 Cpu Via Knx Gateway Id 109739689 Industry Support Siemens Communication Networks Communication Electrical Engineering

Communication With S7 Cpu Via Knx Gateway Id 109739689 Industry Support Siemens Communication Networks Communication Electrical Engineering

Industry Support Siemens Supportive Siemens Industrial

Industry Support Siemens Supportive Siemens Industrial

كورس كاامل في الـ Plc كورس أكثر من رائع يشمل شرح تطبيقات شرح باللغة العربية Course In Pl Programing Software Plc Programming Programmable Logic Controllers

كورس كاامل في الـ Plc كورس أكثر من رائع يشمل شرح تطبيقات شرح باللغة العربية Course In Pl Programing Software Plc Programming Programmable Logic Controllers

Pin On Valvulas

Pin On Valvulas

Remote Connection Of Controls Using A Communication Module Of Plc S7 1200 Control Engineering Programmable Logic Controllers Automation

Remote Connection Of Controls Using A Communication Module Of Plc S7 1200 Control Engineering Programmable Logic Controllers Automation

Ghim Tren Cap Lập Trinh Plc Hmi Gia Rẻ

Ghim Tren Cap Lập Trinh Plc Hmi Gia Rẻ

Dc Motor Braking Circuit Diagram Elec Eng World Circuit Diagram Electrical Motors Circuit

Dc Motor Braking Circuit Diagram Elec Eng World Circuit Diagram Electrical Motors Circuit

Pin On Nt Seimens S7 1200 Plc

Pin On Nt Seimens S7 1200 Plc

Objects Are Moving On The Conveyor We Need To Count The Total Number Of Objects Collected At The End Of Conveyor Plc Programming Conveyor Programming Tutorial

Objects Are Moving On The Conveyor We Need To Count The Total Number Of Objects Collected At The End Of Conveyor Plc Programming Conveyor Programming Tutorial

Logixpro Plc Simulator Allows You To Practice Programming For Preset Simulations But Doesn T Teach You How To Program Plc Just Allows You To Learn Through Ex

Logixpro Plc Simulator Allows You To Practice Programming For Preset Simulations But Doesn T Teach You How To Program Plc Just Allows You To Learn Through Ex

Motor Speed Control With The Help Of Hmi By Using S7 300 Plc Slider To Control The Speed Of Motor Gauge To Read The Actual Speed Motor Speed Train Speed

Motor Speed Control With The Help Of Hmi By Using S7 300 Plc Slider To Control The Speed Of Motor Gauge To Read The Actual Speed Motor Speed Train Speed

Pin On Education

Pin On Education

Plc Programming With Rslogix 5000

Plc Programming With Rslogix 5000

1

1

Pin On Dvr Cctv Camera Repair

Pin On Dvr Cctv Camera Repair

Pin On Plc Simulator

Pin On Plc Simulator

Siemens Plc Interview Questions Answers Interview Questions And Answers This Or That Questions Logic Programming

Siemens Plc Interview Questions Answers Interview Questions And Answers This Or That Questions Logic Programming

Pin On Plc

Pin On Plc

Que Es Un Electricidad Industrial Electrotecnia Automatizacion Industrial

Que Es Un Electricidad Industrial Electrotecnia Automatizacion Industrial

Source : pinterest.com