Atv Winch Switch Wiring Diagram

Warn Atv Winch Solenoid Wiring Diagram Winch Solenoid Winch Atv Winch

Warn Atv Winch Solenoid Wiring Diagram Winch Solenoid Winch Atv Winch

Wiring Diagram Electrical Wiring Diagram Electrical Winch Solenoid Electric Winch Winch

Wiring Diagram Electrical Wiring Diagram Electrical Winch Solenoid Electric Winch Winch

Warn Winch Wiring Diagram 4 Solenoid Unique Best Warn Winch Wiring Diagram Atv Everything You Need To Of Warn Winch Wiring Diag Winch Solenoid Warn Winch Winch

Warn Winch Wiring Diagram 4 Solenoid Unique Best Warn Winch Wiring Diagram Atv Everything You Need To Of Warn Winch Wiring Diag Winch Solenoid Warn Winch Winch

Kfi Winch Wireless Remote Control Upgrade Kit With Switches Contactor Amp Wiring Winch Remote Control Switches

Kfi Winch Wireless Remote Control Upgrade Kit With Switches Contactor Amp Wiring Winch Remote Control Switches

Unique Winch Contactor Wiring Diagram Diagram Diagramtemplate Diagramsample

Unique Winch Contactor Wiring Diagram Diagram Diagramtemplate Diagramsample

Warn Winch Wiring Diagrams Vehicledata Winch Solenoid Warn Winch Winch

Warn Winch Wiring Diagrams Vehicledata Winch Solenoid Warn Winch Winch

Warn Winch Wiring Diagrams Vehicledata Winch Solenoid Warn Winch Winch

Injunction of two wires is generally indicated by black dot at the intersection of two lines.

Atv winch switch wiring diagram. A wiring diagram is a simplified traditional pictorial representation of an electrical circuit. It shows the elements of the circuit as streamlined forms and also the power as well as signal links in between the devices. Collection of 12 volt winch wiring diagram.

All of it depends on circuit that is being assembled. There where so many complicated different color wires and harnesses that made a big tangled mess. According to earlier the lines in a warn winch wiring diagram solenoid represents wires.

A wiring diagram is a streamlined standard pictorial representation of an electrical circuit. I cut out the remote switch and some other wiring bs tha. It shows the elements of the circuit as streamlined forms and also the power and also signal links in between the devices.

Wiring diagram for warn winch valid warn 2500 atv winch wiring. At times the wires will cross. For instance if a module is usually powered up also it sends out a signal of 50 percent the voltage in addition to the technician would not know this he d think he has a challenge as he or she would expect a new 12v signal.

However it doesn t imply link between the wires. Winch rocker switch wiring diagram february 13 2019 april 12 2020 wiring diagram by anna r. Higginbotham and every one of these tips are illustrated with sensible illustrations.

Need help with wiring rocker switches help wiring vision x lights kawasaki teryx forum 6a76b1 heated driveway electric wiring diagram a36c gamecube controller wiring diagram ad5 545rfe wiring diagram what size atv winch do you need with examples aw 0401 12 volt winch switch wiring help with wiring 12v supply fuse block wiring diagram for 1989 pontiac grand prix scotts 1742g wiring diagram. Wellborn assortment of atv winch wiring diagram. Atv winch contactor wiring diagram wiring diagram is a simplified conventional pictorial representation of an electrical circuit.

Unique Winch Contactor Wiring Diagram Diagram Diagramtemplate Diagramsample Winch Electrical Diagram Diagram

Unique Winch Contactor Wiring Diagram Diagram Diagramtemplate Diagramsample Winch Electrical Diagram Diagram

Unique Winch Contactor Wiring Diagram Diagram Diagramtemplate Diagramsample Warn Winch Relay Diagram

Unique Winch Contactor Wiring Diagram Diagram Diagramtemplate Diagramsample Warn Winch Relay Diagram

Traveller Winch Wiring Diagram In 2020 Atv Winch Electrical Wiring Diagram Diagram

Traveller Winch Wiring Diagram In 2020 Atv Winch Electrical Wiring Diagram Diagram

Elegant Example Atv Winch Rocker Switch Wiring Pictures Atv Winch Winch Atv

Elegant Example Atv Winch Rocker Switch Wiring Pictures Atv Winch Winch Atv

Wiring Diagram 12 Volt Electric Winch Wiringdiagram Org Electric Winch Winch Electric Hoists

Wiring Diagram 12 Volt Electric Winch Wiringdiagram Org Electric Winch Winch Electric Hoists

Pin On Wiring Diagrams Paint Colors Worksheets Cv Resume Images

Pin On Wiring Diagrams Paint Colors Worksheets Cv Resume Images

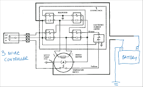
Winch Wiring Diagram Wiring Diagram Schematics Wiring Diagram Schematics Winch Diagram Winch Solenoid

Winch Wiring Diagram Wiring Diagram Schematics Wiring Diagram Schematics Winch Diagram Winch Solenoid

Warn Winch Controller Wiring Diagram Diagram Electrical Diagram Diagram Design

Warn Winch Controller Wiring Diagram Diagram Electrical Diagram Diagram Design

Desert Dynamics Winch Wiring Diagram Data Beautiful Pierce 2 Electric Winch Winch Ramsey Winch

Desert Dynamics Winch Wiring Diagram Data Beautiful Pierce 2 Electric Winch Winch Ramsey Winch

Warn Solenoid Wiring Diagram How To Wire Up A Warn M8000 Winch With Four Solenoids Sharedw Org Diagram Trailer Wiring Diagram Winch Solenoid

Warn Solenoid Wiring Diagram How To Wire Up A Warn M8000 Winch With Four Solenoids Sharedw Org Diagram Trailer Wiring Diagram Winch Solenoid

Winch Solenoid Wiring Diagram Winch Solenoid Winch Motor Winch

Winch Solenoid Wiring Diagram Winch Solenoid Winch Motor Winch

Diagram Diagramtemplate Diagramsample Check More At Https Servisi Co Winch Contactor Wiring Diagram

Diagram Diagramtemplate Diagramsample Check More At Https Servisi Co Winch Contactor Wiring Diagram

Warn Winch Wiring Diagrams Warn Winch Winch Atv Winch

Warn Winch Wiring Diagrams Warn Winch Winch Atv Winch

Winch Solenoid Wiring Page 2 Jeepforumcom Winch Solenoid Warn Winch Winch

Winch Solenoid Wiring Page 2 Jeepforumcom Winch Solenoid Warn Winch Winch

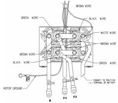
Winch 4 Post Solenoid Diagram 6hp Wjpg Jpg 692 586 Winch Diagram Warn Winch

Winch 4 Post Solenoid Diagram 6hp Wjpg Jpg 692 586 Winch Diagram Warn Winch

Pin On Wiring Diagrams Paint Colors Worksheets Cv Resume Images

Pin On Wiring Diagrams Paint Colors Worksheets Cv Resume Images

New Wiring Diagram Hager Contactor Warn Winch Relay Diagram

New Wiring Diagram Hager Contactor Warn Winch Relay Diagram

Warn Winch 2500 Diagram Winch Warn Winch Wire

Warn Winch 2500 Diagram Winch Warn Winch Wire

Https Encrypted Tbn0 Gstatic Com Images Q Tbn And9gctfxfo04f0qpknw80qwbrduvzzp6rjpwjfp Eu1 Evwkyy6duqz Usqp Cau

Https Encrypted Tbn0 Gstatic Com Images Q Tbn And9gctfxfo04f0qpknw80qwbrduvzzp6rjpwjfp Eu1 Evwkyy6duqz Usqp Cau

2080 Of2 Wiring Diagram In 2020 Schaltplan Toyota Bmw X5

2080 Of2 Wiring Diagram In 2020 Schaltplan Toyota Bmw X5

Warn Winch M8000 Wiring Diagram Warn Winch Winch Electrical Wiring Diagram

Warn Winch M8000 Wiring Diagram Warn Winch Winch Electrical Wiring Diagram

Unique Winch Contactor Wiring Diagram Diagram Diagramtemplate Diagramsample Ceiling Fan With Remote Submersible Pump Electrical Diagram

Unique Winch Contactor Wiring Diagram Diagram Diagramtemplate Diagramsample Ceiling Fan With Remote Submersible Pump Electrical Diagram

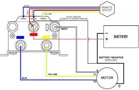
Normal Remote Control For Electric Winch Wiring Diagram Electrical Circuit Diagram Diagram Electrical Wiring Diagram

Normal Remote Control For Electric Winch Wiring Diagram Electrical Circuit Diagram Diagram Electrical Wiring Diagram

Warn Winch 8274 Wiring Diagram Warn Winch Winch Winch Solenoid

Warn Winch 8274 Wiring Diagram Warn Winch Winch Winch Solenoid

Source : pinterest.com