Submersible Pump Single Phase Motor Starter Wiring Diagram Pdf

Single Phase Submersible Pump Starter Wiring Diagram On Water Control Panel Inside To Submersible Pump Submersible Sump Pump

Single Phase Submersible Pump Starter Wiring Diagram On Water Control Panel Inside To Submersible Pump Submersible Sump Pump

Single Phase Submersible Pump Starter Wiring Diagram Gooddy Org Best Of Submersible Pump Submersible Sump Pump

Single Phase Submersible Pump Starter Wiring Diagram Gooddy Org Best Of Submersible Pump Submersible Sump Pump

Single Phase 3 Wire Submersible Pump Control Box Wiring Diagram Submersible Pump Electrical Circuit Diagram Submersible

Single Phase 3 Wire Submersible Pump Control Box Wiring Diagram Submersible Pump Electrical Circuit Diagram Submersible

Automatic Water Level Controler Single Phase Motor Starter Best Of Submersible Pump Wiring Diagram Submersible Pump Submersible Pumps

Automatic Water Level Controler Single Phase Motor Starter Best Of Submersible Pump Wiring Diagram Submersible Pump Submersible Pumps

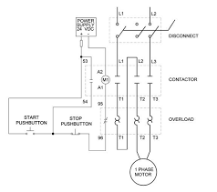
Single Phase Motor Wiring With Contactor Diagram Circuit Diagram Electrical Circuit Diagram Electrical Diagram

Single Phase Motor Wiring With Contactor Diagram Circuit Diagram Electrical Circuit Diagram Electrical Diagram

Single Phase Motor Wiring With Contactor Diagram Circuit Diagram Electrical Circuit Diagram Electrical Diagram

It reveals the elements of the circuit as streamlined forms and also the power and signal links in between the gadgets.

Submersible pump single phase motor starter wiring diagram pdf. Here is a picture gallery about single phase submersible pump starter wiring diagram complete with the description of the image please find the image you need. In the diagram i found the 3 pole mccb. 29 best submersible pump images on pinterest.

The above diagram is a complete method of single phase motor wiring with circuit breaker and contactor. This will be the complete guide to controlling a three stage submersible pump motor using magnetic contactors. Correct wiring for 3 wire single phase motor electrical with regard to single phase submersible pump starter wiring diagram image size 600 x 455 px and to view image details please click the image.

In the above one phase motor wiring i first connect a 2 pole circuit breaker and after that i connect the supply to motor starter and then i do cont actor coil wiring with normally close push button switch and normally open push button switch and in last i do connection between capacitor. Single phase wiring diagram with governor switch. Assortment of single phase submersible pump starter wiring diagram.

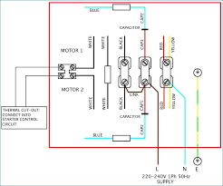
I hope after watching the above single phase submersible pump starter wiring diagram guide video tutorial i hope now you will fully understood the complete submersible pump control starter wiring diagram or installation and now you will be able to wire or make your own submersible pump motor starter however now if you have any question regarding the video tutorial or diagram then you can ask. 3 phase submersible pump motor and electric wiring connection. Single phase submersible pump control box wiring diagram 3 wire submersible pump wiring diagram in the submersible pump control box we use a capacitor a resit able thermal overload and a dpst switch double pole single throw.

Electrician single phase submersible pump starter wiring facebook control panel for molock pumpset circuit diagram semioanalysisdiscoteche water troubleshooting repair diagrams 1 ph sps cdr 3 with dol eet motor box gr 1041 also free aim manual page 55 motors and controls maintenance north america franklin electric sb 3169 magnum controller compact is a powerful controlling device your made. Single phase submersible pump starter wiring diagram now if you did not know about the star run and common wire in your pump motor then follow the below compressor terminals identifying tutorial and same follow the steps to find out identify. Single phase wiring diagram for hp pumps with governor switch.

Single phase wiring diagrams. 3 wire submersible pump wiring diagram wellread. Shown are breaker magnetic contactor thermal overload protection relay and normally open usually close push button switch.

Three Phase Submersible Pump Wiring Diagram Submersible Pump Electrical Circuit Diagram Submersible

Three Phase Submersible Pump Wiring Diagram Submersible Pump Electrical Circuit Diagram Submersible

Single Phase Motor Contactor Wiring Diagram Elec Eng World Electrical Wiring Electricity House Wiring

Single Phase Motor Contactor Wiring Diagram Elec Eng World Electrical Wiring Electricity House Wiring

240v Motor Wiring Diagram Single Phase Collection Single Phase Motor Wiring Diagram With Capacitor Electrical Diagram Electric Motor Electrical Wiring Diagram

240v Motor Wiring Diagram Single Phase Collection Single Phase Motor Wiring Diagram With Capacitor Electrical Diagram Electric Motor Electrical Wiring Diagram

Electrical Wiring Single Phase Motor Starter Wiring Diagram Submersible Well P 2 Way Distribution Board Electrical Wiring Diagram Electrical Circuit Diagram

Electrical Wiring Single Phase Motor Starter Wiring Diagram Submersible Well P 2 Way Distribution Board Electrical Wiring Diagram Electrical Circuit Diagram

Phase Controller Wiring Phase Failure Relay Diagram Electrical Wiring Basic Electrical Wiring Electrical Wiring Diagram

Phase Controller Wiring Phase Failure Relay Diagram Electrical Wiring Basic Electrical Wiring Electrical Wiring Diagram

Single Phase Motor Contactor Wiring Diagram In Urdu Hindi Circuit Diagram Electrical Circuit Diagram Electrical Diagram

Single Phase Motor Contactor Wiring Diagram In Urdu Hindi Circuit Diagram Electrical Circuit Diagram Electrical Diagram

Pin By Gemnest Eco Warrior Eco Warrio On Tools In 2020 Line Diagram Electrical Diagram Electricity

Pin By Gemnest Eco Warrior Eco Warrio On Tools In 2020 Line Diagram Electrical Diagram Electricity

3 Phase Dol Starter Connection Three Phase Induction Motor Dol Starter In Tamil And English Youtube Motor Delta Connection Electrical Circuit Diagram

3 Phase Dol Starter Connection Three Phase Induction Motor Dol Starter In Tamil And English Youtube Motor Delta Connection Electrical Circuit Diagram

Pump Float Switch Wiring Diagram With Schematic On Level B2networkco For Dual Septic Tank 6 9 Well Pump Pressure Switch Submersible Pump Well Pump

Pump Float Switch Wiring Diagram With Schematic On Level B2networkco For Dual Septic Tank 6 9 Well Pump Pressure Switch Submersible Pump Well Pump

Pump Float Switch Wiring Diagram With Blueprint Images Diagrams Septic Tank 4 Septic Tank Trailer Wiring Diagram Lincoln Town Car

Pump Float Switch Wiring Diagram With Blueprint Images Diagrams Septic Tank 4 Septic Tank Trailer Wiring Diagram Lincoln Town Car

3 Phase Submersible Pump Wiring Diagram With Dol Stater Submersible Pump Submersible Pumps

3 Phase Submersible Pump Wiring Diagram With Dol Stater Submersible Pump Submersible Pumps

Contactor Wiring Diagram With Timer New The Beginner S Guide To Wiring A Star Delta Circuit Factomart Circuit Diagram Timer

Contactor Wiring Diagram With Timer New The Beginner S Guide To Wiring A Star Delta Circuit Factomart Circuit Diagram Timer

Septic Pump Float Switch Wiring Diagram Tank Fresh Amazing Gallery The Best Electrical Circuit 7 Septic Tank Float Electrical Installation

Septic Pump Float Switch Wiring Diagram Tank Fresh Amazing Gallery The Best Electrical Circuit 7 Septic Tank Float Electrical Installation

3 Phase Dol Starter Control And Power Wiring Diagram Water Pump Control In 2020 Electrical Jobs Electrical Engineering Books Electrical Projects

3 Phase Dol Starter Control And Power Wiring Diagram Water Pump Control In 2020 Electrical Jobs Electrical Engineering Books Electrical Projects

3 Phase Motor Wiring Diagrams Electrical Installation Home Electrical Wiring Diy Electrical

3 Phase Motor Wiring Diagrams Electrical Installation Home Electrical Wiring Diy Electrical

Pin On Diagram

Pin On Diagram

Wiring Diagram Ac Cassette En 2020 Diagrama De Circuito Electrico Termostato Ahorrar Dinero

Wiring Diagram Ac Cassette En 2020 Diagrama De Circuito Electrico Termostato Ahorrar Dinero

Pin On Electric House

Pin On Electric House

3

3

Single Phase Forward Reverse Motor Wiring Diagram 3 779x1024 On Single Phase Forward Reverse Motor Ac Capacitor Circuit Diagram Electric Motor

Single Phase Forward Reverse Motor Wiring Diagram 3 779x1024 On Single Phase Forward Reverse Motor Ac Capacitor Circuit Diagram Electric Motor

Contactor Wiring Diagram With Timer Diagram Diagramtemplate Diagramsample Diagram Circuit Wire

Contactor Wiring Diagram With Timer Diagram Diagramtemplate Diagramsample Diagram Circuit Wire

Pin On Electronic

Pin On Electronic

Motor Starter Wiring Diagram Electrical Circuit Diagram Electrical Projects Diy Electrical

Motor Starter Wiring Diagram Electrical Circuit Diagram Electrical Projects Diy Electrical

Ats Panel Wiring Diagram Pdf 4 Pole Contactor Of House Distr Mobil Proposal Tulisan

Ats Panel Wiring Diagram Pdf 4 Pole Contactor Of House Distr Mobil Proposal Tulisan

Source : pinterest.com