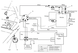
Indak 5 Pole Switch Diagram

Diagram Indak 5 Pole Ignition Switch Wiring Diagram Full Version Hd Quality Wiring Diagram Bestfvennddiagram Cercavetrine It

Diagram Indak 5 Pole Ignition Switch Wiring Diagram Full Version Hd Quality Wiring Diagram Bestfvennddiagram Cercavetrine It

Diagram Indak Switch Wiring Diagram Full Version Hd Quality Wiring Diagram Pvdiagramlisat Ilpeocio It

Diagram Indak Switch Wiring Diagram Full Version Hd Quality Wiring Diagram Pvdiagramlisat Ilpeocio It

Indak Ignition Switch Wiring Diagram Wiring Diagram Ranger Ranger Concorsomusicalmuseo It

Indak Ignition Switch Wiring Diagram Wiring Diagram Ranger Ranger Concorsomusicalmuseo It

Amazon Com Indak Style Ignition Key Switch Fits John Deere Mtd Fits Cub Cadet Mower Industrial Scientific

Amazon Com Indak Style Ignition Key Switch Fits John Deere Mtd Fits Cub Cadet Mower Industrial Scientific

Pin On Mowers

Pin On Mowers

Mercury Marine Ignition Switch Wiring Diagram Wiringdiagram Org Mercury Outboard Outboard Diagram

Mercury Marine Ignition Switch Wiring Diagram Wiringdiagram Org Mercury Outboard Outboard Diagram

Mercury Marine Ignition Switch Wiring Diagram Wiringdiagram Org Mercury Outboard Outboard Diagram

Indak ignition switch diagram wiring schematic wiring diagram is a simplified enjoyable pictorial representation of an electrical circuit it shows the components of the circuit as simplified shapes and the knack and signal associates between the devices.

Indak 5 pole switch diagram. If you need a replacement briggs and stratton ignition switch just find your original briggs part number below to order a replacement. Ignition switch wiring diagram free john deere engine parts john free engine lawn mower key switch wiring diagram beautiful indak 5 pole ignitionindak offers key switches rotary toggle push button switches resistors gages and instrument display control modules. 5 pole ignition switch wiring diagram wiring diagram indak 3497644 ignition switch wiring diagram sr20 s15 wiring.

We know it from internet search engine data such as google adwords or google trends. Indak manufactures rugged switches for the harsh environments of the outdoor power equipment industry electronics for the health care industry and led lighting components and fixtures. Indak ignition switch wiring diagram 607 5 pole ignition switch wiring diagram wiring resources indak ignition switch wiring diagram wiring diagram is a simplified usual pictorial representation of an electrical circuit.

Basic lawn tractor wiring diagram rotary switch diagram indak starter switch indak 5 pole wiring schematic ignition switch wiring indak switch indak ignition switch wiring diagram is one of raised topic at this moment.

Club Car Ignition Switch Wiring Diagram Gas Golf Carts Club Car Golf Cart Electric Golf Cart

Club Car Ignition Switch Wiring Diagram Gas Golf Carts Club Car Golf Cart Electric Golf Cart

Indak Ignition Switch Wiring Diagram Wiring Diagram Engine Engine Sposamiora It

Indak Ignition Switch Wiring Diagram Wiring Diagram Engine Engine Sposamiora It

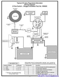
Indak 3497644 Ignition Switch Wiring Diagram Schematic Wiring Diagram Audiotech 9 Audiotech 9 Ufficiounicoterredelcerrano It

Indak 3497644 Ignition Switch Wiring Diagram Schematic Wiring Diagram Audiotech 9 Audiotech 9 Ufficiounicoterredelcerrano It

5 Pin Ignition Switch Wiring Diagram Wiring Diagram Line Line Donnaromita It

5 Pin Ignition Switch Wiring Diagram Wiring Diagram Line Line Donnaromita It

Indak 6 Prong Ignition Switch Wiring Diagram Wiring Diagram Engine Engine Sposamiora It

Indak 6 Prong Ignition Switch Wiring Diagram Wiring Diagram Engine Engine Sposamiora It

Https Encrypted Tbn0 Gstatic Com Images Q Tbn And9gcqvil0maaotoc2v676cwqeu6fqzk45 Dokbrsa98rkvz7lqfffg Usqp Cau

Https Encrypted Tbn0 Gstatic Com Images Q Tbn And9gcqvil0maaotoc2v676cwqeu6fqzk45 Dokbrsa98rkvz7lqfffg Usqp Cau

Https Encrypted Tbn0 Gstatic Com Images Q Tbn And9gcrbr9rwiue7kznzotqnbnlvsc7voghbnymuzbfiptr21o2aed2c Usqp Cau

Https Encrypted Tbn0 Gstatic Com Images Q Tbn And9gcrbr9rwiue7kznzotqnbnlvsc7voghbnymuzbfiptr21o2aed2c Usqp Cau

Https Encrypted Tbn0 Gstatic Com Images Q Tbn And9gcrllgggu1lhpi6frt0rzklatmxqo72e6 27au8lmn Wmw8jzwbh Usqp Cau

Https Encrypted Tbn0 Gstatic Com Images Q Tbn And9gcrllgggu1lhpi6frt0rzklatmxqo72e6 27au8lmn Wmw8jzwbh Usqp Cau

Https Encrypted Tbn0 Gstatic Com Images Q Tbn And9gcrk92tph3x1ljnwb5iuceh1oxbbjr144m7s6gqrgie3dcqak9pg Usqp Cau

Https Encrypted Tbn0 Gstatic Com Images Q Tbn And9gcrk92tph3x1ljnwb5iuceh1oxbbjr144m7s6gqrgie3dcqak9pg Usqp Cau

Source : pinterest.com

Random Posts