2004 Honda Accord Parts Diagram

Diagrams Engine Parts Layouts Cb7tuner Forums Honda Accord Honda Accord Lx Engineering

Diagrams Engine Parts Layouts Cb7tuner Forums Honda Accord Honda Accord Lx Engineering

4 Honda Accord Ex Engine Diagram Di 2020

4 Honda Accord Ex Engine Diagram Di 2020

Honda Crv Engine Diagram Unlimited Wiring Diagram 2004 Honda Cr V Engine Diagram 2003 Honda Crv Engine Diagram 3 In 2020 Honda Crv Honda Honda Civic Engine

Honda Crv Engine Diagram Unlimited Wiring Diagram 2004 Honda Cr V Engine Diagram 2003 Honda Crv Engine Diagram 3 In 2020 Honda Crv Honda Honda Civic Engine

2001 Honda Civic Engine Diagram Car Engine Diagrams Honda Civic Engine Honda Civic Honda Civic Parts

2001 Honda Civic Engine Diagram Car Engine Diagrams Honda Civic Engine Honda Civic Honda Civic Parts

Honda Small Engine Parts Diagram Di 2020

Honda Small Engine Parts Diagram Di 2020

Awesome 2004 Honda Accord Radio Wiring Diagram In 2020 Garage Door Sensor Garage Door Spring Replacement Garage Doors

Awesome 2004 Honda Accord Radio Wiring Diagram In 2020 Garage Door Sensor Garage Door Spring Replacement Garage Doors

Awesome 2004 Honda Accord Radio Wiring Diagram In 2020 Garage Door Sensor Garage Door Spring Replacement Garage Doors

To make sure your vehicle stays in top shape check its parts for wear and damage at regular intervals and replace them in time.

2004 honda accord parts diagram. Whats people lookup in this blog. If you want to keep your accord running with the same reliability as it had the day you drove it home you must replace wearing parts with factory honda accord parts. 2004 honda accord 2 4l l4 parts rockauto.

Production vehicle years 2004. It is the all inclusive official full factory service repair instructions used for the honda accord. For years honda parts now has been your best source for genuine accord parts.

Download honda accord 2004 repair service manual. 2004 honda accord parts diagram is probably the pics we found on the internet from reputable resources. Honda accord 2003 2007 problems fuel economy photos 21210 ray 306 case transmission bernardi parts honda 19430 rca a51 genuine honda warmer atf honda accord 2004 4 4dr lx v6 ka kl parts lists and schematics 2004 honda accord 2 door ex v6 navigation kl 6mt engine mounts.

All the pages will let you print it all out in its entirety or just the specific pages youll need. Using oem factory accord parts does make a difference. Easy to use parts catalog.

Honda diagrams gota wiring honda accord 2004 4 4dr exl navi ka honda accord 2004 4 4dr lx v6 ka kl 2004 accord mounts v6honda accord 2004 4 4dr lx v6 ka kl parts s and schematicsdiagram honda accord manual transmission full version hd quality wiringtrack leens frzr 8924 cooling system diagram on 2004 honda read more. When you are in need of a reliable replacement part for your 2004 honda accord to restore it to factory like performance turn to carid s vast selection of premium quality products that includes everything you may need for routine maintenance and major repairs. 2004 honda accord transmission parts diagram.

Here is a picture gallery about 2004 honda accord parts diagram complete with the description of the image please find the image you need. Buying genuine parts for accord from us is risk free as all parts are expedited directly from honda dealers and covered by the manufacturer s warranty. 2004 honda accord body parts diagram susi susilawati foto october 27 2020 97 honda accord stereo wiring diagram 2004 honda accord 2 door ex v6 kl 5at 1991 honda accord timing belt parts faq honda accord timing belts and junkyard find 1980 honda accord sedan.

4 Honda Accord Ex Engine Diagram Di 2020

4 Honda Accord Ex Engine Diagram Di 2020

50 2005 Honda Pilot Parts Diagram Nl0c Di 2020 Honda Pilot Pilot Honda

50 2005 Honda Pilot Parts Diagram Nl0c Di 2020 Honda Pilot Pilot Honda

Pw7 Engine Diagram Adalah Pw7 Engine Diagram Adalah Pw50 Engine Diagram Adalah Delightful For You To My Own Weblog In This T Di 2020 Taurus Ford Diagram

Pw7 Engine Diagram Adalah Pw7 Engine Diagram Adalah Pw50 Engine Diagram Adalah Delightful For You To My Own Weblog In This T Di 2020 Taurus Ford Diagram

Pin Di Corolla Cars

Pin Di Corolla Cars

Honda Online Store 2004 S2000 Front Fenders Parts Fender Parts Honda Parts

Honda Online Store 2004 S2000 Front Fenders Parts Fender Parts Honda Parts

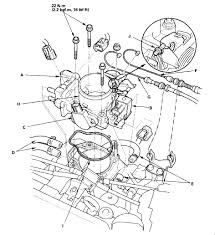
2005 Honda Civic Ex Throttle Body Diagram Honda Civic Ex Honda Civic Honda

2005 Honda Civic Ex Throttle Body Diagram Honda Civic Ex Honda Civic Honda

Honda Eu3000is A Generator Jpn Vin Ezgf 1000001 To Ezgf 1079999 Parts Diagram For Inverter Honda Parts Generation

Honda Eu3000is A Generator Jpn Vin Ezgf 1000001 To Ezgf 1079999 Parts Diagram For Inverter Honda Parts Generation

Pin On Motor Top

Pin On Motor Top

Https Dz310nzuyimx0 Cloudfront Net Strapr1 7441a18cbc0590f4b37f6d7d6bc3c289 202fc42bdca47bdaffa66de0d132ebc1 Gif In 2020 Diagram Car Parts Directions

Https Dz310nzuyimx0 Cloudfront Net Strapr1 7441a18cbc0590f4b37f6d7d6bc3c289 202fc42bdca47bdaffa66de0d132ebc1 Gif In 2020 Diagram Car Parts Directions

99 Civic Engine Diagram Di 2020 Honda Accord Honda Civic Honda

99 Civic Engine Diagram Di 2020 Honda Accord Honda Civic Honda

Car Air Conditioner Diagram Parts In 2020 Air Conditioner Diagram Ac Wiring

Car Air Conditioner Diagram Parts In 2020 Air Conditioner Diagram Ac Wiring

A C And Coolant Running Warm When Idle Cool When Driving Honda Element Cool Stuff Camping Trailer

A C And Coolant Running Warm When Idle Cool When Driving Honda Element Cool Stuff Camping Trailer

Hayter Harrier 48 485s001001 Spares Ordering Diagrams Diagram Spare Parts Day Trips From London

Hayter Harrier 48 485s001001 Spares Ordering Diagrams Diagram Spare Parts Day Trips From London

2004 Toyota Sienna Wagon 5 Door Ce Pillar Center Body Outer Left Trim Side Member 61312ae010 Toyota Parts Direct London In 2020 Toyota Wagon Toyota Sienna

2004 Toyota Sienna Wagon 5 Door Ce Pillar Center Body Outer Left Trim Side Member 61312ae010 Toyota Parts Direct London In 2020 Toyota Wagon Toyota Sienna

P1157 Honda Accord 2004 Honda Accord Honda Accord

P1157 Honda Accord 2004 Honda Accord Honda Accord

New Post Mitsubishi Outlander 2006 Body Repair Manual Has Been Published On Procarmanuals Com Https Procarmanua Mitsubishi Outlander Mitsubishi Outlander

New Post Mitsubishi Outlander 2006 Body Repair Manual Has Been Published On Procarmanuals Com Https Procarmanua Mitsubishi Outlander Mitsubishi Outlander

Toyota Corolla 2014 Genuine Weatherstrip Luggage Compartment Door Nze 170 Shop Online From Www Smmotors Org Toyota Corolla Online Auto Parts Store Corolla

Toyota Corolla 2014 Genuine Weatherstrip Luggage Compartment Door Nze 170 Shop Online From Www Smmotors Org Toyota Corolla Online Auto Parts Store Corolla

Related Image Honda Civic Civic Honda

Related Image Honda Civic Civic Honda

Https Encrypted Tbn0 Gstatic Com Images Q Tbn And9gcsk2w2a3zeknnm8kcnwhpdoc1dbuvqt8cc Rztylrcijqm Jiqh Usqp Cau

Https Encrypted Tbn0 Gstatic Com Images Q Tbn And9gcsk2w2a3zeknnm8kcnwhpdoc1dbuvqt8cc Rztylrcijqm Jiqh Usqp Cau

S5 Engine Bay Diagram Di 2020

S5 Engine Bay Diagram Di 2020

Woodward Governor Company S Control System Schematic For The General Electric F110 Series Jet Engine Schematic Drawing Turbojet Engine Jet Engine

Woodward Governor Company S Control System Schematic For The General Electric F110 Series Jet Engine Schematic Drawing Turbojet Engine Jet Engine

Diagram Of Parts Of An Engine In 2020 Powerstroke Ford Diesel Car Engine

Diagram Of Parts Of An Engine In 2020 Powerstroke Ford Diesel Car Engine

Yamaha Yfz 450 Parts Diagram Wiring With D Electrical 1 New Diagram Yamaha Wire

Yamaha Yfz 450 Parts Diagram Wiring With D Electrical 1 New Diagram Yamaha Wire

15 95 Honda Civic Engine Wiring Diagram Engine Diagram Wiringg Net In 2020 Electrical Wiring Diagram Repair Guide Honda Civic

15 95 Honda Civic Engine Wiring Diagram Engine Diagram Wiringg Net In 2020 Electrical Wiring Diagram Repair Guide Honda Civic

Source : pinterest.com