Toyota Tundra Jbl Amplifier Wiring Diagram

Toyota Jbl Amplifier Wiring Diagram Bookingritzcarlton Info Electronics Projects For Beginners Jbl Diagram Design

Toyota Jbl Amplifier Wiring Diagram Bookingritzcarlton Info Electronics Projects For Beginners Jbl Diagram Design

Toyota Jbl Amplifier Wiring Diagram Bookingritzcarlton Info Ford Expedition Electrical Wiring Diagram Electrical Diagram

Toyota Jbl Amplifier Wiring Diagram Bookingritzcarlton Info Ford Expedition Electrical Wiring Diagram Electrical Diagram

Toyota Jbl Amplifier Wiring Diagram Bookingritzcarlton Info In 2020 Trailer Wiring Diagram Electrical Wiring Diagram Diagram

Toyota Jbl Amplifier Wiring Diagram Bookingritzcarlton Info In 2020 Trailer Wiring Diagram Electrical Wiring Diagram Diagram

Toyota Jbl Amplifier Wiring Diagram Bookingritzcarlton Info Toyota Diagram Wire

Toyota Jbl Amplifier Wiring Diagram Bookingritzcarlton Info Toyota Diagram Wire

Toyota Jbl Amplifier Wiring Diagram Bookingritzcarlton Info Toyota Amplifier Jbl

Toyota Jbl Amplifier Wiring Diagram Bookingritzcarlton Info Toyota Amplifier Jbl

Toyota Jbl Amplifier Wiring Diagram Bookingritzcarlton Info Diagram Design Toyota Diagram

Toyota Jbl Amplifier Wiring Diagram Bookingritzcarlton Info Diagram Design Toyota Diagram

Toyota Jbl Amplifier Wiring Diagram Bookingritzcarlton Info Diagram Design Toyota Diagram

Describe the meaning of the s d in diagram component t.

Toyota tundra jbl amplifier wiring diagram. I did one at work yesterday in about an hour. Guys toyota tundra jbl wiring repair and audio system re makeover image dynamics sq1 system. 2002 toyota camry jbl stereo wiring diagram 02 fuse box power window full size of 02 toyota camry fuse box diagram 2002 ac location wiring exhaust schematic diagrams.

With this kind of an illustrative manual you are going to have the ability to troubleshoot prevent and full your tasks with ease. Toyota w53901 matsushita. Toyota w53811 cq ms0570lc aygo.

Toyota p7809 pioneer fh m8527zt. Describe the meaning of the c13 in the diagram component q. Then the amp runs to the head unit.

Any decent aftermarket stereo is going to have a comparable power output to the jbl system. All that is needed is some 9 wire and a standard toyota radio harness metra pn 701761 the amplifier is on the driver side of the back cab wall. The speakers are wired to the amp.

Looking for a wiring diagram for a 2006 toyota tundra with 6 disk indash cd changer and jbl amplifier. Guy lives in a town a bit north of san antonio. Describe the meaning of the g w in diagram component r.

He paid a local audio shop to upgrade the audio in his 2016 toyota tundra crewmax 1794 edition. Wiring past the amplifier in that truck really isn t that tough. Installation summary history.

Pin On Wiring Diagrams

Pin On Wiring Diagrams

Unique Auto Wiring Repair Diagram Wiringdiagram Diagramming Diagramm Visuals Visualisation Graphical Electrical Wiring Diagram Car Stereo Diagram

Unique Auto Wiring Repair Diagram Wiringdiagram Diagramming Diagramm Visuals Visualisation Graphical Electrical Wiring Diagram Car Stereo Diagram

Trailer Wiring Diagram 7 Wire Circuit Truck To Trailer Trailer Wiring Diagram Trailer Plans Trailer

Trailer Wiring Diagram 7 Wire Circuit Truck To Trailer Trailer Wiring Diagram Trailer Plans Trailer

Rightnow Fatal Error Car Audio Diy Car Audio Sequoia

Rightnow Fatal Error Car Audio Diy Car Audio Sequoia

E36 Amplifier Wiring Diagram Trailer Wiring Diagram Bmw E46 Diagram

E36 Amplifier Wiring Diagram Trailer Wiring Diagram Bmw E46 Diagram

Kamar Dinding Bertema Kartun Chil97 Tips Trik In 2020 Chevy Impala Chevy Silverado Truck Stereo

Kamar Dinding Bertema Kartun Chil97 Tips Trik In 2020 Chevy Impala Chevy Silverado Truck Stereo

Pin On Wire

Pin On Wire

2001 Toyota Camry Wiring Diagram New Vdj79 In Radio Britishpanto Datas

2001 Toyota Camry Wiring Diagram New Vdj79 In Radio Britishpanto Datas

Amplifier Wiring Diagrams Car Amplifier Powered Subwoofer Car Audio Systems

Amplifier Wiring Diagrams Car Amplifier Powered Subwoofer Car Audio Systems

440 Volt Wiring Diagram In 2020 Schaltplan Ford Ranger Toyota Corolla

440 Volt Wiring Diagram In 2020 Schaltplan Ford Ranger Toyota Corolla

New Bmw E46 M43 Wiring Diagram Diagram Diagramtemplate Diagramsample Mazda Pioneer Stereo

New Bmw E46 M43 Wiring Diagram Diagram Diagramtemplate Diagramsample Mazda Pioneer Stereo

New Dual Battery Wiring Diagram Car Audio Sistema De Audio Jeep Grand Cherokee Coches Mercedes Benz

New Dual Battery Wiring Diagram Car Audio Sistema De Audio Jeep Grand Cherokee Coches Mercedes Benz

Wiring Diagram Cars Trucks Wiring Diagram Cars Trucks Truck Horn Wiring Wiring Diagrams Trailer Wiring Diagram Diagram Car Stereo

Wiring Diagram Cars Trucks Wiring Diagram Cars Trucks Truck Horn Wiring Wiring Diagrams Trailer Wiring Diagram Diagram Car Stereo

New Post Pdf Online Toyota Corolla 2009 2010 Electrical Wiring Diagrams Has Been Published On Procarm Electrical Wiring Diagram Toyota Corolla Corolla 2009

New Post Pdf Online Toyota Corolla 2009 2010 Electrical Wiring Diagrams Has Been Published On Procarm Electrical Wiring Diagram Toyota Corolla Corolla 2009

Pin By Rahila Zahira On Plumbing In 2020 Diagram Design Circuit Diagram Amplifier

Pin By Rahila Zahira On Plumbing In 2020 Diagram Design Circuit Diagram Amplifier

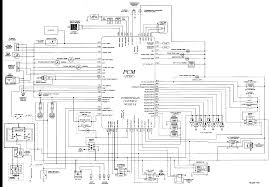
Dodge Ram 1500 Wiring Diagram Dodge Ram 1500 Dodge Ram Ram 1500

Dodge Ram 1500 Wiring Diagram Dodge Ram 1500 Dodge Ram Ram 1500

Power Supply Panosundaki Pin

Power Supply Panosundaki Pin

Ecu Chips Relays Resistors Sensors Motors Test Platform Cable Automotive Ecu Solutions In 2020 Electrical Wiring Diagram Ecu Messages

Ecu Chips Relays Resistors Sensors Motors Test Platform Cable Automotive Ecu Solutions In 2020 Electrical Wiring Diagram Ecu Messages

3

3

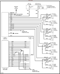
2005 Chevy Trailblazer Radio Wiring Diagram Di 2020

2005 Chevy Trailblazer Radio Wiring Diagram Di 2020

Jbl Basspro Sl 8 Compact Powered Under Seat Subwoofer Enclosure At Crutchfield Subwoofer Enclosure Car Stereo Systems Subwoofer

Jbl Basspro Sl 8 Compact Powered Under Seat Subwoofer Enclosure At Crutchfield Subwoofer Enclosure Car Stereo Systems Subwoofer

Pin On Subwoofer Wiring Diagram

Pin On Subwoofer Wiring Diagram

Elegant Wiring Diagram For Fan Light Switch Diagrams Digramssample Diagramimages Check More Ceiling Fan Pulls Ceiling Fan With Light Ceiling Fan Pull Chain

Elegant Wiring Diagram For Fan Light Switch Diagrams Digramssample Diagramimages Check More Ceiling Fan Pulls Ceiling Fan With Light Ceiling Fan Pull Chain

Yinuo Touch Screen Car Stereo For Toyota Tundra Sequoia 8 Inch 800 480 Hd In Dash Gps Navigation A V Recei Touch Screen Car Stereo Toyota Tundra Gps Navigation

Yinuo Touch Screen Car Stereo For Toyota Tundra Sequoia 8 Inch 800 480 Hd In Dash Gps Navigation A V Recei Touch Screen Car Stereo Toyota Tundra Gps Navigation

Source : pinterest.com