Two Speed Motor Starter

2 Speeds 1 Direction 3 Phase Motor Power And Control Diagrams Electrical Circuit Diagram Basic Electrical Wiring Circuit Diagram

2 Speeds 1 Direction 3 Phase Motor Power And Control Diagrams Electrical Circuit Diagram Basic Electrical Wiring Circuit Diagram

2 Speeds 2 Directions Multispeed 3 Phase Motor Power Diagram Electrical Circuit Diagram Power Directions

2 Speeds 2 Directions Multispeed 3 Phase Motor Power Diagram Electrical Circuit Diagram Power Directions

Two Speeds Two Directions Multispeed 3 Phase Motor Power Control Diagrams Electrical Circuit Diagram Electrical Diagram Technology

Two Speeds Two Directions Multispeed 3 Phase Motor Power Control Diagrams Electrical Circuit Diagram Electrical Diagram Technology

2 Speeds 1 Direction 3 Phase Motor Power And Control Diagrams Electrical Circuit Diagram Circuit Diagram Electrical Wiring Colours

2 Speeds 1 Direction 3 Phase Motor Power And Control Diagrams Electrical Circuit Diagram Circuit Diagram Electrical Wiring Colours

Pin On Electrical Technology

Pin On Electrical Technology

Two Speeds Two Directions Multispeed 3 Phase Motor Power Control Diagrams Electrical Circuit Diagram Electrical Diagram Circuit Diagram

Two Speeds Two Directions Multispeed 3 Phase Motor Power Control Diagrams Electrical Circuit Diagram Electrical Diagram Circuit Diagram

Two Speeds Two Directions Multispeed 3 Phase Motor Power Control Diagrams Electrical Circuit Diagram Electrical Diagram Circuit Diagram

Motor control circuits gt.

Two speed motor starter. There are two types 2 speed 2 winding 2s2w which is almost like having two separate motors or 2 speed 1 winding 2s1w where there is one set of windings that are reconfigured externally with a set of 3 contactors. A typical control circuit for a two speed motor is shown in figure 7 16. Each winding can deliver the motor s horsepower at a rated speed.

There are two electrically separate windings housed in the motor. 2s1w motors then come in 3 types depending on the speed ratio you want and or the torque differences. Two separate winding motor has many desired different polarities which offers the possibility of different speed ratios.

With the dahlander winding it is only possible to reach a pole number ratio of for example 2 4 4 8 or 6 12. Class 30 two speed motor starters one winding two winding constant horsepower ambient compensated bimetal overload relay non combination type without enclosure ul listed file e14900 csa certified file lr6535 s coil table one winding consequent pole 3 phase constant hp page 1 5. Two separate winding and dahlander winding.

Two speed motor starter connection and working function animation. Current transformers used with size 1 overload relay blocks. Here is a picture gallery about two speed starter wiring diagram complete with the description of the image please find the image you need.

Kindly email me the diagrams for star deltor and direct online for a 3speed 1directon 3ph motor have two of them in a bow cutter. Please help how to go about this. You ve never heard of 2 speed motors.

Siemens industry catalog low voltage controls and distribution nema general purpose controls nema control two speed starters class 30. Two speed electric motors are usually divided into two main groups. One contactor burnt for high speed and a replced contactor does not engange originally the coils re fed with a nutural and the one i replaced is only working with a phase.

Pin On Electric

Pin On Electric

Pin On My Saves

Pin On My Saves

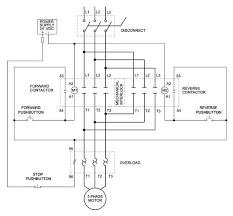
Forward And Reverse Motor Starter Wiring Diagram Elec Eng World Electrical Circuit Diagram Circuit Diagram Electrical Diagram

Forward And Reverse Motor Starter Wiring Diagram Elec Eng World Electrical Circuit Diagram Circuit Diagram Electrical Diagram

Three Phase Motor Connection Star Delta Y D Reverse Forward With Timer Power Control Diagram Electrical Diagram Electrical Projects Diagram

Three Phase Motor Connection Star Delta Y D Reverse Forward With Timer Power Control Diagram Electrical Diagram Electrical Projects Diagram

Multi Speed 3 Phase Motor 3 Speeds 1 Direction Power Control Diagrams Electrical Technology Electrical Circuit Diagram Electricity Electrical Projects

Multi Speed 3 Phase Motor 3 Speeds 1 Direction Power Control Diagrams Electrical Technology Electrical Circuit Diagram Electricity Electrical Projects

The Different Starters Used For Starting Three Phase Motors Are As Follows 1 Direct On L In 2020 Electrical Circuit Diagram Circuit Diagram Basic Electrical Wiring

The Different Starters Used For Starting Three Phase Motors Are As Follows 1 Direct On L In 2020 Electrical Circuit Diagram Circuit Diagram Basic Electrical Wiring

What Type Of Starters Used For Three Phase Induction Motors In 2020 Electrical Circuit Diagram Circuit Diagram Basic Electrical Wiring

What Type Of Starters Used For Three Phase Induction Motors In 2020 Electrical Circuit Diagram Circuit Diagram Basic Electrical Wiring

Pinterest

Pinterest

Three Phase Motor Connection Star Delta Y D Reverse Forward With Timer Power Control Diagram Electrical Technology Electrical Circuit Diagram Circuit Diagram Diagram

Three Phase Motor Connection Star Delta Y D Reverse Forward With Timer Power Control Diagram Electrical Technology Electrical Circuit Diagram Circuit Diagram Diagram

Star Delta Starter Motor Starting Method Power Control Wiring Electrical Circuit Diagram Electricity Delta Connection

Star Delta Starter Motor Starting Method Power Control Wiring Electrical Circuit Diagram Electricity Delta Connection

Star Delta Starter Y D Starter Power Control Wiring Diagram Circuit Diagram Electrical Circuit Diagram Delta Connection

Star Delta Starter Y D Starter Power Control Wiring Diagram Circuit Diagram Electrical Circuit Diagram Delta Connection

Three Phase Motor Connection Star Delta Y D Reverse Forward With Timer Power Control Diagram Electrical Circuit Diagram Circuit Diagram Diagram

Three Phase Motor Connection Star Delta Y D Reverse Forward With Timer Power Control Diagram Electrical Circuit Diagram Circuit Diagram Diagram

Multi Speed 3 Phase Motor 3 Speeds 1 Direction Power Control Diagrams Electrical Circuit Diagram Electrical Projects Power Supply Design

Multi Speed 3 Phase Motor 3 Speeds 1 Direction Power Control Diagrams Electrical Circuit Diagram Electrical Projects Power Supply Design

Starting Stopping Of 3 Phase Motor From More Than One Electrical Circuit Diagram Electrical Projects Power Supply Design

Starting Stopping Of 3 Phase Motor From More Than One Electrical Circuit Diagram Electrical Projects Power Supply Design

Rev For Three Phase Motor Connection Power And Control Diagrams Electrical Circuit Diagram Electrical Projects Electrical Wiring Diagram

Rev For Three Phase Motor Connection Power And Control Diagrams Electrical Circuit Diagram Electrical Projects Electrical Wiring Diagram

Starting Capacitor Wiring Diagram With Single Phase Motor Start At Electrical Circuit Diagram Circuit Diagram Capacitors

Starting Capacitor Wiring Diagram With Single Phase Motor Start At Electrical Circuit Diagram Circuit Diagram Capacitors

Control 3 Phase Motor From More Than Two Buttons Electrical Circuit Diagram Electrical Projects Math Morning Work

Control 3 Phase Motor From More Than Two Buttons Electrical Circuit Diagram Electrical Projects Math Morning Work

Pin On Electrical

Pin On Electrical

3

3

Pin On Electrical Technology

Pin On Electrical Technology

Full Voltage Reversing 3 Phase Motor Diagram Electrical Circuit Diagram Circuit Diagram Electronic Engineering

Full Voltage Reversing 3 Phase Motor Diagram Electrical Circuit Diagram Circuit Diagram Electronic Engineering

Dol Direct Online Starters Most Economic Way To Start Your Motors Directions Electrical Diagram Dol

Dol Direct Online Starters Most Economic Way To Start Your Motors Directions Electrical Diagram Dol

Autotransformer Starter Wiring Diagram Free Download Arresting Diagram Auto Transformer Free

Autotransformer Starter Wiring Diagram Free Download Arresting Diagram Auto Transformer Free

Three Phase Dol Starter Wiring Diagram Component Single Motor Circuit Contactor Starte Full Size Cont Comandos Eletricos Projetos Eletricos Eletricidade Basica

Three Phase Dol Starter Wiring Diagram Component Single Motor Circuit Contactor Starte Full Size Cont Comandos Eletricos Projetos Eletricos Eletricidade Basica

Source : pinterest.com

Random Posts