Weg Single Phase Motor Wiring Diagram With Capacitor

Two Value Capacitor Single Phase Motor Electric Motor Electrical Circuit Diagram Capacitors

Two Value Capacitor Single Phase Motor Electric Motor Electrical Circuit Diagram Capacitors

Motor Wiring Diagram Single Phase New In 2020 Electrical Wiring Diagram Air Compressor Pressure Switch Circuit Diagram

Motor Wiring Diagram Single Phase New In 2020 Electrical Wiring Diagram Air Compressor Pressure Switch Circuit Diagram

10 Hp Motor Wiring Diagram For Capacitor Diagram Source In 2020 Electrical Circuit Diagram Circuit Diagram Capacitors

10 Hp Motor Wiring Diagram For Capacitor Diagram Source In 2020 Electrical Circuit Diagram Circuit Diagram Capacitors

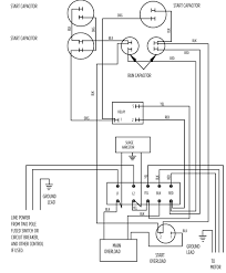
Pin On Electrical

Pin On Electrical

Diagram Weg Single Phase Motor Wiring Diagram Full Version Hd Quality Wiring Diagram Seoschematic Ilovemi It

Diagram Weg Single Phase Motor Wiring Diagram Full Version Hd Quality Wiring Diagram Seoschematic Ilovemi It

Diagram Weg Capacitor Wiring Diagram Full Version Hd Quality Wiring Diagram Antdiagram9 Tuttocesenaweb It

Diagram Weg Capacitor Wiring Diagram Full Version Hd Quality Wiring Diagram Antdiagram9 Tuttocesenaweb It

Diagram Weg Capacitor Wiring Diagram Full Version Hd Quality Wiring Diagram Antdiagram9 Tuttocesenaweb It

Select at least one list to add to your products.

Weg single phase motor wiring diagram with capacitor. Occasionally the wires will cross. According to earlier the lines in a single phase motor wiring diagram with capacitor represents wires. Capacitor start capacitor run induction motors are single phase induction motors that have a capacitor in the start winding and in the run winding as shown in figure 12 and 13 wiring diagram.

Wiring diagram will come with numerous easy to follow wiring diagram directions. These tips can be used on most ele. Diagram weg single phase motor wiring full version hd quality ipdiagram gruppoguerrinidal1958 it baldor with capacitor databaseomi fesn2019 in pictures database 220 110 airpressor just or read axel scheffler karnaugh map onyxum com maytag diagrams searchengine0 lafermedesaltel fr motors products start run mckevittmotors neolinefrance 5hp for electric schematicast douroapartments split hecho.

With this sort of an illustrative guide you ll be able to troubleshoot stop and complete your tasks without difficulty. In this video jamie shows you how to read a wiring diagram and the basics of hooking up an electric air compressor motor. Single phase motor wiring diagram with capacitor november 20 2018 april 12 2020 wiring diagram by anna r.

It is intended to help all the typical user in building a correct program. Also read about the speed torque characteristics of these motors along with its different types. Injunction of two wires is usually indicated by black dot in the intersection of two lines.

These instructions will probably be easy to comprehend and implement. Double shielded ball bearings. 240 vac motor wiring wiring diagrams hubs single phase motor wiring diagram with capacitor.

Wondering how a capacitor can be used to start a single phase motor. Learn how a capacitor start induction run motor is capable of producing twice as much torque of a split phase motor. However it does not imply link between the cables.

Diagram 4 Lead Motor Capacitor Wiring Diagram Full Version Hd Quality Wiring Diagram Blogdiagram1d Tuttocesenaweb It

Diagram 4 Lead Motor Capacitor Wiring Diagram Full Version Hd Quality Wiring Diagram Blogdiagram1d Tuttocesenaweb It

Pin On Diy Disc Sander

Pin On Diy Disc Sander

Diagram Wiring Diagram Weg Motor Full Version Hd Quality Weg Motor Pvdiagramdouglasv Alfieriinforma It

Diagram Wiring Diagram Weg Motor Full Version Hd Quality Weg Motor Pvdiagramdouglasv Alfieriinforma It

105 2b Gif 300 288 Motor Connection Car Drawing Easy

105 2b Gif 300 288 Motor Connection Car Drawing Easy

Air Compressor Capacitor Wiring Diagram Before You Call A Ac Repair Man Visit My Blog For Some Capacitors Electrical Wiring Diagram Electrical Circuit Diagram

Air Compressor Capacitor Wiring Diagram Before You Call A Ac Repair Man Visit My Blog For Some Capacitors Electrical Wiring Diagram Electrical Circuit Diagram

How To Reverse A 240 Single Phase 7 5 Hp Motor Electrical Engineering Stack Exchange

How To Reverse A 240 Single Phase 7 5 Hp Motor Electrical Engineering Stack Exchange

Pin On Pressure Pump

Pin On Pressure Pump

Guide To Specification Of Electric Motors Eep Electric Motor Electricity Motor

Guide To Specification Of Electric Motors Eep Electric Motor Electricity Motor

Pin Em Ventiladores

Pin Em Ventiladores

Typical Failures In Three Phase Stator Windings Www Easa Com Tesla Electricity Electric Car

Typical Failures In Three Phase Stator Windings Www Easa Com Tesla Electricity Electric Car

Electric Motor Rebuild Electrica Electronica

Electric Motor Rebuild Electrica Electronica

Transformer Temperature Monitoring In 2020 Dry Type Transformer Fibre Optics Transformers

Transformer Temperature Monitoring In 2020 Dry Type Transformer Fibre Optics Transformers

Super Joule Thief 1 5 To 12v Led Light Joule Thief 12v Led Lights 12v Led

Super Joule Thief 1 5 To 12v Led Light Joule Thief 12v Led Lights 12v Led

Coparoman Control Para Un Motor Monofasico De Dos Velocidades Imagenes De Electricidad Curso De Electricidad Industrial Electricidad Y Electronica

Coparoman Control Para Un Motor Monofasico De Dos Velocidades Imagenes De Electricidad Curso De Electricidad Industrial Electricidad Y Electronica

Coparoman Color De Terminales Del Motor Monofasico De Fase Partida Motores Curso De Electricidad Motor Electrico

Coparoman Color De Terminales Del Motor Monofasico De Fase Partida Motores Curso De Electricidad Motor Electrico

Resultado De Imagem Para Ligacao De Motores Eletricos Trifasicos Weg Diagram Floor Plans

Resultado De Imagem Para Ligacao De Motores Eletricos Trifasicos Weg Diagram Floor Plans

Guide To Specification Of Electric Motors Eep Electric Motor Electricity Motor

Guide To Specification Of Electric Motors Eep Electric Motor Electricity Motor

Solucionado Como Instalar Un Motor Trifasico De 5 Caballos Electricidad Industrial Electrical Circuit Diagram Electrical Wiring Colours Electrical Projects

Solucionado Como Instalar Un Motor Trifasico De 5 Caballos Electricidad Industrial Electrical Circuit Diagram Electrical Wiring Colours Electrical Projects

Https Encrypted Tbn0 Gstatic Com Images Q Tbn And9gctrthclzzqovltpt Z3xmfcfhsomc Djbxni172pn0rprmvzh0c Usqp Cau

Https Encrypted Tbn0 Gstatic Com Images Q Tbn And9gctrthclzzqovltpt Z3xmfcfhsomc Djbxni172pn0rprmvzh0c Usqp Cau

Treadmill Motor Speed Control For A Lathe Motor Speed Speed Wood Lathe

Treadmill Motor Speed Control For A Lathe Motor Speed Speed Wood Lathe

Pin On Power Station

Pin On Power Station

Tesla S 3 Phase 4 Pole Ac Induction Motor Why Nikola Tesla S 19th Century Induction Motor Is The Ideal Choice For The 21st Cen Tesla Electricity Electric Car

Tesla S 3 Phase 4 Pole Ac Induction Motor Why Nikola Tesla S 19th Century Induction Motor Is The Ideal Choice For The 21st Cen Tesla Electricity Electric Car

Solucionado Como Instalar Un Motor Trifasico De 5 Caballos Electricidad Industrial Electrical Circuit Diagram Electrical Wiring Colours Electrical Projects

Solucionado Como Instalar Un Motor Trifasico De 5 Caballos Electricidad Industrial Electrical Circuit Diagram Electrical Wiring Colours Electrical Projects

Como Comprobar Condensador Capacitor De Aire Acondicionado Turbina Interior Youtube Motor De Lavadora Material Electrico Electricidad Y Electronica

Como Comprobar Condensador Capacitor De Aire Acondicionado Turbina Interior Youtube Motor De Lavadora Material Electrico Electricidad Y Electronica

Source : pinterest.com