Septic Tank Float Switch Installation

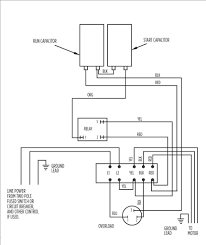
Septic Pump Float Switch Wiring Diagram Tank Fresh Amazing Gallery The Best Electrical Circuit 7 Septic Tank Float Electrical Installation

Septic Pump Float Switch Wiring Diagram Tank Fresh Amazing Gallery The Best Electrical Circuit 7 Septic Tank Float Electrical Installation

Septic Tank Float Switch Installation 51 With Level Wiring Diagram 1024x919 On Pump 10 Float Switch Septic Tank

Septic Tank Float Switch Installation 51 With Level Wiring Diagram 1024x919 On Pump 10 Float Switch Septic Tank

Float Switch Wiring Schematic Diagram Lovely Septic Tank Pump 0 3 Way Switch Wiring Jet Pump Diagram

Float Switch Wiring Schematic Diagram Lovely Septic Tank Pump 0 3 Way Switch Wiring Jet Pump Diagram

Pump Float Switch Wiring Diagram With Blueprint Images Diagrams Septic Tank 4 Septic Tank Trailer Wiring Diagram Lincoln Town Car

Pump Float Switch Wiring Diagram With Blueprint Images Diagrams Septic Tank 4 Septic Tank Trailer Wiring Diagram Lincoln Town Car

Pump Float Switch Wiring Diagram With Schematic On Level B2networkco For Dual Septic Tank 6 9 Well Pump Pressure Switch Submersible Pump Well Pump

Pump Float Switch Wiring Diagram With Schematic On Level B2networkco For Dual Septic Tank 6 9 Well Pump Pressure Switch Submersible Pump Well Pump

Water Well Pump Control Box Septic Wiring Diagram Submersible Wire With Tank Float Switch 8 Well Pump Submersible Well Pump Low Water Pressure

Water Well Pump Control Box Septic Wiring Diagram Submersible Wire With Tank Float Switch 8 Well Pump Submersible Well Pump Low Water Pressure

Water Well Pump Control Box Septic Wiring Diagram Submersible Wire With Tank Float Switch 8 Well Pump Submersible Well Pump Low Water Pressure

A two wire single pole single throw float switch the rising action of the float can either close i e turn on a normally open circuit or it can open turn off a normally closed circuit installation scenarios might include a normally open float switch turning on a pump to empty a tank control schematic 2 or a normally closed.

Septic tank float switch installation. Let s start with the most basic float switch. Septic tank float switch wiring diagram septic tank 3 float switch wiring diagram septic tank float switch wiring diagram every electrical arrangement is made up of various diverse components. Float switches are tethered to the pump by their wires.

Septic system installers install the alarm float switch to the inside of the septic tank. A wiring diagram is an easy visual representation of the physical connections and physical layout associated with an electrical system or circuit. The information below refers to v pumps and wiring.

There is a mounting bracket available for the kari float switch that uses a snug wedge to fix the cable into place. This bracket can be attached to a wall or a rail using a simple bolt or screw. Wherever you place the on switch the alarm.

Float switches turn on and off in relation to their angle. Septic pump float switch wiring diagram what is a wiring diagram. As the liquid level rises the float switch rises in the tank.

Mount the float switch. The float switch moves with the water level in the tank and this determines when the pump turns on please note. Wiring diagram for float switch fresh septic tank float switch architectural wiring layouts reveal the approximate locations as well as affiliations of receptacles lights and long term electric services in a building.

Pump products is back with another how to guide. The wiring of the float switch to the alarm circuit remains the homeowner s. In this video our expert nick will walk you through the basics of attaching a vertical float and piggyback.

Pin On Services Plumbing

Pin On Services Plumbing

Single Ball Float Switch Wiring Diagram Bosch Dishwasher Water And Remarkable Septic Tank 11 Well Pump Pressure Switch Submersible Well Pump Well Pump

Single Ball Float Switch Wiring Diagram Bosch Dishwasher Water And Remarkable Septic Tank 11 Well Pump Pressure Switch Submersible Well Pump Well Pump

Unique Wiring Diagram For Jet Pump Diagram Diagramtemplate Diagramsample

Unique Wiring Diagram For Jet Pump Diagram Diagramtemplate Diagramsample

Pin On Floating

Pin On Floating

Septic Pump Float Switch Wiring Diagram Tank Fresh Amazing Gallery The Best Electrical Circuit 7 Electrical Installation Septic Tank Float

Septic Pump Float Switch Wiring Diagram Tank Fresh Amazing Gallery The Best Electrical Circuit 7 Electrical Installation Septic Tank Float

Septic Tank Float Switch Wiring Diagram Stylesync Me Picturesque 9 6 Septic Tank Electrical Installation Picturesque

Septic Tank Float Switch Wiring Diagram Stylesync Me Picturesque 9 6 Septic Tank Electrical Installation Picturesque

Us06462666 20021008 D00000 And Septic Pump Wiring Diagram On Tank Float Switch 5 Outlet Wiring Electrical Outlets Diagram

Us06462666 20021008 D00000 And Septic Pump Wiring Diagram On Tank Float Switch 5 Outlet Wiring Electrical Outlets Diagram

Float Switch Wiring Diagram For Water Pump Youtube In 2020 Water Pumps Float Switch

Float Switch Wiring Diagram For Water Pump Youtube In 2020 Water Pumps Float Switch

Float Switch Wiring Installation For Water Tank

Float Switch Wiring Installation For Water Tank

Pin On Construction Septic

Pin On Construction Septic

Simple 3 Way Switch Wiring Diagram 3 Way Switch Wiring Jet Pump Diagram

Simple 3 Way Switch Wiring Diagram 3 Way Switch Wiring Jet Pump Diagram

Is A Miniature Water Filtration Device That Is Installed Underground And Filters Th Rainwater Harvesting Rain Water Collection System Rain Water Collection Diy

Is A Miniature Water Filtration Device That Is Installed Underground And Filters Th Rainwater Harvesting Rain Water Collection System Rain Water Collection Diy

2359 Wire Lead Float Switches For Sump Pumps Septic Tanks Water Tanks Sump Pump Water Tank Sump

2359 Wire Lead Float Switches For Sump Pumps Septic Tanks Water Tanks Sump Pump Water Tank Sump

Benefits Of Submersible Sump Pump Sump Pump Sump Submersible Sump Pump

Benefits Of Submersible Sump Pump Sump Pump Sump Submersible Sump Pump

How The Saniflo Macerating Pump Works Floating House Basement Design Pumps

How The Saniflo Macerating Pump Works Floating House Basement Design Pumps

Unique Car Ac Wiring Diagram Diagram Wiringdiagram Diagramming Diagramm Visuals Visualisation Graphical Diagram Volkswagen Electrical Wiring Diagram

Unique Car Ac Wiring Diagram Diagram Wiringdiagram Diagramming Diagramm Visuals Visualisation Graphical Diagram Volkswagen Electrical Wiring Diagram

How To Switch Form Wall Toilet To Floor Toilet Plumbing Toilet The Toilet Repair Services Potomac Md Plumbing Installation Plumbing Repair Diy Plumbing

How To Switch Form Wall Toilet To Floor Toilet Plumbing Toilet The Toilet Repair Services Potomac Md Plumbing Installation Plumbing Repair Diy Plumbing

How Well Water Pump And Pressure Systems Work Clean Water Store Water Storage Tanks Water Well Water Storage

How Well Water Pump And Pressure Systems Work Clean Water Store Water Storage Tanks Water Well Water Storage

Https Encrypted Tbn0 Gstatic Com Images Q Tbn And9gctg4e5duv52v8tktfyf Y4uvoa5zdx Lcxl5cbf1i9obyy9ghvh Usqp Cau

Https Encrypted Tbn0 Gstatic Com Images Q Tbn And9gctg4e5duv52v8tktfyf Y4uvoa5zdx Lcxl5cbf1i9obyy9ghvh Usqp Cau

403 Forbidden Diagram Wire Ignite

403 Forbidden Diagram Wire Ignite

This Water Level Controller Circuit Controls The Level Of Water In A Tank Unlike Mechanical Controls Using A Fl Circuit Electronics Basics Electronics Circuit

This Water Level Controller Circuit Controls The Level Of Water In A Tank Unlike Mechanical Controls Using A Fl Circuit Electronics Basics Electronics Circuit

The Need To Value Every Drop Rain Water Collection Rain Water Collection System Rain Water Collection Diy

The Need To Value Every Drop Rain Water Collection Rain Water Collection System Rain Water Collection Diy

Aerobic Multi Tank Septic System This Is The One That Charles Has Septic Tank Systems Septic Tank Design Diy Septic System

Aerobic Multi Tank Septic System This Is The One That Charles Has Septic Tank Systems Septic Tank Design Diy Septic System

2359 Wire Lead Float Switches For Sump Pumps Septic Tanks Water Tanks Motion Sensor Lights Outdoor Sump Pump Water Tank

2359 Wire Lead Float Switches For Sump Pumps Septic Tanks Water Tanks Motion Sensor Lights Outdoor Sump Pump Water Tank

Source : pinterest.com