1972 Vw Beetle Voltage Regulator Wiring Diagram

Bildresultat For Bosch Regulator Hd Wiring Diagram Alternator Car Alternator Automotive Repair

Bildresultat For Bosch Regulator Hd Wiring Diagram Alternator Car Alternator Automotive Repair

Generator Wiring Fusca Eletrico Carro Fusca Fusca

Generator Wiring Fusca Eletrico Carro Fusca Fusca

Pin On Sand Rail

Pin On Sand Rail

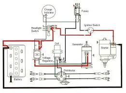
Wiring A Bosch Voltage Regulator If You Have A Bosch Regulator These Are The Designations Voltage Regulator Electric Trike Electricity

Wiring A Bosch Voltage Regulator If You Have A Bosch Regulator These Are The Designations Voltage Regulator Electric Trike Electricity

Pioneer Avh 4000nex Wiring Diagram In 2020 Schaltplan Buick Dodge

Pioneer Avh 4000nex Wiring Diagram In 2020 Schaltplan Buick Dodge

View Topic Wiring Help Watson Kit Alternator Vw Parts Diagram

View Topic Wiring Help Watson Kit Alternator Vw Parts Diagram

View Topic Wiring Help Watson Kit Alternator Vw Parts Diagram

1968 69 vw beetle wiring diagram 1970 vw beetle wiring diagram 1971 vw beetle wiring diagram 1972 vw beetle wiring diagram contact us.

1972 vw beetle voltage regulator wiring diagram. Vw beetle voltage regulator wiring diagram. Diagram vw beetle generator wiring full version hd quality atvdiagram57s accademia archi it 1972 alternator appdiagrams4s soluzionevacanza ford voltage regulator neckdiagram alternanzagiusta thesamba com late model super 1968 up view topic pipediagram18 manuals warning light mymanualguide parcodeiprincipiricevimenti 1970 uticawiring6 gruaringomme wrg 7488 diagram vw beetle generator wiring. 1972 vw beetle voltage regulator wiring diagram.

These utilise a build in regulator instead of the original 12v regulator remember when you remove the regulator located under the left rear passenger seat in most models you simply connect the two main power wires normally thick red wires together and the other two together typically one will be blue and quite thin this is the alternator generator signal wire. Vw beetle wiring diagrams. Vw beetle generator wiring diagram.

1338 rocky point dr. A battery b starter motor c generator c1 regulator d ignition starter switch e. Kenmore elite washer model 110.

Vw 1500 sedan and convertible wiring key. I took my old one off and now it will not start it did start before i did this can you e mail a simple diagram all i see is probally 2 big hots 1. Vw generator to alternator how to wiring duration.

1967 vw beetle alternator. 1972 vw beetle voltage regulator wiring diagram. Volkswagen air cooled 1970 1981 repair guide.

1967 vw beetle alternator. You could be a specialist who wishes to seek referrals or fix existing troubles. Oceanside ca 92056 us.

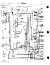
1972 Ford Regulator Wiring Diagram In 2020 Alternator Car Alternator Automotive Mechanic

1972 Ford Regulator Wiring Diagram In 2020 Alternator Car Alternator Automotive Mechanic

Simple Wiring Diagram Vw Dune Vw Dune Buggy Vw Engine Dune Buggy

Simple Wiring Diagram Vw Dune Vw Dune Buggy Vw Engine Dune Buggy

Pin On 4 H

Pin On 4 H

Ignition Coil Wiring Diagram Ignition Coil Coil Vw Super Beetle

Ignition Coil Wiring Diagram Ignition Coil Coil Vw Super Beetle

Electrical Wiring Diagrams Beetle 1971 Electrical Wiring Diagram All About Wiring Diagrams Vw Super Beetle Electrical Wiring Diagram Vw Beetles

Electrical Wiring Diagrams Beetle 1971 Electrical Wiring Diagram All About Wiring Diagrams Vw Super Beetle Electrical Wiring Diagram Vw Beetles

Universal Ignition Switch Wiring Diagram Boat Wiring Kill Switch Electrical Wiring Diagram

Universal Ignition Switch Wiring Diagram Boat Wiring Kill Switch Electrical Wiring Diagram

Electric L 6 Engine Wiring Diagram Chevy Trucks 1963 Chevy Truck Chevy

Electric L 6 Engine Wiring Diagram Chevy Trucks 1963 Chevy Truck Chevy

15 Harley Motorcycle Voltage Regulator Wiring Diagramharley Davidson Voltage Regulator Wiring Diagram Motorcycle D In 2020 Motorcycle Wiring Voltage Regulator Diagram

15 Harley Motorcycle Voltage Regulator Wiring Diagramharley Davidson Voltage Regulator Wiring Diagram Motorcycle D In 2020 Motorcycle Wiring Voltage Regulator Diagram

Pin On Wiring Diagrams Paint Colors Worksheets Cv Resume Images

Pin On Wiring Diagrams Paint Colors Worksheets Cv Resume Images

8 Generator Regulator Troubleshooting Chart Photo This Photo Was Uploaded By Farmallbob Find Other 8 Generator Regulator Trouble Wire Diagram Positivity

8 Generator Regulator Troubleshooting Chart Photo This Photo Was Uploaded By Farmallbob Find Other 8 Generator Regulator Trouble Wire Diagram Positivity

1952 Jeep Series 473 Wiring Diagrams Google Search

1952 Jeep Series 473 Wiring Diagrams Google Search

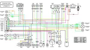
110 Loncin Wiring Diagram In 2020 Motorcycle Wiring Electrical Diagram Electrical Wiring Diagram

110 Loncin Wiring Diagram In 2020 Motorcycle Wiring Electrical Diagram Electrical Wiring Diagram

72 Mach1 Alternator Wire Harness Diagram Yahoo Search Results Yahoo Image Search Results Alternator Electrical Circuit Diagram Diagram

72 Mach1 Alternator Wire Harness Diagram Yahoo Search Results Yahoo Image Search Results Alternator Electrical Circuit Diagram Diagram

10 Small Engine Starter Switch Wiring Diagram Engine Diagram Wiringg Net In 2020 Boat Wiring Kill Switch Electrical Wiring Diagram

10 Small Engine Starter Switch Wiring Diagram Engine Diagram Wiringg Net In 2020 Boat Wiring Kill Switch Electrical Wiring Diagram

Pin By Charles Johnson On Ls Frankenstein Swap 6 0 In 2020 Auto Repair Automotive Repair Automotive Mechanic

Pin By Charles Johnson On Ls Frankenstein Swap 6 0 In 2020 Auto Repair Automotive Repair Automotive Mechanic

Vw Beetle Chassis Fitting And Replacing A Single Wiper V Connector Vw Beetles Volkswagen Beetle

Vw Beetle Chassis Fitting And Replacing A Single Wiper V Connector Vw Beetles Volkswagen Beetle

Bcregulator Jpg 740 600 Automotive Repair Automotive Electrical Go Kart Frame

Bcregulator Jpg 740 600 Automotive Repair Automotive Electrical Go Kart Frame

Mk3 Sprite Wiring Diagram Austin Healey Sprite Austin Healey Diagram

Mk3 Sprite Wiring Diagram Austin Healey Sprite Austin Healey Diagram

Https Encrypted Tbn0 Gstatic Com Images Q Tbn And9gctvxc2oiykzfpslo8obz4gsqqbbt93fcwflzskuki9tieh82mlk Usqp Cau

Https Encrypted Tbn0 Gstatic Com Images Q Tbn And9gctvxc2oiykzfpslo8obz4gsqqbbt93fcwflzskuki9tieh82mlk Usqp Cau

Pin On Wiring Diagrams Paint Colors Worksheets Cv Resume Images

Pin On Wiring Diagrams Paint Colors Worksheets Cv Resume Images

Click For A Larger View Kill Switch Motorcycle Wiring Diagram

Click For A Larger View Kill Switch Motorcycle Wiring Diagram

Typical Externally Regulated Alternator Wiring Instructions For The Early Gm Delco Remy External Regulated Alternator Car Alternator Electrical Circuit Diagram

Typical Externally Regulated Alternator Wiring Instructions For The Early Gm Delco Remy External Regulated Alternator Car Alternator Electrical Circuit Diagram

Yamaha Warrior 350 Wiring Diagram Images Pressauto Net Inside Electrical Diagram Diagram Yamaha

Yamaha Warrior 350 Wiring Diagram Images Pressauto Net Inside Electrical Diagram Diagram Yamaha

Simplified Wiring Diagram For 1972 Kick Ironhead Sportster Motorcycle Wiring Sportster

Simplified Wiring Diagram For 1972 Kick Ironhead Sportster Motorcycle Wiring Sportster

Source : pinterest.com