Draw A Circuit Diagram Of Potentiometer To Determine Internal Resistance Of A Cell

Draw A Labelled Circuit Diagram Of A Potentiometer To Measure The Internal Resistance R Of A Cell Sarthaks Econnect Largest Online Education Community

Draw A Labelled Circuit Diagram Of A Potentiometer To Measure The Internal Resistance R Of A Cell Sarthaks Econnect Largest Online Education Community

To Determine The Internal Resistance Of A Given Primary Cell Using Potentiometer Learn Cbse

To Determine The Internal Resistance Of A Given Primary Cell Using Potentiometer Learn Cbse

Write The Principle Of Working Of A Potentiometer Describe Briefly With The Help Of A Circuit Diagram How A Potentiometer Is Used To Determine The Int Physics Topperlearning Com Zlfiycuoo

Write The Principle Of Working Of A Potentiometer Describe Briefly With The Help Of A Circuit Diagram How A Potentiometer Is Used To Determine The Int Physics Topperlearning Com Zlfiycuoo

Cbse Physics Practical Class Xii Finding The Resistance Of A Given Wire Using Meter Bridge And Hence Determine Resistivity Of Its Material

Cbse Physics Practical Class Xii Finding The Resistance Of A Given Wire Using Meter Bridge And Hence Determine Resistivity Of Its Material

The Circuit Diagram Of A Potentiometer For Determining The Emf Ep

The Circuit Diagram Of A Potentiometer For Determining The Emf Ep

Draw Labelled Circuit Diagram Of A Potentiometer To Compare Emfs Of Two Cells Write The Working Formula Derivation Not Required

Draw Labelled Circuit Diagram Of A Potentiometer To Compare Emfs Of Two Cells Write The Working Formula Derivation Not Required

Draw Labelled Circuit Diagram Of A Potentiometer To Compare Emfs Of Two Cells Write The Working Formula Derivation Not Required

In doing so first we connect cell in potentiometer and measure the value of length where galvanometer shows zero deflection.

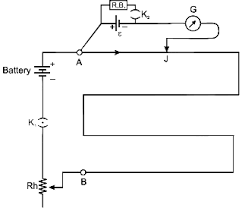
Draw a circuit diagram of potentiometer to determine internal resistance of a cell. Asked apr 24 2019 in physics by simrank 72 0k points. Give reasons why potentiometer is superior to voltmeter for determining internal resistance. R is the shunt resistance in parallel with the given cell.

The connections should be according to the diagram shown above. Potentiometer working circuit diagram construction types resistor a small bundle of resistance is one of the most used basic components in an electric circuit. Where l1 and l2 are balancing lengths without shunt or with the shunt.

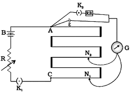
Mostly used to regulate the current flow by adding subtracting resistance from the circuit these resistors are available in many shapes and sizes. Explain with the help of this diagram a method to find the internal resistance of a primary cell. The internal resistance of the cell is given by.

With the collected data and by applying appropriate formula we find the internal. Here the internal resistance of the cell is given by. Apparatus a potentiometer a battery or battery eliminator two one way keys a rheostat of low resistance a galvanometer a high resistance box a fractional resistance box an ammeter a voltmeter a cell say leclanche cell a jockey a set square connecting wires and a piece of sand paper.

Derive formula for obtaining internal resistance of a primary cell with help of potentiometer. To determine the internal resistance of given primary cell using potentiometer.

Https Www Topperlearning Com Answer Draw A Circuit Diagram To Compare The Emf Of Two Primary Cells Write The Formula Used How Can The Sensitivity Of A Potentiometer Be Increased Or Draw Yvnf0sjtt

Https Www Topperlearning Com Answer Draw A Circuit Diagram To Compare The Emf Of Two Primary Cells Write The Formula Used How Can The Sensitivity Of A Potentiometer Be Increased Or Draw Yvnf0sjtt

Draw A Labelled Circuit Diagram Of A Potentiometer Class 12 Physics Cbse

Draw A Labelled Circuit Diagram Of A Potentiometer Class 12 Physics Cbse

State The Principle Of Potentiometer Draw A Circuit Diagram Used To Compare The Emf Of Two Primary Cells Write The Formula Used How Can The Sensitivity Of A Potentiometer Be Increased From

State The Principle Of Potentiometer Draw A Circuit Diagram Used To Compare The Emf Of Two Primary Cells Write The Formula Used How Can The Sensitivity Of A Potentiometer Be Increased From

Draw A Labelled Circuit Diagram Of A Potentiometer To Measure Internal Resistance Of A Cell Write The Working Formula Derivation Not Required Sarthaks Econnect Largest Online Education Community

Draw A Labelled Circuit Diagram Of A Potentiometer To Measure Internal Resistance Of A Cell Write The Working Formula Derivation Not Required Sarthaks Econnect Largest Online Education Community

Figure Shows The Circuit Diagram Of A Potentiometer For Determining The Emf E Of A Cell Of Negligible Internal Resistance Physics Current Electricity 12886729 Meritnation Com

Figure Shows The Circuit Diagram Of A Potentiometer For Determining The Emf E Of A Cell Of Negligible Internal Resistance Physics Current Electricity 12886729 Meritnation Com

Write The Principle Of Working Of A Potentiometer Describe Briefly With The Help Of A Circuit Diagram Sarthaks Econnect Largest Online Education Community

Write The Principle Of Working Of A Potentiometer Describe Briefly With The Help Of A Circuit Diagram Sarthaks Econnect Largest Online Education Community

Draw A Labelled Circuit Diagram Of A Potentiometer To Measure The Internal Resistance R Of A Cell Write The Working Formula Derivation Is Not Required Physics Theory Shaalaa Com

Draw A Labelled Circuit Diagram Of A Potentiometer To Measure The Internal Resistance R Of A Cell Write The Working Formula Derivation Is Not Required Physics Theory Shaalaa Com

A Student Uses The Circuit Diagram Of A Potentiometer As Shown In The Figure A For A Steady Current L Passing Through The Potentiometer Wire He Gets A Null Point For The

A Student Uses The Circuit Diagram Of A Potentiometer As Shown In The Figure A For A Steady Current L Passing Through The Potentiometer Wire He Gets A Null Point For The

State The Working Principle Of A Potentiometer With The Help Of The Circuit Diagram Sarthaks Econnect Largest Online Education Community

State The Working Principle Of A Potentiometer With The Help Of The Circuit Diagram Sarthaks Econnect Largest Online Education Community

Describe Briefly With The Help Of A Circuit Diagram How A Potentiometer Is Used To Determine The Internal Resistance Of Cell

Describe Briefly With The Help Of A Circuit Diagram How A Potentiometer Is Used To Determine The Internal Resistance Of Cell

A Battery Of Emf 3v And Internal Resistance R Is Connected In Seri

A Battery Of Emf 3v And Internal Resistance R Is Connected In Seri

Ammeter And Voltmeter Circuit Diagram Current Electricity 12 Jee Neet

Ammeter And Voltmeter Circuit Diagram Current Electricity 12 Jee Neet

Describe Briefly With The Help Of A Circuit Diagram How A Potentiometer Is Used To Determine The Internal Resistance Of A Cell Sarthaks Econnect Largest Online Education Community

Describe Briefly With The Help Of A Circuit Diagram How A Potentiometer Is Used To Determine The Internal Resistance Of A Cell Sarthaks Econnect Largest Online Education Community

Describe Briefly With The Help Of A Circuit Diagram The Method Of Measuring The Internal Resistance Of A Cell Sarthaks Econnect Largest Online Education Community

Describe Briefly With The Help Of A Circuit Diagram The Method Of Measuring The Internal Resistance Of A Cell Sarthaks Econnect Largest Online Education Community

Diagram Relay Circuit Diagram Full Version Hd Quality Circuit Diagram Pvdiagramlisat Ilpeocio It

Diagram Relay Circuit Diagram Full Version Hd Quality Circuit Diagram Pvdiagramlisat Ilpeocio It

The Network Pqrs Shown In The Circuit Diagram Has The Batteries Of 4 V And 5 V And Negligible Internal Resistance Sarthaks Econnect Largest Online Education Community

The Network Pqrs Shown In The Circuit Diagram Has The Batteries Of 4 V And 5 V And Negligible Internal Resistance Sarthaks Econnect Largest Online Education Community

A Describe Briefly With The Help Of Circuit Diagram The Method Of Measuring The Internal Resistance Of A Cell B Give The Reason Why A Potentiometer Is Preferred Over A Voltmeter For

A Describe Briefly With The Help Of Circuit Diagram The Method Of Measuring The Internal Resistance Of A Cell B Give The Reason Why A Potentiometer Is Preferred Over A Voltmeter For

Https Www Toppr Com Ask Question State The Working Principle Of Potentiometerexplain With The Help Of Circuit Diagram How The Emf

Https Www Toppr Com Ask Question State The Working Principle Of Potentiometerexplain With The Help Of Circuit Diagram How The Emf

Https Encrypted Tbn0 Gstatic Com Images Q Tbn And9gcrxc Kgmouc1vsw5o932jfev4a7t9f8cfgbpl8kexnyrd Io3wz Usqp Cau

Https Encrypted Tbn0 Gstatic Com Images Q Tbn And9gcrxc Kgmouc1vsw5o932jfev4a7t9f8cfgbpl8kexnyrd Io3wz Usqp Cau

Equivalent Circuit Diagram Of A Photovoltaic Cell A Current Source In Download Scientific Diagram

Equivalent Circuit Diagram Of A Photovoltaic Cell A Current Source In Download Scientific Diagram

Lead Acid Battery Charger Circuit

Lead Acid Battery Charger Circuit

Wheatstone Bridge Circuit Theory Example And Applications

Wheatstone Bridge Circuit Theory Example And Applications

Describe With The Help Of A Neat Circuit Diagram How You Will Dete

Describe With The Help Of A Neat Circuit Diagram How You Will Dete

Construction 25w Single Ended Class A Tube Amp Circuit Diagram El156 Under Vacuum Tube Valves Circuits 60295 Next Gr

Construction 25w Single Ended Class A Tube Amp Circuit Diagram El156 Under Vacuum Tube Valves Circuits 60295 Next Gr

Source : pinterest.com

Random Posts