2004 Ford Escape Stereo Wiring Diagram

2004 Ford Escape Radio Wiring Harness Dat Wiring Diagrams In 2020 Ford Expedition Electrical Wiring Diagram Electrical Diagram

2004 Ford Escape Radio Wiring Harness Dat Wiring Diagrams In 2020 Ford Expedition Electrical Wiring Diagram Electrical Diagram

Pin On Wiring

Pin On Wiring

10 2004 Ford Explorer Car Stereo Wiring Diagram Car Diagram Wiringg Net In 2020 2004 Ford F150 Ford F150 Ford Expedition

10 2004 Ford Explorer Car Stereo Wiring Diagram Car Diagram Wiringg Net In 2020 2004 Ford F150 Ford F150 Ford Expedition

Ford Radio Wiring Diagram Fordrangerlowered Fordranger2016 Fordranger1995 Fordrangerraptor Fordranger2006 In 2020 Ford Radio Ford Ranger

Ford Radio Wiring Diagram Fordrangerlowered Fordranger2016 Fordranger1995 Fordrangerraptor Fordranger2006 In 2020 Ford Radio Ford Ranger

Wiring Diagram Car Stereo Bookingritzcarlton Info Car Amplifier Car Stereo Electrical Wiring Diagram

Wiring Diagram Car Stereo Bookingritzcarlton Info Car Amplifier Car Stereo Electrical Wiring Diagram

21 Ford Harness Wiring Diagram Bookingritzcarlton Info Pioneer Car Stereo Pioneer Car Audio Car Audio

21 Ford Harness Wiring Diagram Bookingritzcarlton Info Pioneer Car Stereo Pioneer Car Audio Car Audio

21 Ford Harness Wiring Diagram Bookingritzcarlton Info Pioneer Car Stereo Pioneer Car Audio Car Audio

N a car stereo antenna trigger wire.

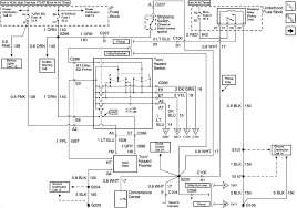
2004 ford escape stereo wiring diagram. July 15th 2012 no comments posted in ford escape. Yellow black car radio ground wire. It shows the components of the circuit as simplified shapes and the power and signal connections in the company of the devices.

July 15th 2012 no comments posted in ford escape. For instance if a module will be powered up and it sends out the signal of half the voltage plus the technician would not know this he d think he offers a problem as he would expect a 12v signal. For instance when a module is usually powered up also it sends out the signal of 50 percent the voltage and the technician would not know this he d think he provides an issue as he or she would expect a 12v signal.

Black car radio illumination wire. Basic electrical theory electrical components switches relays wiring harness test equipment testing with a multi meter. 2004 ford escape radio wiring diagram effectively read a electrical wiring diagram one provides to find out how typically the components within the program operate.

2004 ford escape radio wiring diagram wiring diagram is a simplified standard pictorial representation of an electrical circuit. It shows the elements of the circuit as streamlined forms and the power as well as signal connections in between the gadgets. N a car stereo amp trigger wire.

2004 ford explorer car stereo wiring diagram car radio battery constant 12v wire. A wiring diagram is a streamlined traditional pictorial representation of an electrical circuit. If you want all the premium wiring diagrams that are available for your vehicle that are accessible on line right now wiring diagrams for just 19 95 you can have full on line access to everything you need including premium wiring diagrams fuse and component locations.

Ford focus mk2 2004 5000c. Variety of ford escape wiring diagram. Light green car radio accessory switched 12v wire.

Diagrama De Cableado De Radio Del Ford Explorer Sport 2001 1 Ford Explorer Ford Explorer Sport Diagrama De Instalacion Electrica

Diagrama De Cableado De Radio Del Ford Explorer Sport 2001 1 Ford Explorer Ford Explorer Sport Diagrama De Instalacion Electrica

Luxury Ford Wiring Diagram For Trailer Plug Diagrams Digramssample Diagramimages Wiringdiagramsample Wiringdiagram C Ford Escape Ford Focus Car Ford Focus

Luxury Ford Wiring Diagram For Trailer Plug Diagrams Digramssample Diagramimages Wiringdiagramsample Wiringdiagram C Ford Escape Ford Focus Car Ford Focus

Engine Wiring Diagram For 8 Ford Ranger Black Di 2020 Dengan Gambar

Engine Wiring Diagram For 8 Ford Ranger Black Di 2020 Dengan Gambar

08 Silverado Radio Wiring Diagram Mikulskilawoffices In 2020 Electrical Wiring Diagram Light Switch Wiring Trailer Wiring Diagram

08 Silverado Radio Wiring Diagram Mikulskilawoffices In 2020 Electrical Wiring Diagram Light Switch Wiring Trailer Wiring Diagram

Unique Vw Golf Mk5 Headlight Wiring Diagram Diagram Diagramsample Diagramtemplate Wiringdiagr Electrical Diagram Electrical Wiring Diagram Volkswagen Jetta

Unique Vw Golf Mk5 Headlight Wiring Diagram Diagram Diagramsample Diagramtemplate Wiringdiagr Electrical Diagram Electrical Wiring Diagram Volkswagen Jetta

Renault Trafic Radio Wiring Diagram In 94 Ford Ranger Sevimliler Jurnal Proposal

Renault Trafic Radio Wiring Diagram In 94 Ford Ranger Sevimliler Jurnal Proposal

Kenwood Kdc Mp438u With Images Ford Radio F350

Kenwood Kdc Mp438u With Images Ford Radio F350

7 Ford Escape V7 Engine Diagram Di 2020 Taurus Ford Diagram

7 Ford Escape V7 Engine Diagram Di 2020 Taurus Ford Diagram

92 Ford Ranger Wiring Diagram Ford Ranger 2005 Ford Ranger Ford F250

92 Ford Ranger Wiring Diagram Ford Ranger 2005 Ford Ranger Ford F250

Renault Trafic Radio Wiring Diagram In 94 Ford Ranger Sevimliler Jurnal Proposal

Renault Trafic Radio Wiring Diagram In 94 Ford Ranger Sevimliler Jurnal Proposal

10 N54 Engine Wiring Diagram Ford Focus Engine Ford Focus St Ford Focus

10 N54 Engine Wiring Diagram Ford Focus Engine Ford Focus St Ford Focus

2006 Nissan Altima Wiring Diagram In 2020 Nissan Altima 2006 Nissan Altima Altima

2006 Nissan Altima Wiring Diagram In 2020 Nissan Altima 2006 Nissan Altima Altima

16 1986 Ford Ranger Engine Wiring Diagram Engine Diagram Wiringg Net In 2020 Fuse Box Fuses Chevy Trucks

16 1986 Ford Ranger Engine Wiring Diagram Engine Diagram Wiringg Net In 2020 Fuse Box Fuses Chevy Trucks

10 Honda Crv Car Stereo Wiring Diagram Car Diagram Wiringg Net In 2020 Honda Civic Engine Honda Accord Honda Civic

10 Honda Crv Car Stereo Wiring Diagram Car Diagram Wiringg Net In 2020 Honda Civic Engine Honda Accord Honda Civic

Under Hood Fuse Box Diagram Ford Escape 2008 2009 2010 2011 2012 Ford Escape Ford Fuse Box

Under Hood Fuse Box Diagram Ford Escape 2008 2009 2010 2011 2012 Ford Escape Ford Fuse Box

Ford Radio Wiring Diagram Download In 2020 Ford Expedition 2001 Ford Mustang 2006 Ford Mustang

Ford Radio Wiring Diagram Download In 2020 Ford Expedition 2001 Ford Mustang 2006 Ford Mustang

Gy6 Engine Diagram Engine Diagram In 2020 Diagram Engineering Mitsubishi

Gy6 Engine Diagram Engine Diagram In 2020 Diagram Engineering Mitsubishi

Diagram Engine Wiring Check Light 16 16 Check Engine Light Wiring Diagram 16 Check Engine Light Wiring Diagram Engineering Diagram Design Repair Guide

Diagram Engine Wiring Check Light 16 16 Check Engine Light Wiring Diagram 16 Check Engine Light Wiring Diagram Engineering Diagram Design Repair Guide

Https Encrypted Tbn0 Gstatic Com Images Q Tbn And9gcsizxrgeruwpse5in7ncybar8grtc4abet9620yj20z3fqdz Wc Usqp Cau

Https Encrypted Tbn0 Gstatic Com Images Q Tbn And9gcsizxrgeruwpse5in7ncybar8grtc4abet9620yj20z3fqdz Wc Usqp Cau

Interior Fuse Box Diagram Ford Escape 2005 2006 2007 Ford Escape Fuse Box Fuse Panel

Interior Fuse Box Diagram Ford Escape 2005 2006 2007 Ford Escape Fuse Box Fuse Panel

Wiring Diagram Diagram Wire Audi A4

Wiring Diagram Diagram Wire Audi A4

Peugeot 4 Engine Diagram Quality Di 2020

Peugeot 4 Engine Diagram Quality Di 2020

R6 Engine Bay Diagram Di 2020 Nissan Maxima Nissan Radio

R6 Engine Bay Diagram Di 2020 Nissan Maxima Nissan Radio

7mgte Wiring Harness Diagram Diogorocha Me Diagram Toyota Supra Turbo Engineering

7mgte Wiring Harness Diagram Diogorocha Me Diagram Toyota Supra Turbo Engineering

Source : pinterest.com