Gy6 8 Pole Stator Wiring Diagram

150cc Gy6 Wiring Diagram Within Webtor Me And Katherinemarie Best Of Electrical Diagram Electric Go Kart Go Kart

150cc Gy6 Wiring Diagram Within Webtor Me And Katherinemarie Best Of Electrical Diagram Electric Go Kart Go Kart

Gy6 Wire Diagram Coil Wiring In Wellread Me Throughout Motorcycle Wiring Chinese Scooters 90cc Atv

Gy6 Wire Diagram Coil Wiring In Wellread Me Throughout Motorcycle Wiring Chinese Scooters 90cc Atv

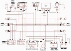
Gy6 Scooter Wiring Diagram And Kill Switch Electrical Diagram Motorcycle Wiring

Gy6 Scooter Wiring Diagram And Kill Switch Electrical Diagram Motorcycle Wiring

How To Wire A Gy6 Engine Into A Honda Ruckus Working Again Honda Ruckus Honda Honda Metropolitan

How To Wire A Gy6 Engine Into A Honda Ruckus Working Again Honda Ruckus Honda Honda Metropolitan

Fancy Gy6 150cc Wiring Diagram 95 For Your Double Wall Switch With Furnace Blower Motor Chinese Scooters Motorcycle Wiring Electrical Wiring Diagram

Fancy Gy6 150cc Wiring Diagram 95 For Your Double Wall Switch With Furnace Blower Motor Chinese Scooters Motorcycle Wiring Electrical Wiring Diagram

Pride Legend Scooter Wiring Diagram In 2020 Diagram Wire 150cc

Pride Legend Scooter Wiring Diagram In 2020 Diagram Wire 150cc

Pride Legend Scooter Wiring Diagram In 2020 Diagram Wire 150cc

Home gy6 electricals yerf dog cc wiring diagram go kart i have no spark and replaced plug and wire getting a stator and trigger and cdi what else.

Gy6 8 pole stator wiring diagram. Gy6 8 pole stator wiring diagram source. Gy6 dc fired cdi wiring diagram here is the chinese engine code chart with the example of the jog 2stroke gy6 engines are on the fron bottom left had side near the centerstand pivot. 4 prong heavy duty voltage regulator rectifier.

Gy6 8 pole stator wiring diagram source. Variety of 150cc scooter wiring diagram. I just installed an 8 pole stator new flywheel old flywheel for 6 pole was too small cdi coil and plug.

11 coil stator here is a wiring diagram of the typical 5 wire cdi system on a lot of scooters which in most instances is. Im getting good vac from the black red 83volts but im not getting any trigger pulse from the blue white wire until i let off the ignition switch does it matter the how the stator is put in. Diagram 110cc cdi stator wiring full version hd quality efiswiringe plusmarine it.

The wire guide features an 11 pole stator and five wire cdi but it should be helpful during any gy6 swap. Click for full size. A wiring diagram is a simplified standard pictorial representation of an electrical circuit.

For the wiring diagram look to this post for the gy6 regulator. Can i help you find a wiring diagram for some other scooter atv or motorcycle. They can be used in any this gy6 swap wiring diagram was created by jdotfite on tr.

Note that the red wire from the stator to the cdi will not be on a dc fired system. Read the schematic like a new roadmap. I didn t even make this wiring diagram.

Pildiotsingu Kymco Agility City 50 Wiring Diagram Tulemus Gas Scooter Motorcycle Wiring Electric Scooter

Pildiotsingu Kymco Agility City 50 Wiring Diagram Tulemus Gas Scooter Motorcycle Wiring Electric Scooter

10 Cdi Motorcycle Wiring Diagram Motorcycle Diagram Wiringg Net In 2020 Electrical Wiring Diagram Electrical Diagram Motorcycle Wiring

10 Cdi Motorcycle Wiring Diagram Motorcycle Diagram Wiringg Net In 2020 Electrical Wiring Diagram Electrical Diagram Motorcycle Wiring

Gy7 7cc Engine Diagram Indonesia In 2020 150cc Chinese Scooters Diagram

Gy7 7cc Engine Diagram Indonesia In 2020 150cc Chinese Scooters Diagram

Gy6 150 Wiring Diagram Diagrams Schematics And 150cc Hbphelp Me New Electrical Diagram 150cc Go Kart 150cc Scooter

Gy6 150 Wiring Diagram Diagrams Schematics And 150cc Hbphelp Me New Electrical Diagram 150cc Go Kart 150cc Scooter

Complete Electrics Kit Wire Loom Key Solenoid Magneto Coil Regulator Cdi Wiring Harness 150cc 200cc 250cc Atv Parts Quad Bike Wish In 2020 Atv Quads 250cc Motorcycle Wiring

Complete Electrics Kit Wire Loom Key Solenoid Magneto Coil Regulator Cdi Wiring Harness 150cc 200cc 250cc Atv Parts Quad Bike Wish In 2020 Atv Quads 250cc Motorcycle Wiring

Chinese Scooter Flywheel Magneto Gy6 50cc 139qmb 8 Pole Stator V Fw04 Review Chinese Scooters 50cc Flywheel

Chinese Scooter Flywheel Magneto Gy6 50cc 139qmb 8 Pole Stator V Fw04 Review Chinese Scooters 50cc Flywheel

150cc Go Kart Wiring Diagram Best Of Gy6 Kandi With 150cc Go Kart 150cc Scooter Motorcycle Wiring

150cc Go Kart Wiring Diagram Best Of Gy6 Kandi With 150cc Go Kart 150cc Scooter Motorcycle Wiring

Jonway 150cc Scooter Wiring Diagram Chinese 11 Pole In 2020 Motorcycle Wiring 150cc Electrical Diagram

Jonway 150cc Scooter Wiring Diagram Chinese 11 Pole In 2020 Motorcycle Wiring 150cc Electrical Diagram

Latest Lifan 125cc Wiring Diagram 110 Dirt Bike Diagrams Brilliant With Regard To Lifan 125 Wiring Diagram

Latest Lifan 125cc Wiring Diagram 110 Dirt Bike Diagrams Brilliant With Regard To Lifan 125 Wiring Diagram

Magneto Stator 8 Pole Coil 6 Wire 200c 250cc Cg Bashan Shineray Jinling Taotao Dirt Pit Bike Atv Quad Parts Pit Bike Quad Parts Magneto

Magneto Stator 8 Pole Coil 6 Wire 200c 250cc Cg Bashan Shineray Jinling Taotao Dirt Pit Bike Atv Quad Parts Pit Bike Quad Parts Magneto

Image Result For Chinese 50cc Quad Wiring Atv Pit Bike Motorcycle Wiring

Image Result For Chinese 50cc Quad Wiring Atv Pit Bike Motorcycle Wiring

Stator Internal Reverse Engines 150cc Go Kart Go Kart 150cc

Stator Internal Reverse Engines 150cc Go Kart Go Kart 150cc

Image Result For Wiring Diagram For Taotao 110cc Atv Motorcycle Wiring Chinese Scooters 90cc Atv

Image Result For Wiring Diagram For Taotao 110cc Atv Motorcycle Wiring Chinese Scooters 90cc Atv

Fancy Gy6 150cc Wiring Diagram 95 For Your Double Wall Switch With Furnace Blower Motor Chinese Scooters Motorcycle Wiring Electrical Wiring Diagram

Fancy Gy6 150cc Wiring Diagram 95 For Your Double Wall Switch With Furnace Blower Motor Chinese Scooters Motorcycle Wiring Electrical Wiring Diagram

Ebay Advertisement Complete Motorcycle Cdi Coil Electrics Wiring Harness Loom 1 Set Accessories Atv Quads Atv 250cc

Ebay Advertisement Complete Motorcycle Cdi Coil Electrics Wiring Harness Loom 1 Set Accessories Atv Quads Atv 250cc

Pin On Atv Rv Boat Other Vehicle

Pin On Atv Rv Boat Other Vehicle

Starter Relay Solenoid Honda Cb550 Cb 550 Motor Cycle Bike 1983 New Zoom Zoom Parts Honda Models Honda Nighthawk Road Bike Cycling

Starter Relay Solenoid Honda Cb550 Cb 550 Motor Cycle Bike 1983 New Zoom Zoom Parts Honda Models Honda Nighthawk Road Bike Cycling

Outboard Engine 69m 45113 A0 Upper Casing Gasket For Yamaha 4 Stroke F2 5 Boat Motor Free Shipping Outboard Boat Engine Boat

Outboard Engine 69m 45113 A0 Upper Casing Gasket For Yamaha 4 Stroke F2 5 Boat Motor Free Shipping Outboard Boat Engine Boat

3

3

Ignition Switch Key Set 5 Wires Moped Scooter Gy6 50cc 150cc Roketa Jonway Moped Scooter 150cc 50cc

Ignition Switch Key Set 5 Wires Moped Scooter Gy6 50cc 150cc Roketa Jonway Moped Scooter 150cc 50cc

3bow 4 Bow Bimini Top Uv Waterproof 600d Boat Cover With Boot And Hardware 316 Stainless Steel Tube Ful Stainless Steel Tubing 316 Stainless Steel Boat Covers

3bow 4 Bow Bimini Top Uv Waterproof 600d Boat Cover With Boot And Hardware 316 Stainless Steel Tube Ful Stainless Steel Tubing 316 Stainless Steel Boat Covers

Kick Start Pedal Return Spring Gy6 4stroke 50cc China Scooter Taotao Roketa Vip 50cc Chinese Scooters 50cc Moped

Kick Start Pedal Return Spring Gy6 4stroke 50cc China Scooter Taotao Roketa Vip 50cc Chinese Scooters 50cc Moped

Radiator Cap 250cc 300cc Water Cooled Engine Chinese Scooter 1731 Radiator Cap Chinese Scooters Scooter

Radiator Cap 250cc 300cc Water Cooled Engine Chinese Scooter 1731 Radiator Cap Chinese Scooters Scooter

9r3kuflxxxm9tm

9r3kuflxxxm9tm

Source : pinterest.com