Vw Beetle Headlight Switch Wiring Diagram

113941531e Vw Headlight Switch Vintage Vw Vw Parts Vw Beetle Classic

113941531e Vw Headlight Switch Vintage Vw Vw Parts Vw Beetle Classic

Eb Headlight Switch Wiring Diagram Jeep Cherokee Headlights Electrical Diagram Headlights

Eb Headlight Switch Wiring Diagram Jeep Cherokee Headlights Electrical Diagram Headlights

Vw Ignition Switch Wiring Diagram Google Search Diagram Wire Vw Jetta

Vw Ignition Switch Wiring Diagram Google Search Diagram Wire Vw Jetta

Model A Ford Headlight Switch Wiring Diagram In 2020 Jeep Cherokee Headlights Electrical Diagram Headlights

Model A Ford Headlight Switch Wiring Diagram In 2020 Jeep Cherokee Headlights Electrical Diagram Headlights

Headlight Relay Wiring Diagram Jeep Wrangler Mustang Headlights Jeep

Headlight Relay Wiring Diagram Jeep Wrangler Mustang Headlights Jeep

5 Pin Headlight Wiring Diagram For Cars And Trucks Trailer Light Wiring Electrical Wiring Diagram Electrical Wiring

5 Pin Headlight Wiring Diagram For Cars And Trucks Trailer Light Wiring Electrical Wiring Diagram Electrical Wiring

5 Pin Headlight Wiring Diagram For Cars And Trucks Trailer Light Wiring Electrical Wiring Diagram Electrical Wiring

Removing the headlight switch.

Vw beetle headlight switch wiring diagram. Vw tech article 1968 69 wiring diagram sdy jim s home page aircooled electrical hints 1974 beetle headlight full version hd quality pisciculture saintcesaire fr diagramlive6 lamontesca it 1963 volkswagen ahadiagramh teatrosservanza thesamba com late model super up view topic relay needed 1975 ignition databasecoin pediaweb bug theengineeringschools lafermedesaltel 74 myanmarengineering laure. Once the headlight is out disconnect the wiring cluster that attaches it to the car. It reveals the parts of the circuit as simplified shapes and also the power and signal connections in between the gadgets.

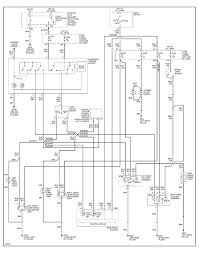
1998 volkswagen new beetle system wiring diagrams created date. System wiring diagrams keywords. In 1937 volkswagen was founded which was to become the symbol of the new germany.

Unless the headlight switch has power at the x terminal the headlights won t turn on. In the shortest possible time an ultramodern factory was built in. X 1 terminal black yellow red black wire large gauge power to the headlight circuit from the ignition switch.

If the bulbs are fine the next step is to check the headlight switch. It sounds obvious but when identifying a replacement wire every wiring diagram has a wire size number written somewhere along the length of the wire on the diagram as pictured below this gives typically the diameter of the wire it is a quick way of distinguishing if you have say several red wires which you should be using for that section and insures you don t end up burning anything out. Vw beetle headlight switch wiring circuit and wiring diagram download for automotive car motorcycle truck audio radio electronic devices home and house appliances published on 17 mar 2014.

Volkswagen beetle headlights not working. 1998 volkswagen new beetle subject. 1971 and later model vw headlight switches use the x terminal to control the headlights.

Assortment of vw beetle wiring diagram 2000. A wiring diagram is a simplified standard pictorial depiction of an electrical circuit. Vw tech article 1972 wiring diagram.

Thesambacom Type 2 Wiring Diagrams

Thesambacom Type 2 Wiring Diagrams

133941531b Vw Headlight Switch In 2020 Vintage Vw Vw Parts Vw Beetle Classic

133941531b Vw Headlight Switch In 2020 Vintage Vw Vw Parts Vw Beetle Classic

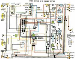
72 Wiring Diagram Jpg 1582 X 1276 46 Vw Super Beetle Diagram Design Volkswagen Car

72 Wiring Diagram Jpg 1582 X 1276 46 Vw Super Beetle Diagram Design Volkswagen Car

Volkswagen Wiring Diagrams Volkswagen 181 Volkswagen Vw Bug

Volkswagen Wiring Diagrams Volkswagen 181 Volkswagen Vw Bug

Electrical Wiring Diagrams Beetle 1971 Electrical Wiring Diagram All About Wiring Diagrams Vw Super Beetle Electrical Wiring Diagram Vw Beetles

Electrical Wiring Diagrams Beetle 1971 Electrical Wiring Diagram All About Wiring Diagrams Vw Super Beetle Electrical Wiring Diagram Vw Beetles

Pin On Vw

Pin On Vw

1969 Vw Beetle Wiring Diagram Vw Super Beetle Vw Engine Volkswagen Beetle

1969 Vw Beetle Wiring Diagram Vw Super Beetle Vw Engine Volkswagen Beetle

30 New Vw Beetle Starter Wiring Diagram In 2020 Volkswagen New Beetle Volkswagen Beetle Vw Beetles

30 New Vw Beetle Starter Wiring Diagram In 2020 Volkswagen New Beetle Volkswagen Beetle Vw Beetles

Wiring Diagram In Color 1964 Vw Bug Beetle Convertible The Samba Motor Vocho Vochos Clasicos Vw Vocho

Wiring Diagram In Color 1964 Vw Bug Beetle Convertible The Samba Motor Vocho Vochos Clasicos Vw Vocho

1969 71 Beetle Wiring Diagram Vw Beetles Diagram Vw Bus

1969 71 Beetle Wiring Diagram Vw Beetles Diagram Vw Bus

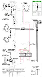
Ignition And Charging System Diagram Vw Dune Buggy Dune Buggy Vw Engine

Ignition And Charging System Diagram Vw Dune Buggy Dune Buggy Vw Engine

1967 Beetle Wiring Diagram Usa Vw Super Beetle Vw Engine Volkswagen Beetle

1967 Beetle Wiring Diagram Usa Vw Super Beetle Vw Engine Volkswagen Beetle

Wiring Diagram Vw Beetle Sedan And Convertible 1961 1965 Vw Super Beetle Electrical Wiring Electrical Diagram

Wiring Diagram Vw Beetle Sedan And Convertible 1961 1965 Vw Super Beetle Electrical Wiring Electrical Diagram

Reverse Light Wiring Diagram Beetle Vintage Vw Vw Beetles

Reverse Light Wiring Diagram Beetle Vintage Vw Vw Beetles

The Karmann Ghia Online Resource Technical Electrical Vw 1500 Oldtimer

The Karmann Ghia Online Resource Technical Electrical Vw 1500 Oldtimer

View Topic Wiring Help Watson Kit Alternator Vw Parts Diagram

View Topic Wiring Help Watson Kit Alternator Vw Parts Diagram

Vw Type 3 Wiring Diagram Vw Bug Vw Beetles Volkswagen Beetle

Vw Type 3 Wiring Diagram Vw Bug Vw Beetles Volkswagen Beetle

New Volkswagen Car Wiring Diagram Diagram Diagramtemplate Diagramsample Vw Super Beetle Diagram Design Volkswagen Car

New Volkswagen Car Wiring Diagram Diagram Diagramtemplate Diagramsample Vw Super Beetle Diagram Design Volkswagen Car

Https Encrypted Tbn0 Gstatic Com Images Q Tbn And9gcsycjtsot9bs Wihw3o S7a1pxxhsxeatzju2rjptv0kaj Z F Usqp Cau

Https Encrypted Tbn0 Gstatic Com Images Q Tbn And9gcsycjtsot9bs Wihw3o S7a1pxxhsxeatzju2rjptv0kaj Z F Usqp Cau

1970 Vw Fuse Box Diagram In 2020 Vw Beetles Beetle Volkswagen Beetle

1970 Vw Fuse Box Diagram In 2020 Vw Beetles Beetle Volkswagen Beetle

1971 Bus Wiring Diagram Electrical Wiring Diagram Vw Bus Chevelle

1971 Bus Wiring Diagram Electrical Wiring Diagram Vw Bus Chevelle

New Vw Golf Mk5 Rear Light Wiring Diagram Diagram Volkswagen Electrical Wiring Diagram

New Vw Golf Mk5 Rear Light Wiring Diagram Diagram Volkswagen Electrical Wiring Diagram

1965 Vw Wiring Diagram 1965 Volkswagen Type 1 Beetle Diy Project 310060 Vw Super Beetle Volkswagen Volkswagen Beetle

1965 Vw Wiring Diagram 1965 Volkswagen Type 1 Beetle Diy Project 310060 Vw Super Beetle Volkswagen Volkswagen Beetle

1967 Firebird Fuse Box Wiring Diagram Free Fuse Car Fuses Fuse Box Vw Beetles

1967 Firebird Fuse Box Wiring Diagram Free Fuse Car Fuses Fuse Box Vw Beetles

Source : pinterest.com