2 Pole Changeover Switch Wiring Diagram

Manual Changeover Switch Wiring Diagram For Portable Generator Transfer Switch Electrical Circuit Diagram Electricity

Manual Changeover Switch Wiring Diagram For Portable Generator Transfer Switch Electrical Circuit Diagram Electricity

Manual Changeover Switch Wiring Diagram For Portable Generator Transfer Switch Electricity Electrical Circuit Diagram

Manual Changeover Switch Wiring Diagram For Portable Generator Transfer Switch Electricity Electrical Circuit Diagram

Generator Changeover Switch Wiring Diagram As Well As Solar Transfer Switch Generator Transfer Switch Electrical Projects

Generator Changeover Switch Wiring Diagram As Well As Solar Transfer Switch Generator Transfer Switch Electrical Projects

How To Connect A Portable Generator To The Home Supply 4 Methods In 2020 Home Electrical Wiring Portable Generator Electrical Wiring

How To Connect A Portable Generator To The Home Supply 4 Methods In 2020 Home Electrical Wiring Portable Generator Electrical Wiring

Three Phase Electrical Wiring Diagram Transfer Switch Circuit Diagram Electrical Circuit Diagram

Three Phase Electrical Wiring Diagram Transfer Switch Circuit Diagram Electrical Circuit Diagram

How To Wire Auto Manual Changeover Transfer Switch 1 3 Phase Transfer Switch Portable Generator Emergency Generator

How To Wire Auto Manual Changeover Transfer Switch 1 3 Phase Transfer Switch Portable Generator Emergency Generator

How To Wire Auto Manual Changeover Transfer Switch 1 3 Phase Transfer Switch Portable Generator Emergency Generator

It shows the elements of the circuit as simplified forms and the power and signal links between the gadgets.

2 pole changeover switch wiring diagram. The electricity enters the rotary switch s input terminal and the switch sends electricity to the output terminal selected. Rotary cam changeover switch pole transfer wiring diagram uno dp anchor untitled 2 pvc enclosed change over 0afe757 3 position selector the river pool is rooted in italian contactor manual ac switches panel 65 ampere 8 relay way automatic circuit 32 amp onload typical diagrams 4 6 invert er auto easy inverter mains sft240 single line. 3 pole changeover switch wiring diagram wiring diagram is a simplified good enough pictorial representation of an electrical circuit it shows the components of the circuit as simplified shapes and the power and signal connections along with the devices.

Some rotary switches contain more than one circuit. Firstly the basics what the colours mean. The upper portion of the changeover switch is directly connected to the main power supply while the lower first and right connections slots are connected to the backup power supply like generator or inverter.

Nov 2 2017 manual changeover switch wiring diagram for portable generator or how to connect a generator to house wiring with changeover transfer switch. Collection of 2 pole toggle switch wiring diagram. A rotary switch connects several devices to an electric source.

Manual changeover switch are mostly use in 2 types in which one have the move able knob and 2nd one the handle changeover switch. These contain two or more input terminals called poles. How to control a lamp light bulb from two places using two way switches for.

A wiring diagram is a streamlined conventional pictorial depiction of an electrical circuit. Reparaturanleitung delco starter reparaturaleitung valeo starter. How to wire a single phase generator change over switch.

In fig 2 different connection and wiring diagrams are shown for a two pole single phase manual changeover switch. Fig 2 generator wiring diagram to the home supply by using manual changeover switch or transfer switch mts how to connect a 1 phase generator to a home by using automatic changeover switch or 2 pole manual transfer switch mts.

How To Wire Auto Manual Changeover Transfer Switch 1 3 Phase Transfer Switch Electrical Diagram Current Transformer

How To Wire Auto Manual Changeover Transfer Switch 1 3 Phase Transfer Switch Electrical Diagram Current Transformer

2 Way Rocker Switch Wiring Diagram Motorcycle Wiring Light Switch Wiring 12v Led Lights

2 Way Rocker Switch Wiring Diagram Motorcycle Wiring Light Switch Wiring 12v Led Lights

How To Wire Auto Manual Changeover Transfer Switch 1 3 Phase Home Electrical Wiring Electrical Wiring Portable Generator

How To Wire Auto Manual Changeover Transfer Switch 1 3 Phase Home Electrical Wiring Electrical Wiring Portable Generator

Manual Auto Ups Inverter Wiring Diagram With Changeover Switch In 2020 Electrical Circuit Diagram Diagram Electrical Wiring Diagram

Manual Auto Ups Inverter Wiring Diagram With Changeover Switch In 2020 Electrical Circuit Diagram Diagram Electrical Wiring Diagram

3 Phase Manual Changeover Switch Wiring Diagram Changeover By Tech Bon Generator Transfer Switch Electrical Circuit Diagram Transfer Switch

3 Phase Manual Changeover Switch Wiring Diagram Changeover By Tech Bon Generator Transfer Switch Electrical Circuit Diagram Transfer Switch

How To Wire Auto Manual Changeover Transfer Switch 1 3 Phase Transfer Switch Generator Transfer Switch Electrical Circuit Diagram

How To Wire Auto Manual Changeover Transfer Switch 1 3 Phase Transfer Switch Generator Transfer Switch Electrical Circuit Diagram

Pin On Pulsar

Pin On Pulsar

Single Phase Wiring Diagram For House Http Bookingritzcarlton Info Single Phase Wiring Diagram For Hou House Wiring Electrical Wiring Home Electrical Wiring

Single Phase Wiring Diagram For House Http Bookingritzcarlton Info Single Phase Wiring Diagram For Hou House Wiring Electrical Wiring Home Electrical Wiring

Automatic Transferred Switch Ats Circuit Diagram Electrical Engineering Blog Transfer Switch Circuit Diagram Electrical Switch Wiring

Automatic Transferred Switch Ats Circuit Diagram Electrical Engineering Blog Transfer Switch Circuit Diagram Electrical Switch Wiring

Pin On Electrical Wiring

Pin On Electrical Wiring

18 3 Phase Electrical Switchboard Wiring Diagram Wiring Diagram Wiringg Net In 2020 Electrical Wiring Electrical Panel Wiring House Wiring

18 3 Phase Electrical Switchboard Wiring Diagram Wiring Diagram Wiringg Net In 2020 Electrical Wiring Electrical Panel Wiring House Wiring

Distribution Board Wiring For Single Phase Wiring Distribution Board Electrical Wiring Diagram House Wiring

Distribution Board Wiring For Single Phase Wiring Distribution Board Electrical Wiring Diagram House Wiring

Pin On Jemal

Pin On Jemal

Beautiful Wiring Diagram Intermediate Light Switch Diagrams Digramssample Diagramimages Light Switch Wiring Double Light Switch House Wiring

Beautiful Wiring Diagram Intermediate Light Switch Diagrams Digramssample Diagramimages Light Switch Wiring Double Light Switch House Wiring

How To Wire Auto Manual Changeover Transfer Switch 1 3 Phase Home Electrical Wiring Electrical Wiring Portable Generator

How To Wire Auto Manual Changeover Transfer Switch 1 3 Phase Home Electrical Wiring Electrical Wiring Portable Generator

Manual Auto Ups Inverter Wiring Diagram With Changeover Switch House Wiring Home Electrical Wiring Electrical Panel Wiring

Manual Auto Ups Inverter Wiring Diagram With Changeover Switch House Wiring Home Electrical Wiring Electrical Panel Wiring

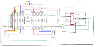
Automatic Transfer Switch Switch Between Solar Generator And Main Grid Power Ats Diy Tech Re Transfer Switch Electrical Circuit Diagram Solar Generator

Automatic Transfer Switch Switch Between Solar Generator And Main Grid Power Ats Diy Tech Re Transfer Switch Electrical Circuit Diagram Solar Generator

1

1

How To Connect A Portable Generator To The Home Supply 4 Methods Portable Generator Generator Transfer Switch Home Electrical Wiring

How To Connect A Portable Generator To The Home Supply 4 Methods Portable Generator Generator Transfer Switch Home Electrical Wiring

Generac Automatic Transfer Switch Wiring Diagram And Generator Extraordinary Diagrams In Transfer Switch Generator Transfer Switch Generator House

Generac Automatic Transfer Switch Wiring Diagram And Generator Extraordinary Diagrams In Transfer Switch Generator Transfer Switch Generator House

Rcd Wiring Installation In Single Phase Distribution Board Distribution Board Home Electrical Wiring Solar Energy

Rcd Wiring Installation In Single Phase Distribution Board Distribution Board Home Electrical Wiring Solar Energy

Pin On Electrical

Pin On Electrical

Wiring Diagram For 220 Volt Single Phase Motor Bookingritzcarlton Info Electrical Wiring Diagram Types Of Electrical Wiring Electric Motor

Wiring Diagram For 220 Volt Single Phase Motor Bookingritzcarlton Info Electrical Wiring Diagram Types Of Electrical Wiring Electric Motor

Source : pinterest.com