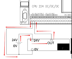
Siemens S7 200 Cpu 224 Wiring Diagram

Siemens S7 200 Plc Manual

Siemens S7 200 Plc Manual

How To Do Connection Of Siemens Plc S7 200 Wiring By Dhaka Industrial Automation Youtube

How To Do Connection Of Siemens Plc S7 200 Wiring By Dhaka Industrial Automation Youtube

Siemens S7 200 Introduction

Siemens S7 200 Introduction

Https Support Industry Siemens Com Tf Ww En Posts Rs485 Pin Out Details Of Port In Cpu 226 160925 Page 0 Pagesize 10

Https Support Industry Siemens Com Tf Ww En Posts Rs485 Pin Out Details Of Port In Cpu 226 160925 Page 0 Pagesize 10

6es7 216 2ad23 0xb0 Simatic S7 200 Cpu 226 Compatible With Plc For Sale Plc S7 200 Compatible Module Manufacturer From China 106446816

6es7 216 2ad23 0xb0 Simatic S7 200 Cpu 226 Compatible With Plc For Sale Plc S7 200 Compatible Module Manufacturer From China 106446816

Siemens Simatic S7 200 Programmable Controller

Siemens Simatic S7 200 Programmable Controller

Siemens Simatic S7 200 Programmable Controller

Cpu 221 cpu 222 and cpu 224 step 7 micro win 32 version 3 0 a 32 bit programming software package for windows 95 windows 98 and the windows nt.

Siemens s7 200 cpu 224 wiring diagram. The position module is configured on power up. For example if a voltage is applied to a physical input this 1 signal is mapped at an address in the memory that is assigned to this input. Understanding the rp seek modes supported by the position module.

Cpu 221 cpu 222 cpu 224 cpu 226 and cpu 226xm s7 200 em 22x expansion modules step 7 micro win version 3 2 a 32 bit programming software package for the s7 200 step 7 micro win instruction libraries and tp designer for tp070 version 1 0 a set of software tools for customers who use an s7 200 with other components. Cmd stat is a symbol for smb234 cmd is a symbol for qb2 and new cmd is a symbol for the profile. S7 200 programmable controller system manual c79000 g7076 c233 01 scope of the manual the information contained in this manual pertains in particular to the following products.

Https Www Panasonic Electric Works Com Cps Rde Xbcr Pew Eu En Gr Aigt81s2d En Pdf

Https Www Panasonic Electric Works Com Cps Rde Xbcr Pew Eu En Gr Aigt81s2d En Pdf

Siemens S7 200 Plc Programmable Logic Controllers Electrical Engineering Siemens

Siemens S7 200 Plc Programmable Logic Controllers Electrical Engineering Siemens

Ktp700 Basic Hmi And S7 200 Plc Communication

Ktp700 Basic Hmi And S7 200 Plc Communication

China 224 Cpu Full Compatible With Siemens S7 200 14di 10do China Plc Programmable Logic Controller

China 224 Cpu Full Compatible With Siemens S7 200 14di 10do China Plc Programmable Logic Controller

Https Www Igi Global Com Viewtitle Aspx Titleid 180718

Https Www Igi Global Com Viewtitle Aspx Titleid 180718

Simatic S7 200 Introduction

Simatic S7 200 Introduction

Automation Motors Drives S7 200 Plc Cpu224xp 14i 10o 214 2bd23 0xb8 2ai 1ao Relay Type 220v Ac Input Control Systems Plcs Hararejournal Co Zw

Automation Motors Drives S7 200 Plc Cpu224xp 14i 10o 214 2bd23 0xb8 2ai 1ao Relay Type 220v Ac Input Control Systems Plcs Hararejournal Co Zw

Hardware Details Of Plc S7 200 Series Model S7 224

Hardware Details Of Plc S7 200 Series Model S7 224

Make A Simple Program On Siemense Step 7 Microwin Plc S7 200 Cpu 224xp Training Urdu Hindi Lec 5 Youtube

Make A Simple Program On Siemense Step 7 Microwin Plc S7 200 Cpu 224xp Training Urdu Hindi Lec 5 Youtube

43 S7 200 Analog Input Scaling Arabic Youtube

43 S7 200 Analog Input Scaling Arabic Youtube

Analog Input Module Interfacing With S7 200 Plc Siemens S7 200 Plc Tutorial In Bangla Youtube

Analog Input Module Interfacing With S7 200 Plc Siemens S7 200 Plc Tutorial In Bangla Youtube

Profibus Connector Siemens Plc Programming Cables

Profibus Connector Siemens Plc Programming Cables

Step 7 Microwin Download Program In S7 200 Plc Cpu 224 Using Usb Ppi Cable Amsamotion Youtube

Step 7 Microwin Download Program In S7 200 Plc Cpu 224 Using Usb Ppi Cable Amsamotion Youtube

A Manual On Siemens Software And Cable Configurations This Software Comes With All Toolbox Versions Of 802d Pdf Free Download

A Manual On Siemens Software And Cable Configurations This Software Comes With All Toolbox Versions Of 802d Pdf Free Download

Siemens Tia Portal Tutorial S7 1200 Plc Hardware Overview Youtube

Siemens Tia Portal Tutorial S7 1200 Plc Hardware Overview Youtube

Https Support Industry Siemens Com Tf Ww En Posts 6es7 214 1bd23 0xb0 Internal Clock 123435 Page 0 Pagesize 10

Https Support Industry Siemens Com Tf Ww En Posts 6es7 214 1bd23 0xb0 Internal Clock 123435 Page 0 Pagesize 10

Siemens S7 200 Smart Cpu Siemens Siemensplc Siemensacdrive Siemenss7200smart S7200 S71200 Acdrive Siemensg120c Pm240 2 Siemenssmps In 2020

Siemens S7 200 Smart Cpu Siemens Siemensplc Siemensacdrive Siemenss7200smart S7200 S71200 Acdrive Siemensg120c Pm240 2 Siemenssmps In 2020

Diagram Aprilaire 224 Wiring Diagram Full Version Hd Quality Wiring Diagram Kartcenter Istituzioneinventata It

Diagram Aprilaire 224 Wiring Diagram Full Version Hd Quality Wiring Diagram Kartcenter Istituzioneinventata It

Https Encrypted Tbn0 Gstatic Com Images Q Tbn And9gcr8bie7gq1wull87ehog6p Bcrgp Kn6qzjgvemlhgen7xjqvrg Usqp Cau

Https Encrypted Tbn0 Gstatic Com Images Q Tbn And9gcr8bie7gq1wull87ehog6p Bcrgp Kn6qzjgvemlhgen7xjqvrg Usqp Cau

Mice Engineering Limited

Mice Engineering Limited

Thailandworkshop Siemens Plc Manual

Thailandworkshop Siemens Plc Manual

Learn Plc Programming In Hindi Siemens Plc Wiring Plc Wiring Siemens S7 200 Plc Wiring Diagram Youtube

Learn Plc Programming In Hindi Siemens Plc Wiring Plc Wiring Siemens S7 200 Plc Wiring Diagram Youtube

Elektro Mekanik Industri Mengenal Plc Siemens Simatic Controllers

Elektro Mekanik Industri Mengenal Plc Siemens Simatic Controllers

Source : pinterest.com